Запчасти Komatsu D32E-1 ПРИВОД TRAIN ТРУБЫ ТОРМОЗНОЙ КЛАПАН ЛИНИИ ПРИВОД TRAIN

Схема запчастей Komatsu D32E-1 - ПРИВОД TRAIN ТРУБЫ ТОРМОЗНОЙ КЛАПАН ЛИНИИ ПРИВОД TRAIN
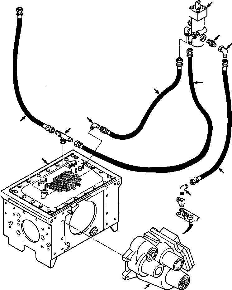
9
6
7
3
1
2
5
4
11
8
12
10
FIT
1:1
100%

Артикул

Название

Примечание

Количество

1

150 337 H1

HOSE, D PORT IN BRAKE VALVE TO RMF COVER

1шт.

2

333 934 R1

ELBOW, 90°

1шт.

3

1219 392 H1

HOSE, B PORT IN BRAKE VLV TO TEE ON REAR MAIN FR

1шт.

4

TEE, ON REAR MAIN FRAME (SEE PG 07-020)

-29шт.

5

HOSE, DIAGNOSTIC PORT TO BRAKE CYL (SEE PG 07-020)

-29шт.

6

1301 530 H91

VALVE, CHECK

1шт.

|$6

364 839 R1

RING, SEAL

1шт.

7

9410 280

ELBOW, 90°

1шт.

8

660 867 C1

HOSE, P PORT IN BRAKE VALVE TO M PORT IN TRANS

1шт.

9

VALVE, BRAKE (SEE PG 07-086)

-29шт.

10

TRANSMISSION (SEE PG 07-060)

-29шт.

11

FRAME, REAR MAIN (SEE PG 09-002)

-29шт.

12

9410 254

ELBOW, 45°

1шт.

Выбрано товаров: 13