Запчасти Komatsu D32E-1 ПРИВОД TRAIN ТРУБЫ - С СИСТЕМОЙ ROPS NЕСTRAL START КЛАПАН ЛИНИИ ПРИВОД TRAIN

Схема запчастей Komatsu D32E-1 - ПРИВОД TRAIN ТРУБЫ - С СИСТЕМОЙ ROPS NЕСTRAL START КЛАПАН ЛИНИИ ПРИВОД TRAIN
7
2
8
11
3
3
6
12
4
10
9
14
1
5
13
FIT
1:1
100%

Артикул

Название

Примечание

Количество

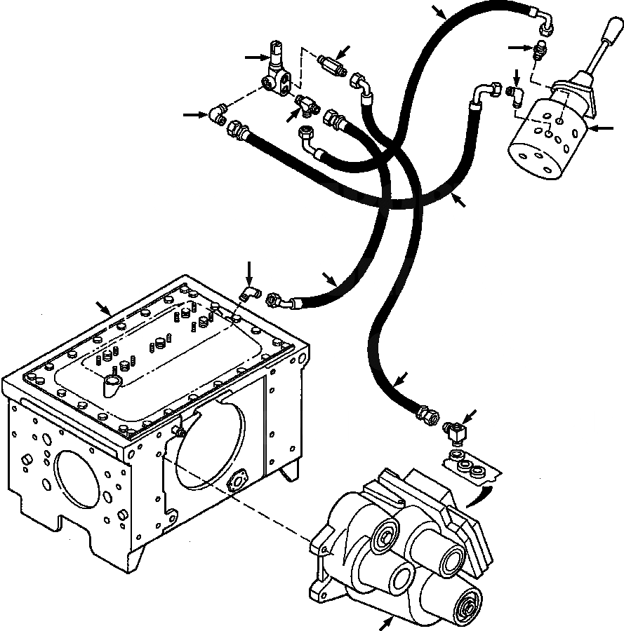
1

1308 818 H1

HOSE, REG M PORT TO NEUTRAL START VALVE

1шт.

2

1306 410 H91

FILTER, FITTING

1шт.

|$2

570 828 R1

RING, SEAL

1шт.

3

9410 977

ELBOW, 90° OUTLET

2шт.

|$4

570 828 R1

RING, SEAL

2шт.

4

1306 591 H1

HOSE, NEUTRAL START VALVE TO STEERING VALVE

1шт.

5

9410 335

ELBOW, 90°

1шт.

6

9411 131

ELBOW, 90°

1шт.

|$8

570 828 R1

RING, SEAL

4шт.

7

1308 820 H1

HOSE, STEERING VALVE DRAIN TO TEE

1шт.

8

9410 203

CONNECTOR

1шт.

|$11

570 828 R1

RING, SEAL

1шт.

9

1308 821 H1

HOSE, TEE TO RMF COVER

1шт.

10

333 934 R1

ELBOW, 90°

1шт.

11

VALVE, NEUTRAL START (SEE PG 07-054)

-29шт.

12

VALVE, TRANS/STEER (SEE PG 07-056)

-29шт.

13

TRANSMISSION (SEE PG 07-060)

-29шт.

14

FRAME, REAR MAIN (SEE PG 09-006)

-29шт.

Выбрано товаров: 0