Запчасти Komatsu D32E-1 ТРАНСМИССИЯ/РУЛЕВ. УПРАВЛЕНИЕ УПРАВЛ-ЕS С СИСТЕМОЙ ROPS ПРИВОД TRAIN

Схема запчастей Komatsu D32E-1 - ТРАНСМИССИЯ/РУЛЕВ. УПРАВЛЕНИЕ УПРАВЛ-ЕS С СИСТЕМОЙ ROPS ПРИВОД TRAIN
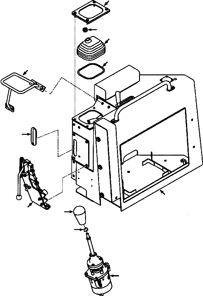
6
10
5
7
4
9
11
8
2
3
1
FIT
1:1
100%

Артикул

Название

Примечание

Количество

|$0

1308 340 H91

VALVES AND CONTROLS

-54шт.

1

VALVE, TRANS/STEER CONTROL (SEE PG 07-056)

-29шт.

|$2

24 840 R1

BOLT, HEX - 3/8NCx1

3шт.

|$3

25 534 R1

WASHER, FLAT - 3/8

3шт.

2

17A-43-25681

KNOB, CONTROL

1шт.

3

20T-43-71190

NUT, JAM

1шт.

4

1308 473 H91

HANDLE, FEATHERING

1шт.

|$7

24 840 R1

BOLT, HEX - 3/8NCx1

4шт.

|$8

25 534 R1

WASHER, FLAT - 3/8

4шт.

5

14X-43-11320

BOOT, CONTROL HANDLE

1шт.

6

1308 476 H91

RETAINER, BOOT

1шт.

|$11

25 485 R1

BOLT, HEX - 1/4NCx1-1/4

4шт.

|$12

25 532 R1

WASHER, FLAT - 1/4

4шт.

7

1309 014 H1

PLATE, BOOT RETAINER

1шт.

8

LEVER, SAFETY (SEE PG 07-048)

-29шт.

|$15

25 483 R1

BOLT, HEX - 1/4NCx1

1шт.

|$16

25 532 R1

WASHER, FLAT - 1/4

1шт.

9

1308 484 H1

GROMMET

1шт.

10

1309 018 H1

COLLAR

1шт.

|$19

350 684 R1

RING, SEAL

1шт.

11

BOX, BATTERY (SEE PG 08-016)

-29шт.

|$$22

-1шт.

|$22

F1 - PART NUMBER IS A NON-SERVICE PART AND IS LISTED FOR REFERENCE ONLY.

-1шт.

|$$24

-1шт.

Выбрано товаров: 24