Запчасти Komatsu D32E-1 КОНЕЧНАЯ ПЕРЕДАЧА - LATER ВЕРСИЯ - SEE F DP- ПРИВОД TRAIN

Схема запчастей Komatsu D32E-1 - КОНЕЧНАЯ ПЕРЕДАЧА - LATER ВЕРСИЯ - SEE F DP- ПРИВОД TRAIN
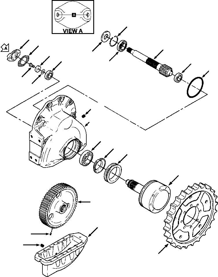
19
11
10
16
8
20
5
17
18
23
9
7
13
12
4
6
3
2
14
22
15
21
1
FIT
1:1
100%

Артикул

Название

Примечание

Количество

|$0

1209 147 H91

FINAL DRIVE

-54шт.

1

741 191 C2

SPROCKET, CASTED TEETH

2шт.

1

1298 898 H1

SPROCKET, MACHINED TEETH

2шт.

|$3

24 888 R1

BOLT, HEX - 3/4NCx2

16шт.

|$4

25 538 R1

WASHER, FLAT - 3/4

16шт.

|$5

1311 338 H91

DRIVE ASSY, LEFT FINAL

1шт.

2

1309 075 H91

SHAFT, SPROCKET CARRIER

1шт.

3

1208 980 H91

KIT, SEAL

1шт.

4

1209 206 H91

BEARING, TAPERED ROLLER - OUTER

1шт.

|$9

67 190 R91

CONE, BEARING

1шт.

|$10

17 844 H

CUP, BEARING

1шт.

5

1209 262 H91

BEARING, TAPERED ROLLER - INNER

1шт.

|$12

1209 263 H91

CONE, BEARING

1шт.

|$13

170 234 R1

CUP, BEARING

1шт.

6

1208 981 H1

SPACER, BEARING

1шт.

7

1209 669 H1

SHIM, CARRIER - 0.005IN

-2шт.

7

1209 670 H1

SHIM, CARRIER - 0.007IN

-2шт.

7

1209 671 H1

SHIM, CARRIER - 0.020IN

-2шт.

8

1209 672 H2

WASHER, CARRIER

1шт.

9

25 358 R1

BOLT, HEX - 3/4NCx3-3/4

1шт.

10

1208 982 H1

GASKET, COVER

1шт.

11

1208 983 H1

COVER, CARRIER SHAFT

1шт.

|$22

70 427 R1

BOLT, HEX - 7/16NCx1-1/4

2шт.

|$23

115 314

WASHER, LOCK - 7/16

2шт.

|$24

1311 334 H91

HOUSING ASSY, LEFT

1шт.

12

NSS

HOUSING ASSY, LEFT

1шт.

13

280 668 R91

PLUG, FILLER AND CHECK

1шт.

|$27

367 478 R1

PIN, DOWEL - 1/2x1-1/16

2шт.

|$28

104 939

PLUG, #3 CORK

2шт.

14

621 109 C2

GEAR, DRIVE

1шт.

15

621 110 C3

SCREW, RETAINER

1шт.

|$31

454 522 R1

NUT, RETAINER - 1/2NC

1шт.

16

621 111 C1

PINION, DRIVE

1шт.

17

62 528 R91

BEARING, TAPERED ROLLER - OUTER

1шт.

|$34

62 923 R1

CONE, BEARING

1шт.

|$35

130 503 H

CUP, BEARING

1шт.

17

662 056 R91

BEARING, TAPERED ROLLER - OUTER

1шт.

|$37

662 057 R91

CONE, BEARING

1шт.

|$38

300 985 R1

CUP, BEARING

1шт.

17

621 144 C91

BEARING, TAPERED ROLLER - OUTER

1шт.

|$40

622 210 C91

CONE, BEARING

1шт.

|$41

622 211 C1

CUP, BEARING

1шт.

18

659 457 R91

BEARING, TAPERED ROLLER - INNER

1шт.

|$43

659 458 R91

CONE, BEARING

1шт.

|$44

659 459 R1

CUP, BEARING

1шт.

18

659 460 R91

BEARING, TAPERED ROLLER - INNER

1шт.

|$46

659 461 R91

CONE, BEARING

1шт.

|$47

659 462 R1

CUP, BEARING

1шт.

18

659 713 R91

BEARING, TAPERED ROLLER - INNER

1шт.

|$49

659 714 R91

CONE, BEARING

1шт.

|$50

659 715 R1

CUP, BEARING

1шт.

19

621 140 C1

RING, RETAINING - 0.109IN

1шт.

|$52

621 112 C1

RING, RETAINING - 0.101IN

-2шт.

|$53

705 474 C1

RING, RETAINING - 0.117IN

-2шт.

20

621 113 C93

SEAL, OIL

1шт.

21

280 668 R91

PLUG, DRAIN

1шт.

22

716 898 C1

COVER, LEFT BOTTOM

1шт.

|$57

24 863 R1

BOLT, HEX - 1/2NCx1-3/4

14шт.

|$58

116 121

WASHER, LOCK - 1/2

14шт.

23

1206 069 H1

O-RING, HOUSING

1шт.

|$60

26 322 R1

BOLT, HEX - 5/8NCx2

5шт.

|$61

24 878 R1

BOLT, HEX - 5/8NCx2-3/4

2шт.

|$62

25 695 R1

BOLT, HEX - 5/8NCx6-1/2

1шт.

|$63

734 324 C1

STUD, MOUNTING

2шт.

|$64

25 537 R1

WASHER, FLAT - 5/8

10шт.

|$65

25 528 R1

NUT, HEX - 5/8NC

2шт.

|$66

1311 188 H91

DRIVE ASSY, RIGHT FINAL

1шт.

2

1285 315 H1

SHAFT, SPROCKET CARRIER

1шт.

3

1214 405 H91

KIT, SEAL

1шт.

4

1209 206 H91

BEARING, TAPERED ROLLER - OUTER

1шт.

|$70

67 190 R91

CONE, BEARING

1шт.

|$71

17 844 H

CUP, BEARING

1шт.

5

62 528 R91

BEARING, TAPERED ROLLER - INNER

1шт.

|$73

62 923 R1

CONE, BEARING

1шт.

|$74

130 503 H

CUP, BEARING

1шт.

6

1208 981 H1

SPACER, BEARING

1шт.

7

621 099 C2

SHIM, CARRIER - 0.005IN

-2шт.

7

621 100 C1

SHIM, CARRIER - 0.007IN

-2шт.

7

621 101 C1

SHIM, CARRIER - 0.020IN

-2шт.

8

621 102 C2

WASHER, CARRIER

1шт.

9

25 358 R1

BOLT, HEX - 3/4NCx3-3/4

1шт.

10

621 103 C1

GASKET, COVER

1шт.

11

621 104 C1

COVER, CARRIER SHAFT

1шт.

|$83

70 427 R1

BOLT, HEX - 7/16NCx1-1/4

2шт.

|$84

115 314

WASHER, LOCK - 7/16

2шт.

12

1208 985 H92

HOUSING ASSY, RIGHT

1шт.

13

280 688 R91

PLUG, FILLER AND CHECK

1шт.

|$87

367 478 R1

PIN, DOWEL - 1/2x1-1/16

2шт.

|$88

104 939

PLUG, #3 CORK

2шт.

14

621 109 C2

GEAR, DRIVE

1шт.

15

621 110 C3

SCREW, RETAINER

1шт.

|$91

454 522 R1

NUT, RETAINER - 1/2NC

1шт.

16

621 111 C1

PINION, DRIVE

1шт.

17

62 528 R91

BEARING, TAPERED ROLLER - OUTER

1шт.

|$94

62 923 R1

CONE, BEARING

1шт.

|$95

130 503 H

CUP, BEARING

1шт.

17

662 056 R91

BEARING, TAPERED ROLLER - OUTER

1шт.

|$97

662 057 R91

CONE, BEARING

1шт.

|$98

300 985 R1

CUP, BEARING

1шт.

17

621 144 C91

BEARING, TAPERED ROLLER - OUTER

1шт.

|$100

622 210 C91

CONE, BEARING

1шт.

|$101

622 211 C1

CUP, BEARING

1шт.

18

659 457 R91

BEARING, TAPERED ROLLER - INNER

1шт.

|$103

659 458 R91

CONE, BEARING

1шт.

|$104

659 459 R1

CUP, BEARING

1шт.

18

659 460 R91

BEARING, TAPERED ROLLER - INNER

1шт.

|$106

659 461 R91

CONE, BEARING

1шт.

|$107

659 462 R1

CUP, BEARING

1шт.

18

659 713 R91

BEARING, TAPERED ROLLER - INNER

1шт.

|$109

659 714 R91

CONE, BEARING

1шт.

|$110

659 715 R1

CUP, BEARING

1шт.

19

621 140 C1

RING, RETAINING - 0.109IN

1шт.

|$112

621 112 C1

RING, RETAINING - 0.101IN

-2шт.

|$113

705 474 C1

RING, RETAINING - 0.117IN

-2шт.

20

621 113 C93

SEAL, OIL

1шт.

21

280 688 R91

PLUG, DRAIN

1шт.

22

716 899 C1

COVER, RIGHT BOTTOM

1шт.

|$117

24 863 R1

BOLT, HEX - 1/2NCx1-3/4

14шт.

|$118

116 121

WASHER, LOCK - 1/2

14шт.

23

1206 069 H1

O-RING, HOUSING

1шт.

|$120

26 322 R1

BOLT, HEX - 5/8NCx2

5шт.

|$121

24 878 R1

BOLT, HEX - 5/8NCx2-3/4

2шт.

|$122

25 695 R1

BOLT, HEX - 5/8NCx6-1/2

1шт.

|$123

734 324 C1

STUD, MOUNTING

2шт.

|$124

25 537 R1

WASHER, FLAT - 5/8

10шт.

|$125

25 528 R1

NUT, HEX - 5/8NC

2шт.

|$$127

-1шт.

|$127

F1 - PART NUMBER IS A NON-SERVICE PART AND IS LISTED FOR REFERENCE ONLY.

-1шт.

|$$129

-1шт.

|$$130

-1шт.

|$130

F2 - THE FINAL DRIVES CAN BE IDENTIFIED BY MEASURING THE BOLT HOLE

-1шт.

|$131

PATTERN(A) OF THE CARRIER SHAFT COVER:

-1шт.

|$132

EARLY VERSION FINAL DRIVE CARRIER SHAFT COVER.....112mm(4.4IN)

-1шт.

|$133

LATER VERSION FINAL DRIVE CARRIER SHAFT COVER.....125mm(4.9IN)

-1шт.

Выбрано товаров: 134