Запчасти Komatsu D32E-1A FIG. F8-A КОНЕЧНАЯ ПЕРЕДАЧА - E MODEL СИЛОВАЯ ПЕРЕДАЧА И КОНЕЧНАЯ ПЕРЕДАЧА

Схема запчастей Komatsu D32E-1A - FIG. F8-A КОНЕЧНАЯ ПЕРЕДАЧА - E MODEL СИЛОВАЯ ПЕРЕДАЧА И КОНЕЧНАЯ ПЕРЕДАЧА
20
19
18
28
27
16
26
25
24
7
17
5
23
13
4
6
12
14
15
21
22
11
10
9
8
7
2
3
5
1
FIT
1:1
100%

Артикул

Название

Примечание

Количество

|$0

1270 710 H91

FINAL DRIVE

SN: P076093--UP

1шт.

1

741 191 C2

SPROCKET, CAST TEETH

SN: P076093--UP

2шт.

|$3

OR

-1шт.

|$5

1298 898 H1

SPROCKET, MACHINED TEETH

SN: P076093--UP

2шт.

|$6

24 887 R1

BOLT, HEX - 3/4NCx1-3/4

SN: P076093--UP

16шт.

|$7

25 538 R1

WASHER, FLAT - 3/4

SN: P076093--UP

16шт.

|$8

1311 336 H91

DRIVE ASSEMBLY, LEFT FINAL

SN: P076093--UP

1шт.

|$9

1311 337 H91

DRIVE ASSEMBLY, RIGHT FINAL

SN: P076093--UP

1шт.

2

1309 074 H1

SHAFT, SPROCKET CARRIER

SN: P076093--UP

1шт.

3

1208 980 H91

KIT, SEAL

SN: P076093--UP

1шт.

4

1209 206 H92

BEARING, TAPERED ROLLER - OUTER

SN: P076093--UP

1шт.

|$13

1209 207 H92

CONE, BEARING

SN: P076093--UP

1шт.

|$14

1209 208 H2

CUP, BEARING

SN: P076093--UP

1шт.

5

1209 262 H91

BEARING, TAPERED ROLLER - INNER

SN: P076093--UP

1шт.

|$16

1209 263 H91

CONE, BEARING

SN: P076093--UP

1шт.

|$17

170 234 R1

CUP, BEARING

SN: P076093--UP

1шт.

6

1208 981 H1

SPACER, BEARING

SN: P076093--UP

1шт.

7

1209 669 H1

SHIM, CARRIER - 0.005IN

SN: P076093--UP

-2шт.

|$21

OR

-1шт.

|$23

1209 670 H1

SHIM, CARRIER - 0.007IN

SN: P076093--UP

-2шт.

|$25

OR

-1шт.

|$27

1209 671 H1

SHIM, CARRIER - 0.020IN

SN: P076093--UP

-2шт.

8

WASHER, CARRIER

SN: P076093--UP

1шт.

9

BOLT, HEX - 3/4NCx3-3/4

SN: P076093--UP

1шт.

10

GASKET, COVER

SN: P076093--UP

1шт.

11

COVER, CARRIER SHAFT

SN: P076093--UP

1шт.

|$32

70 427 R1

BOLT, HEX - 7/16NCx1-1/4

SN: P076093--UP

2шт.

|$33

115 314

WASHER, LOCK - 7/16

SN: P076093--UP

2шт.

|$34

1311 334 H91

HOUSING ASSY, LEFT

SN: P076093--UP

1шт.

|$35

1311 335 H91

HOUSING ASSY, RIGHT

SN: P076093--UP

1шт.

12

NSS

HOUSING ASSY, LEFT

SN: P076093--UP

1шт.

|$38

OR

-1шт.

|$40

NSS

HOUSING ASSY, RIGHT

SN: P076093--UP

1шт.

13

280 668 R91

PLUG, FILLER AND CHECK

SN: P076093--UP

1шт.

|$42

367 478 R1

PIN, DOWEL - 1/2x1-1/16

SN: P076093--UP

2шт.

|$43

104 939

PLUG, #3 CORK

SN: P076093--UP

2шт.

14

621 109 C2

GEAR, DRIVE

SN: P076093--UP

1шт.

15

621 110 C3

SCREW, RETAINER

SN: P076093--UP

1шт.

|$46

454 522 R1

NUT, RETAINER - 1/2NC

SN: P076093--UP

1шт.

16

621 111 C1

PINION, DRIVE

SN: P076093--UP

1шт.

17

62 528 R91

BEARING, OUTER

SN: P076093--UP

1шт.

|$49

62 923 R1

CONE, BEARING

SN: P076093--UP

1шт.

|$50

130 503 H

CUP, BEARING

SN: P076093--UP

1шт.

|$52

OR

-1шт.

|$54

662 056 R91

BEARING, OUTER

SN: P076093--UP

1шт.

|$55

662 057 R91

CONE, BEARING

SN: P076093--UP

1шт.

|$56

300 985 R1

CUP, BEARING

SN: P076093--UP

1шт.

|$58

OR

-1шт.

|$60

621 144 C91

BEARING, OUTER

SN: P076093--UP

1шт.

|$61

622 210 C91

CONE, BEARING

SN: P076093--UP

1шт.

|$62

622 211 C1

CUP, BEARING

SN: P076093--UP

1шт.

18

659 457 R91

BEARING, INNER

SN: P076093--UP

1шт.

|$64

659 458 R91

CONE, BEARING

SN: P076093--UP

1шт.

|$65

659 459 R1

CUP, BEARING

SN: P076093--UP

1шт.

|$67

OR

-1шт.

|$69

659 460 R91

BEARING, INNER

SN: P076093--UP

1шт.

|$70

659 461 R91

CONE, BEARING

SN: P076093--UP

1шт.

|$71

659 462 R1

CUP, BEARING

SN: P076093--UP

1шт.

|$73

OR

-1шт.

|$75

659 713 R91

BEARING, INNER

SN: P076093--UP

1шт.

|$76

659 714 R91

CONE, BEARING

SN: P076093--UP

1шт.

|$77

659 715 R1

CUP, BEARING

SN: P076093--UP

1шт.

19

621 140 C1

RING, RETAINING - 0.109IN

SN: P076093--UP

-2шт.

|$80

OR

-1шт.

|$82

621 112 C1

RING, RETAINING - 0.101IN

SN: P076093--UP

-2шт.

|$84

OR

-1шт.

|$86

705 474 C1

RING, RETAINING - 0.117IN

SN: P076093--UP

-2шт.

20

621 113 C93

SEAL, OIL

SN: P076093--UP

1шт.

21

280 668 R91

PLUG, DRAIN

SN: P076093--UP

1шт.

22

716 898 C1

COVER, LEFT BOTTOM

SN: P076093--UP

1шт.

|$90

716 899 C1

COVER, RIGHT BOTTOM

SN: P076093--UP

1шт.

|$91

24 863 R1

BOLT, HEX - 1/2NCx1-3/4

SN: P076093--UP

14шт.

|$92

116 121

WASHER, LOCK - 1/2

SN: P076093--UP

14шт.

23

1206 069 H1

O-RING, HOUSING

SN: P076093--UP

1шт.

|$94

26 322 R1

BOLT, HEX - 5/8NCx2

SN: P076093--UP

5шт.

|$95

24 878 R1

BOLT, HEX - 5/8NCx2-3/4

SN: P076093--UP

2шт.

|$96

25 695 R1

BOLT, HEX - 5/8NCx6-1/2

SN: P076093--UP

1шт.

|$97

734 324 C1

STUD, MOUNTING

SN: P076093--UP

2шт.

|$98

25 537 R1

WASHER, FLAT - 5/8

SN: P076093--UP

10шт.

|$99

25 528 R1

NUT, HEX - 5/8NC

SN: P076093--UP

2шт.

24

1316 248 H1

RETAINER

SN: P076093--UP

1шт.

25

25 548 R1

WASHER, 3/4

SN: P076093--UP

1шт.

26

25 964 R1

BOLT, HEX - 3/4NCx4-3/4

SN: P076093--UP

1шт.

27

1208 982 H1

GASKET, COVER

SN: P076093--UP

1шт.

28

1316 249 H1

COVER, CARRIER SHAFT

SN: P076093--UP

1шт.

|$105

70 427 R1

BOLT, HEX - 7/16NCx1-1/4

SN: P076093--UP

2шт.

|$106

115 314

WASHER, LOCK - 7/16

SN: P076093--UP

2шт.

|$107

1311 334 H91

HOUSING ASSY, LEFT

SN: P076093--UP

1шт.

|$108

1311 335 H91

HOUSING ASSY, RIGHT

SN: P076093--UP

1шт.

|$109

-1шт.

|$110

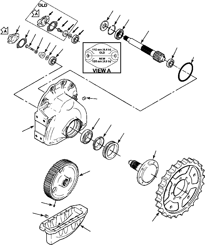
F1 PART NUMBER IS A NONSERVICE PART AND IS LISTED FOR REFERENCE ONLY. ORDER INDIVIDUAL PIECE PARTS.

-1шт.

|$111

-1шт.

|$112

F2 - THE OLD PARTS ARE NO LONGER AVAILABLE. REPLACE THEM WITH NEW PARTS; ITEM 25, 26, 27, AND 28.

-1шт.

|$114

THE MEASUREMENTS IN ILLUSTRATION VIEW "A" HELP TO IDENTIFY THE OLD PARTS.

-1шт.

Выбрано товаров: 94