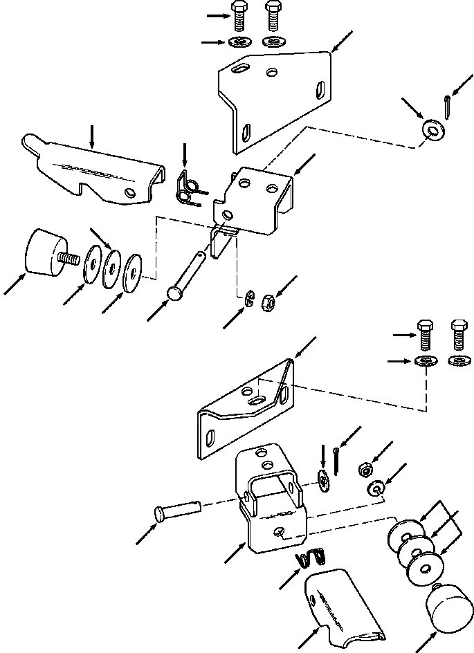
Запчасти Komatsu D32E-1A FIG. K-A7 КАБИНА ROPS - ДВЕРЬ HOLD OPEN LATCHES КАБИНА ОПЕРАТОРА И СИСТЕМА УПРАВЛЕНИЯ

Схема запчастей Komatsu D32E-1A - FIG. K-A7 КАБИНА ROPS - ДВЕРЬ HOLD OPEN LATCHES КАБИНА ОПЕРАТОРА И СИСТЕМА УПРАВЛЕНИЯ
12
1
13
9
6
2
3
11
4
5
10
4
4
7
14
8
25
26
22
18
19
21
17
20
24
16
15
23
FIT
1:1
100%

Артикул

Название

Примечание

Количество

|$0

CAB ASSEMBLY, COMPLETE(SEE FIG. K0210-03A0)

SN: P076093--UP

1шт.

|$1

1311 839 H91

LOCK ASSEMBLY, RIGHT DOOR

SN: P076093--UP

1шт.

1

1311 835 H1

BRACKET, MOUNTING

SN: P076093--UP

1шт.

2

1300 660 C1

PAWL, LOCKING

SN: P076093--UP

1шт.

3

1300 665 H1

SPRING, TENSION

SN: P076093--UP

1шт.

4

1300 553 H1

WASHER, RUBBER STOP

SN: P076093--UP

3шт.

5

25 520 R1

NUT, HEX - 5/16NC

SN: P076093--UP

1шт.

6

25 534 R1

WASHER, FLAT - 3/8

SN: P076093--UP

1шт.

7

21 037 R1

PIN, CLEVIS - 3/8x2-1/2

SN: P076093--UP

1шт.

8

120 214

WASHER, LOCK - 5/16

SN: P076093--UP

1шт.

9

103 373

PIN, COTTER - 3/32x3/4

SN: P076093--UP

1шт.

10

736 173 C1

BUMPER, RUBBER STOP

SN: P076093--UP

1шт.

11

1311 838 H91

BRACKET, WELDMENT

SN: P076093--UP

1шт.

12

30 020 R1

BOLT, HEX - M10x25

SN: P076093--UP

2шт.

13

30 176 R1

WASHER, FLAT - M10

SN: P076093--UP

2шт.

|$15

1311 840 H91

LOCK ASSEMBLY, LEFT DOOR

SN: P076093--UP

1шт.

14

1311 836 H1

BRACKET, MOUNTING

SN: P076093--UP

1шт.

15

1300 660 C1

PAWL, LOCKING

SN: P076093--UP

1шт.

16

1300 665 H1

SPRING, TENSION

SN: P076093--UP

1шт.

17

1300 553 H1

WASHER, RUBBER STOP

SN: P076093--UP

3шт.

18

25 520 R1

NUT, HEX - 5/16NC

SN: P076093--UP

1шт.

19

25 534 R1

WASHER, FLAT - 3/8

SN: P076093--UP

1шт.

20

21 037 R1

PIN, CLEVIS - 3/8x2-1/2

SN: P076093--UP

1шт.

21

120 214

WASHER, LOCK - 5/16

SN: P076093--UP

1шт.

22

103 373

PIN, COTTER - 3/32x3/4

SN: P076093--UP

1шт.

23

736 173 C1

BUMPER, RUBBER STOP

SN: P076093--UP

1шт.

24

1311 838 H91

BRACKET, WELDMENT

SN: P076093--UP

1шт.

25

30 020 R1

BOLT, HEX - M10x25

SN: P076093--UP

2шт.

26

30 176 R1

WASHER, FLAT - M10

SN: P076093--UP

2шт.

Выбрано товаров: 29