Запчасти Komatsu D32E-1A FIG. T-A C РАМА РАБОЧЕЕ ОБОРУДОВАНИЕ

Схема запчастей Komatsu D32E-1A - FIG. T-A C РАМА РАБОЧЕЕ ОБОРУДОВАНИЕ
4
3
2
3
4
4
4
4
3
4
4
2
3
4
5
1
FIT
1:1
100%

Артикул

Название

Примечание

Количество

|$0

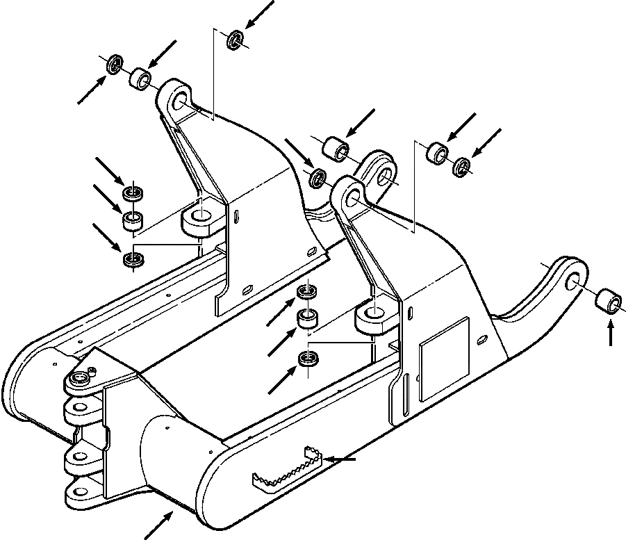
1312 959 H91

FRAME ASSEMBLY, C

SN: P076093--UP

1шт.

1

NSS

FRAME, C

SN: P076093--UP

1шт.

2

620 665 C1

BUSHING, TRUNNION PIN

SN: P076093--UP

2шт.

3

1268 300 H1

BEARING, NON-LUBRICATED

SN: P076093--UP

4шт.

4

1268 301 H1

SEAL, PIN

SN: P076093--UP

8шт.

5

1312 920 H91

STEP, WELDMENT

SN: P076093--UP

2шт.

Выбрано товаров: 6