Запчасти Komatsu D32E-1A FIG. F-A УПРАВЛ-Е ТОРМОЗОМS СИЛОВАЯ ПЕРЕДАЧА И КОНЕЧНАЯ ПЕРЕДАЧА

Схема запчастей Komatsu D32E-1A - FIG. F-A УПРАВЛ-Е ТОРМОЗОМS СИЛОВАЯ ПЕРЕДАЧА И КОНЕЧНАЯ ПЕРЕДАЧА
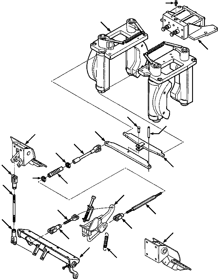
20
1
19
16
15
14
7
10
12
4
17
12
6
11
2
3
8
4
18
9
4
5
13
FIT
1:1
100%

Артикул

Название

Примечание

Количество

|$0

1308 102 H91

BRAKES AND CONTROLS

SN: P076093--UP

1шт.

1

SHOES AND LEVERS (SEE FIG. F2300-02A3)

SN: P076093--UP

1шт.

2

BRAKE PAD (SEE FIG. F2300-02A1)

SN: P076093--UP

1шт.

|$3

25 274 R1

BOLT, HEX - 1/2NCx1-1/8

SN: P076093--UP

3шт.

|$4

116 121

WASHER, LOCK - 1/2

SN: P076093--UP

3шт.

3

1258 315 H91

ROD, FINAL BRAKE

SN: P076093--UP

1шт.

|$6

16 619 R1

PIN, CLEVIS - 1/2x1-23/64

SN: P076093--UP

1шт.

|$7

103 385

PIN, COTTER - 1/8x1

SN: P076093--UP

1шт.

|$8

25 527 R1

NUT, HEX - 1/2NF

SN: P076093--UP

1шт.

4

144 256

CLEVIS, ROD END

SN: P076093--UP

3шт.

|$10

25 527 R1

NUT, HEX - 1/2NF

SN: P076093--UP

3шт.

|$11

16 619 R1

PIN, CLEVIS - 1/2x1-23/64

SN: P076093--UP

4шт.

|$12

103 385

PIN, COTTER - 1/8x1

SN: P076093--UP

4шт.

5

BRACKET, BRAKE SUPPORT (SEE FIG. F2300-02A2)

SN: P076093--UP

1шт.

|$14

26 316 R1

BOLT, HEX - 1/2NCx1

SN: P076093--UP

6шт.

|$15

25 555 R1

WASHER, FLAT - 1/2

SN: P076093--UP

6шт.

6

1258 312 H1

ROD, MAIN BRAKE

SN: P076093--UP

1шт.

7

PEDAL, BRAKE/DECELERATOR(SEE FIG. K2400-06A0)

SN: P076093--UP

1шт.

|$18

24 861 R1

BOLT, HEX - 1/2NCx1-1/4

SN: P076093--UP

4шт.

|$19

25 536 R1

WASHER, FLAT - 1/2

SN: P076093--UP

4шт.

8

1287 522 H1

ROD, TURNBUCKLE

SN: P076093--UP

1шт.

9

19 457 R1

YOKE, LH THREAD

SN: P076093--UP

1шт.

|$22

145 406

NUT, JAM - 1/2NF

SN: P076093--UP

1шт.

|$23

16 619 R1

PIN, CLEVIS - 1/2x1-23/64

SN: P076093--UP

1шт.

|$24

103 385

PIN, COTTER - 1/8x1

SN: P076093--UP

1шт.

10

652 827 C1

CLEVIS, BRAKE ROD

SN: P076093--UP

1шт.

|$26

25 527 R1

NUT, JAM - 1/2NF

SN: P076093--UP

1шт.

|$27

103 499 R1

PIN, CLEVIS - 5/8x1-39/64

SN: P076093--UP

1шт.

|$28

103 385

PIN, COTTER - 1/8x1

SN: P076093--UP

1шт.

11

652 829 C1

BOOT, CONTROL ROD

SN: P076093--UP

1шт.

12

122 316 R91

CLAMP, BOOT

SN: P076093--UP

2шт.

13

1286 903 H1

SPRING, RETURN

SN: P076093--UP

1шт.

14

621 318 C1

SUPPORT, BRAKE ACTUATOR

SN: P076093--UP

1шт.

15

621 319 C1

PIN, PIVOT

SN: P076093--UP

1шт.

16

21 853 H1

PIN, CLEVIS - 1/2x1-1/2

SN: P076093--UP

1шт.

|$35

103 385

PIN, COTTER - 1/8x1

SN: P076093--UP

1шт.

17

621 310 C2

SUPPORT, BRAKE EQUALIZER

SN: P076093--UP

1шт.

18

PEDAL, SECONDARY BRAKE (SEE FIG. K2400-06A1)

SN: P076093--UP

1шт.

19

CYLINDER, BRAKE (SEE FIG. F2300-02A7)

SN: P076093--UP

1шт.

|$39

24 861 R1

BOLT, HEX - 1/2NCx1-1/4, FRONT

SN: P076093--UP

2шт.

|$40

24 866 R1

BOLT, HEX - 1/2NCx2-1/2, REAR

SN: P076093--UP

2шт.

|$41

25 546 R1

WASHER, FLAT - 1/2

SN: P076093--UP

4шт.

20

FITTING, 1/4X3/8 TUBE (SEE FIG. F2300-02A8)

SN: P076093--UP

1шт.

|$43

-1шт.

|$44

F1 PART NUMBER IS A NONSERVICE PART AND IS LISTED FOR REFERENCE ONLY. ORDER INDIVIDUAL PIECE PARTS.

-1шт.

|$45

-1шт.

Выбрано товаров: 46