Запчасти Komatsu D32E-1A FIG. F-A7 ПРИВОД TRAIN ТРУБЫ - КАБИНА ROPS - NЕСTRAL START КЛАПАН ЛИНИИ СИЛОВАЯ ПЕРЕДАЧА И КОНЕЧНАЯ ПЕРЕДАЧА

Схема запчастей Komatsu D32E-1A - FIG. F-A7 ПРИВОД TRAIN ТРУБЫ - КАБИНА ROPS - NЕСTRAL START КЛАПАН ЛИНИИ СИЛОВАЯ ПЕРЕДАЧА И КОНЕЧНАЯ ПЕРЕДАЧА
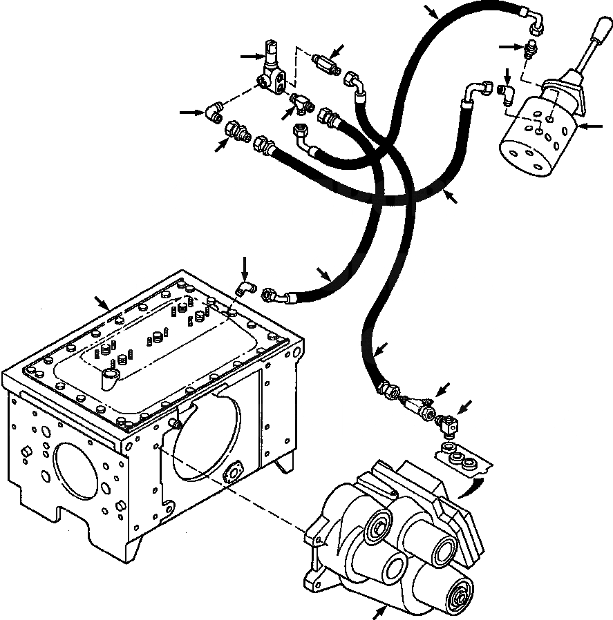
7
2
8
11
3
3
6
12
15
4
10
9
14
1
5
16
13
FIT
1:1
100%

Артикул

Название

Примечание

Количество

1

1308 818 H1

HOSE, REG M PORT TO NEUTRAL VALVE

SN: P076093--UP

1шт.

2

1306 410 H92

FILTER, FITTING

SN: P076093--UP

1шт.

|$2

570 828 R1

RING, SEAL

SN: P076093--UP

1шт.

3

9410 977

ELBOW, 90° OUTLET

SN: P076093--UP

2шт.

|$4

570 828 R1

RING, SEAL

SN: P076093--UP

2шт.

4

1306 591 H1

HOSE, NEUTRAL VALVE TO STRG VALVE

SN: P076093--UP

1шт.

5

9410 335

TEE

SN: P076093--UP

1шт.

6

9411 131

TEE

SN: P076093--UP

1шт.

|$8

570 828 R1

RING, SEAL

SN: P076093--UP

4шт.

7

1308 820 H1

HOSE, STEERING VALVE DRAIN TO TEE

SN: P076093--UP

1шт.

8

9410 203

CONNECTOR

SN: P076093--UP

1шт.

|$11

570 828 R1

RING, SEAL

SN: P076093--UP

1шт.

9

1308 821 H1

HOSE, TEE TO RMF COVER

SN: P076093--UP

1шт.

10

333 934 R1

ELBOW, 90°

SN: P076093--UP

1шт.

11

VALVE, NEUTRAL (SEE FIG. F2300-08A0)

SN: P076093--UP

1шт.

12

VALVE, TRANS/STEER (SEE FIG. F2300-09A0)

SN: P076093--UP

1шт.

13

TRANSMISSION (SEE FIG. F2320-51A0)

SN: P076093--UP

1шт.

14

FRAME, REAR MAIN (SEE FIG. J2100-01A0)

SN: P076093--UP

1шт.

15

1309 328 H91

FITTING, SWIVEL

SN: P076093--UP

1шт.

16

1308 378 H1

ELBOW, REGULATOR 90° (M PORT)

SN: P076093--UP

1шт.

Выбрано товаров: 20