Запчасти Komatsu D355A-3 МАСЛЯНЫЙ ФИЛЬТР(№-99) СИСТЕМАУПРАВЛЕНИЯ ПОВОРОТОМ И КОНЕЧНАЯ ПЕРЕДАЧА

Схема запчастей Komatsu D355A-3 - МАСЛЯНЫЙ ФИЛЬТР(№-99) СИСТЕМАУПРАВЛЕНИЯ ПОВОРОТОМ И КОНЕЧНАЯ ПЕРЕДАЧА
FIT
1:1
100%

Артикул

Название

Примечание

Количество

|$0

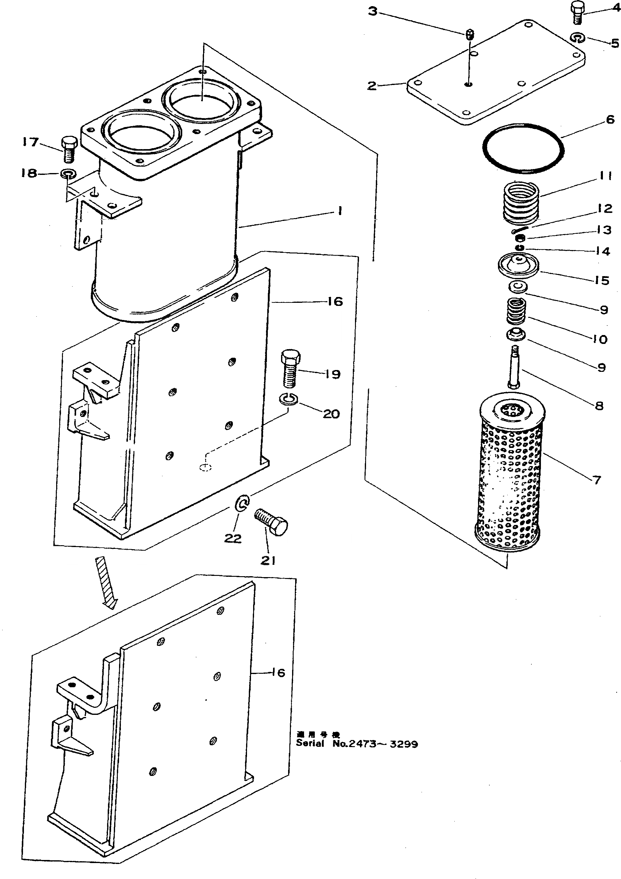
195-49-00022

FILTER ASS'Y

SN: 1117-3299

1шт.

|$1

0

FILTER ASS'Y

SN: 1010-1116

1шт.

1

195-49-11393

CASE

SN: 1117-3299

1шт.

1

195-49-11392

CASE

SN: 1010-1116

1шт.

2

195-49-11421

COVER

SN: 1117-3299

1шт.

2

195-49-11420

COVER

SN: 1010-1116

1шт.

3

07042-00108

PLUG

SN: 1010-@

1шт.

4

01010-31235

BOLT

SN: 1117-3299

6шт.

4

01010-31030

BOLT

SN: 1010-1116

6шт.

5

01602-01236

WASHER

SN: 1117-3299

6шт.

5

01602-01030

WASHER

SN: 1010-1116

6шт.

6

07000-03120

O-RING (KIT)

SN: 1010-3299

2шт.

7

175-49-11580

ELEMENT

SN: 1010-@

2шт.

8

145-49-12460

BOLT

SN: 1010-@

2шт.

9

170-14-18171

SLEEVE

SN: 1010-@

4шт.

10

170-14-18161

SPRING

SN: 1010-@

2шт.

11

6003200-4-40

SPRING

SN: 1010-@

2шт.

12

04050-01215

PIN

SN: 1010-@

2шт.

13

01590-00607

NUT

SN: 1010-@

2шт.

14

01641-00608

WASHER

SN: 1010-@

2шт.

15

175-43-14150

CAGE

SN: 1010-@

2шт.

16

195-49-12270

BRACKET

SN: 2473-3299

1шт.

16

195-49-11412

BRACKET

SN: 1010-2472

1шт.

17

01010-31230

BOLT

SN: 1010-@

6шт.

18

01602-01236

WASHER

SN: 1010-@

6шт.

19

01010-31660

BOLT

SN: 3300-@

5шт.

19

0

BOLT

SN: 1079-3299

5шт.

19

01010-31640

BOLT

SN: 1067-1078

5шт.

19

01040-31635

BOLT

SN: 1010-1066

5шт.

20

01602-01648

WASHER

SN: 1010-@

5шт.

21

01010-31640

BOLT

SN: 1167-@

6шт.

21

01040-31640

BOLT

SN: 1010-1066

6шт.

22

01602-01648

WASHER

SN: 1010-@

6шт.

Выбрано товаров: 0