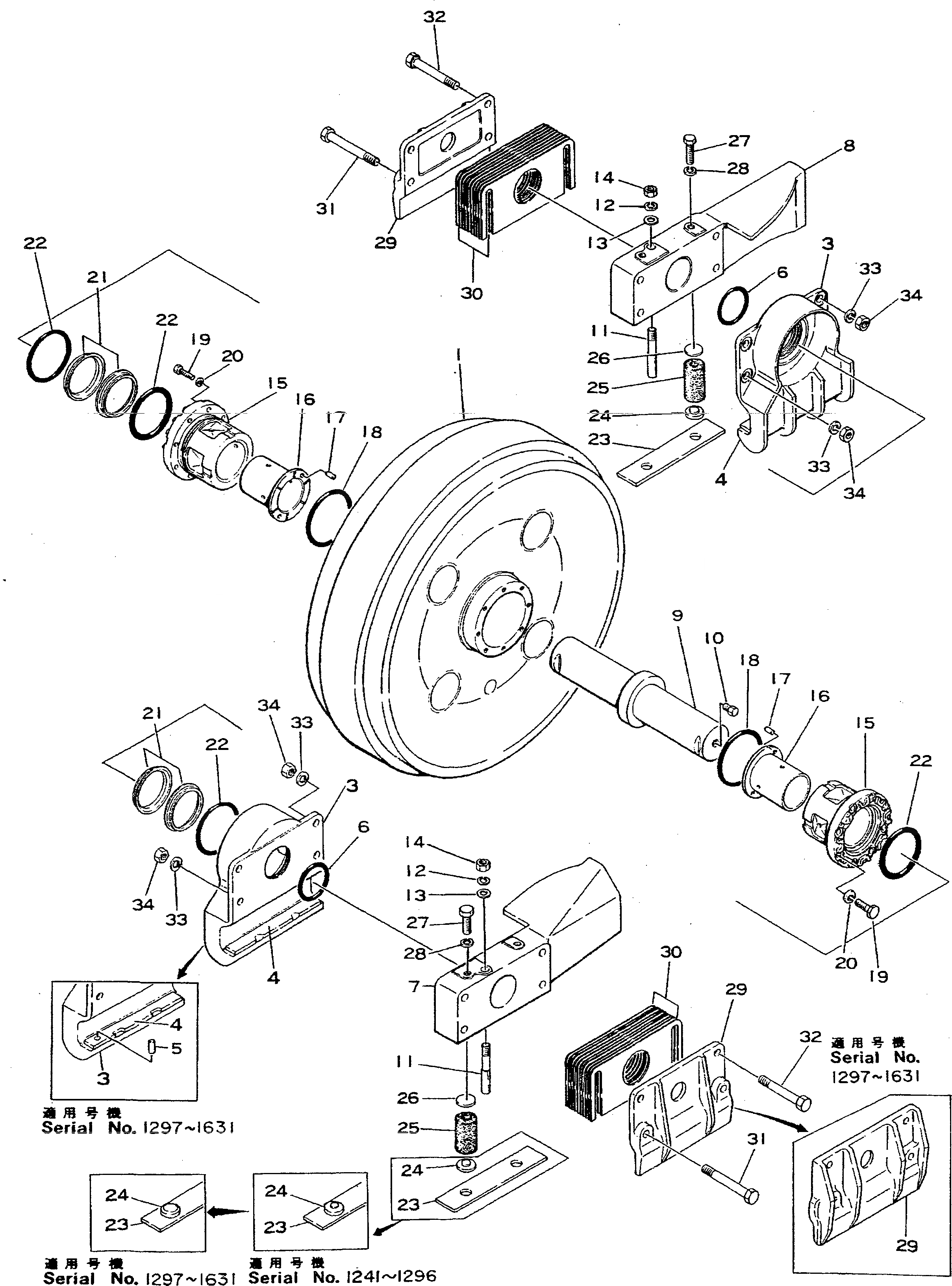
Запчасти Komatsu D355A-3 ЛЕНИВЕЦ(№-) ГУСЕНИЦЫ

Схема запчастей Komatsu D355A-3 - ЛЕНИВЕЦ(№-) ГУСЕНИЦЫ
FIT
1:1
100%

Артикул

Название

Примечание

Количество

|$0

195-30-00055

FRONT IDLER ASS'Y

SN: 1297-1631

2шт.

|$1

195-30-00054

FRONT IDLER ASS'Y

SN: 1241-1296

2шт.

|$2

195-30-00053

FRONT IDLER ASS'Y

SN: 1117-1240

2шт.

|$3

195-30-00052

FRONT IDLER ASS'Y

SN: 1067-1116

2шт.

|$4

195-30-00051

FRONT IDLER ASS'Y

SN: 1010-1066

2шт.

1

195-30-13353

IDLER

SN: 1632-@

1шт.

1

0

IDLER

SN: 1297-1631

1шт.

1

0

IDLER

SN: 1010-1296

1шт.

|$8

195-30-13143

GUIDE ASS'Y

SN: 1297-1631

2шт.

|$9

0

GUIDE ASS'Y

SN: 1010-1296

2шт.

3

0

GUIDE

SN: 1297-1631

1шт.

3

0

GUIDE

SN: 1010-1296

1шт.

4

195-30-13163

PLATE (WELDED)

SN: 1297-1631

1шт.

4

195-30-13160

PLATE (WELDED)

SN: 1010-1296

1шт.

5

04020-01638

PIN

SN: 1297-@

2шт.

6

195-30-13360

O-RING

SN: 1067-1631

2шт.

6

07000-02095

O-RING

SN: 1010-1066

2шт.

7

195-30-13115

SUPPORT

SN: 1297-1631

1шт.

7

195-30-13114

SUPPORT

SN: 1241-1296

1шт.

7

195-30-13113

SUPPORT

SN: 1117-1240

1шт.

7

195-30-13112

SUPPORT

SN: 1010-1116

1шт.

8

195-30-13125

SUPPORT

SN: 1297-1631

1шт.

8

195-30-13124

SUPPORT

SN: 1241-1296

1шт.

8

195-30-13123

SUPPORT

SN: 1117-1240

1шт.

8

195-30-13122

SUPPORT

SN: 1010-1116

1шт.

9

195-30-13250

SHAFT

SN: 1010-1631

1шт.

10

07052-11624

PLUG

SN: 1067-@

1шт.

10

07052-01624

PLUG

SN: 1010-1066

1шт.

11

170-30-13331

BOLT

SN: 1010-1631

2шт.

12

01602-01648

WASHER

SN: 1010-@

2шт.

13

01640-01626

WASHER

SN: 1010-@

2шт.

14

175-30-23180

NUT

SN: 1297-@

2шт.

14

0

NUT

SN: 1067-1296

2шт.

14

01503-31613

NUT

SN: 1010-1066

2шт.

|$34

195-30-13202

BUSHING ASS'Y

SN: 1010-@

2шт.

15

0

BUSHING

SN: 1010-@

1шт.

16

0

BUSHING

SN: 1010-@

1шт.

17

195-30-13280

PIN

SN: 1010-@

2шт.

18

07000-05140

O-RING

SN: 1010-@

2шт.

19

01010-31245

BOLT

SN: 1010-@

16шт.

20

01602-01236

WASHER

SN: 1010-@

16шт.

|$41

195-30-00300

FLOATING SEAL ASS'Y

SN: 2381-@

2шт.

|$42

0

FLOATING SEAL ASS'Y

SN: 1010-2380

2шт.

21

0

RING, SEAL

SN: 2381-@

2шт.

21

0

RING

SN: 1010-2380

2шт.

22

0

O-RING

SN: 1010-@

2шт.

|$49

195-30-17941

STRIP ASS'Y

SN: 1297-1631

4шт.

|$50

195-30-17940

STRIP ASS'Y

SN: 1241-1296

4шт.

23

195-30-17220

STRIP

SN: 1211-1631

4шт.

23

180-30-13170

STRIP

SN: 1010-1210

4шт.

24

195-30-17213

SEAT (WELDED)

SN: 1297-1631

8шт.

24

195-30-17212

SEAT (WELDED)

SN: 1241-1296

8шт.

24

195-30-17211

SEAT

SN: 1211-1240

8шт.

24

0

SEAT

SN: 1117-1210

8шт.

24

175-30-13140

SEAT

SN: 1010-1116

8шт.

25

155-30-13230

SPRING

SN: 1297-@

8шт.

25

150-30-12321

SPRING

SN: 1010-1296

8шт.

26

195-30-17960

PLATE

SN: 1297-@

8шт.

26

150-30-12310

SEAT

SN: 1010-1296

8шт.

27

195-30-17951

BOLT

SN: 1297-1631

8шт.

27

195-30-17950

BOLT

SN: 1241-1296

8шт.

27

01016-31660

BOLT

SN: 1117-1240

8шт.

27

01016-31665

BOLT

SN: 1067-1116

8шт.

27

01046-01665

BOLT

SN: 1010-1066

8шт.

28

01602-01648

WASHER

SN: 1010-1631

8шт.

29

195-30-13212

PLATE

SN: 1297-1631

4шт.

29

0

PLATE

SN: 1211-1296

4шт.

29

195-30-91110

PLATE

SN: 1010-1210

4шт.

30

195-30-13131

SHIM, 0.6MM

SN: 1010-1631

44шт.

31

195-30-13170

BOLT

SN: 1067-1631

8шт.

31

180-30-13242

BOLT

SN: 1010-1066

8шт.

32

01011-32045

BOLT

SN: 1067-1631

8шт.

32

01041-32045

BOLT

SN: 1010-1066

8шт.

33

01602-02060

WASHER

SN: 1010-1631

16шт.

34

01580-02016

NUT

SN: 1067-1631

8шт.

34

01503-32016

NUT

SN: 1010-1066

16шт.

Выбрано товаров: 76