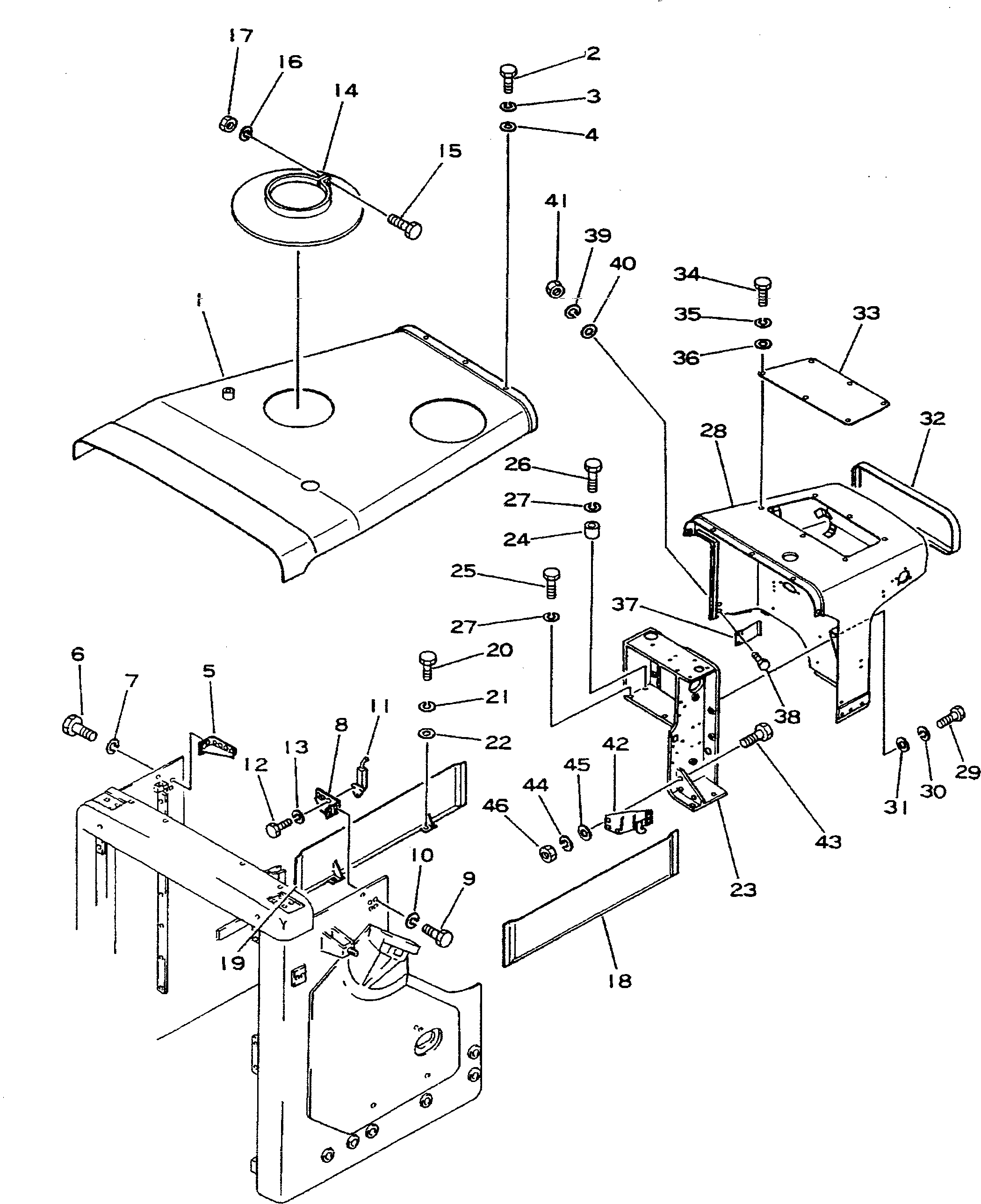
Запчасти Komatsu D355A-3 КАПОТ И ПРИБОРНАЯ ПАНЕЛЬ(№-) ЧАСТИ КОРПУСА

Схема запчастей Komatsu D355A-3 - КАПОТ И ПРИБОРНАЯ ПАНЕЛЬ(№-) ЧАСТИ КОРПУСА
FIT
1:1
100%

Артикул

Название

Примечание

Количество

1

195-54-11650

HOOD

SN: 1010-@

1шт.

1

195-54-11212

HOOD,(WITH STARTING ENGINE)

SN: 1010-@

1шт.

2

01010-31230

BOLT

SN: .-@

5шт.

2

0

BOLT

SN: 1010-.

5шт.

3

01602-01236

WASHER

SN: 1010-@

5шт.

4

01643-01232

WASHER

SN: 1010-@

5шт.

5

195-54-11480

BRACKET

SN: 1010-@

1шт.

6

01010-31235

BOLT

SN: 1010-@

4шт.

7

01602-01236

WASHER

SN: 1010-@

4шт.

8

195-54-11490

BRACKET

SN: 1010-@

1шт.

9

01010-31235

BOLT

SN: 1010-@

4шт.

10

01602-01236

WASHER

SN: 1010-@

4шт.

11

175-54-21360

CATCH ASS'Y

SN: .-@

4шт.

11

0

CATCH ASS'Y

SN: 1010-.

4шт.

12

01010-31020

BOLT

SN: 1010-@

12шт.

13

01602-01030

WASHER

SN: 1010-@

12шт.

14

195-871-2350

CAP

SN: 1010-@

1шт.

15

01010-31025

BOLT

SN: 1010-1072

1шт.

16

01602-01030

WASHER

SN: 1010-1072

1шт.

17

01580-01008

NUT

SN: 1010-1072

1шт.

18

195-54-11462

GUARD

SN: 1010-1116

1шт.

19

195-54-11472

GUARD

SN: 1010-1116

1шт.

20

01010-31640

BOLT

SN: 1067-@

4шт.

20

01040-31640

BOLT

SN: 1010-1066

4шт.

21

01643-01645

WASHER

SN: 1010-@

4шт.

22

01602-01648

WASHER

SN: 1010-@

4шт.

23

195-54-11443

BRACKET

SN: 1041-1116

1шт.

23

195-54-11442

BRACKET

SN: 1010-1040

1шт.

24

195-54-11570

SPACER

SN: 1010-1116

3шт.

25

01010-31640

BOLT

SN: 1067-1116

3шт.

25

01040-31640

BOLT

SN: 1010-1066

3шт.

26

01010-31675

BOLT

SN: 1067-1116

3шт.

26

01040-31675

BOLT

SN: 1010-1066

3шт.

27

01602-01648

WASHER

SN: 1010-@

6шт.

28

195-54-11720

DASHBOARD

SN: 1010-@

1шт.

28

195-54-11413

DASHBOARD,(WITH STARTING ENGINE)

SN: 1067-1116

1шт.

28

195-54-11412

DASHBOARD,(WITH STARTING ENGINE)

SN: 1010-1066

1шт.

29

01010-31230

BOLT

SN: 1010-@

5шт.

30

01602-01236

WASHER

SN: 1010-@

5шт.

31

01643-01232

WASHER

SN: 1010-@

5шт.

32

195-54-11451

STRIP

SN: 1010-1116

1шт.

33

195-54-11421

COVER

SN: 1010-@

1шт.

34

01010-30816

BOLT

SN: 1067-@

6шт.

34

01000-30816

BOLT

SN: 1010-1066

6шт.

35

01602-00825

WASHER

SN: 1010-@

6шт.

36

01640-00816

WASHER

SN: 1010-@

6шт.

37

195-54-11580

PLATE

SN: 1010-1116

1шт.

38

01010-31230

BOLT

SN: 1010-@

4шт.

39

01602-01236

WASHER

SN: 1010-@

4шт.

40

01643-01232

WASHER

SN: 1010-@

4шт.

41

01580-01210

NUT

SN: 1010-1116

4шт.

42

195-54-11590

BRACKET

SN: 1010-1116

1шт.

43

01010-31230

BOLT

SN: 1010-@

5шт.

44

01602-01236

WASHER

SN: 1010-@

5шт.

45

01643-01232

WASHER

SN: 1010-@

5шт.

46

01580-01210

NUT

SN: 1010-@

5шт.

Выбрано товаров: 56