Запчасти Komatsu D355A-3 МАРКИРОВКА (АНГЛ. И CZECH)(№9-) ЧАСТИ КОРПУСА

Схема запчастей Komatsu D355A-3 - МАРКИРОВКА (АНГЛ. И CZECH)(№9-) ЧАСТИ КОРПУСА
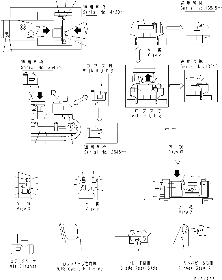
1
2
3
4
5
6
7
8
9
10
11
12
13
14
15
16
17
17
17
17
18
18
18
18
19
20
21
22
23
24
25
26
27
28
29
30
31
32
33
34
35
36
36
37
37
38
39
40
41
42
FIT
1:1
100%

Артикул

Название

Примечание

Количество

1

09650-03101

PLATE, INSTRUCTION

SN: 9001-UP

1шт.

2

09654-00300

PLATE, SAFETY

SN: 9001-UP

1шт.

3

09649-00301

PLATE, INSTRUCTION

SN: 9001-UP

1шт.

4

6128-81-4271

PLATE, OPERATING

SN: 9001-UP

1шт.

5

175-900-3340

PLATE, CAUTION

SN: 9001-UP

1шт.

6

09652-03100

PLATE, CAUTION

SN: 9001-UP

1шт.

7

09602-02643

PLATE, NAME

SN: 9001-UP

1шт.

8

01220-60408

SCREW

SN: 9001-UP

4шт.

9

09657-00300

PLATE, SAFETY

SN: 9001-UP

2шт.

10

09656-03080

PLATE, INSTRUCTION

SN: 9001-UP

1шт.

11

09655-03120

PLATE, INSTRUCTION

SN: 9001-UP

1шт.

12

09653-00300

PLATE, SAFETY

SN: 9001-UP

1шт.

13

195-98-12643

CHART, OIL

SN: 9001-UP

1шт.

14

09667-00300

PLATE, SAFETY

SN: 9001-UP

1шт.

15

09685-00002

PLATE, OPERATING

SN: 9001-UP

1шт.

16

09685-00001

PLATE, OPERATING

SN: 9001-UP

1шт.

17

195-98-15270

PLATE, MARK

SN: 13545-UP

2шт.

17

09691-43355

PLATE, MARK

SN: 9001-13544

2шт.

18

09690-B0500

PLATE, MARK

SN: 13545-UP

1шт.

18

09692-44355

PLATE, MARK

SN: 9001-13544

1шт.

19

09685-00003

PLATE, OPERATING

SN: 9001-UP

1шт.

20

09670-00004

PLATE, OPERATING

SN: 9001-UP

1шт.

20

09670-00001

PLATE, OPERATING

SN: 9001-UP

1шт.

21

09685-00001

PLATE, OPERATING

SN: 9001-UP

1шт.

22

09671-00001

PLATE, OPERATING

SN: 9001-UP

1шт.

22

09671-00002

PLATE, OPERATING

SN: 9001-UP

1шт.

23

195-98-13690

PLATE, OPERATING

SN: 9001-UP

1шт.

24

09651-00300

PLATE, SAFETY

SN: 9001-UP

1шт.

25

09679-02002

PLATE, OPERATING

SN: 9001-UP

1шт.

26

09637-03661

PLATE, INSTRUCTION

SN: 9001-UP

1шт.

27

09666-00300

PLATE, SAFETY

SN: 9001-UP

1шт.

28

175-78-62290

PLATE

SN: 9001-UP

1шт.

29

09668-00300

PLATE, SAFETY

SN: 9001-UP

1шт.

30

195-98-13540

PLATE, CAUTION

SN: 9001-UP

1шт.

31

09173-00300

PLATE, SAFETY

SN: 9001-UP

1шт.

32

09685-00002

PLATE, OPERATING

SN: 9001-UP

1шт.

33

195-98-23370

PLATE, OPERATING

SN: 9001-UP

1шт.

34

09960-61012

PLATE, MARK

SN: 9001-UP

2шт.

35

6128-82-4270

PLATE, CAUTION

SN: 9001-UP

1шт.

36

09620-03200

PLATE, NAME

SN: 9001-UP

2шт.

37

04418-13060

SCREW

SN: 9001-UP

8шт.

38

09601-02835

PLATE, NAME

SN: 9001-UP

1шт.

39

04418-13060

SCREW

SN: 9001-UP

4шт.

40

09601-02835

PLATE, NAME

SN: 9001-UP

1шт.

41

04418-13060

SCREW

SN: 9001-UP

4шт.

42

09669-0000E

PLATE, CAUTION

SN: 14430-UP

1шт.

Выбрано товаров: 46