Запчасти Komatsu D355A-3 ОСВЕЩЕНИЕ (ФИКС. 1-СТОЕЧН.) РАБОЧЕЕ ОБОРУДОВАНИЕ

Схема запчастей Komatsu D355A-3 - ОСВЕЩЕНИЕ (ФИКС. 1-СТОЕЧН.) РАБОЧЕЕ ОБОРУДОВАНИЕ
FIT
1:1
100%

Артикул

Название

Примечание

Количество

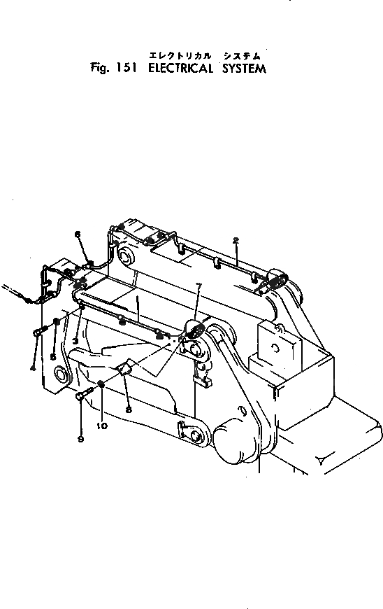
1

195-06-18310

WIRE

SN: 1010-UP

1шт.

1

08013-01007

CAP

SN: 1010-UP

2шт.

1

08014-01013

BUSHING

SN: 1010-UP

2шт.

1

08017-11026

CONDUIT

SN: 1010-UP

1шт.

1

08031-00204

TERMINAL

SN: 1010-UP

1шт.

1

08021-00400

CONNECTOR

SN: 1010-UP

1шт.

1

08019-01014

CLIP

SN: 1010-UP

2шт.

2

195-06-18320

WIRE

SN: 1010-UP

1шт.

2

08013-01007

CAP

SN: 1010-UP

2шт.

2

08014-01013

BUSHING

SN: 1010-UP

2шт.

2

08017-11037

CONDUIT

SN: 1010-UP

1шт.

2

08031-00204

TERMINAL

SN: 1010-UP

1шт.

2

08021-00400

CONNECTOR

SN: 1010-UP

1шт.

2

08019-01014

CLIP

SN: 1010-UP

2шт.

3

175-06-26150

CLAMP

SN: 1010-UP

14шт.

4

01010-31016

BOLT

SN: 1010-UP

14шт.

5

01602-01030

WASHER

SN: 1010-UP

14шт.

6

154-06-33130

CLAMP

SN: 1010-UP

3шт.

7

08128-52400

LAMP ASS'Y

SN: 1010-UP

2шт.

7

08128-50000

BODY

SN: 1010-UP

1шт.

7

08113-02480

BULB, 80W

SN: 1010-UP

1шт.

8

195-06-12130

SUPPORT

SN: 1010-UP

2шт.

9

01010-31025

BOLT

SN: 1010-UP

6шт.

10

01602-01030

WASHER

SN: 1010-UP

6шт.

Выбрано товаров: 24