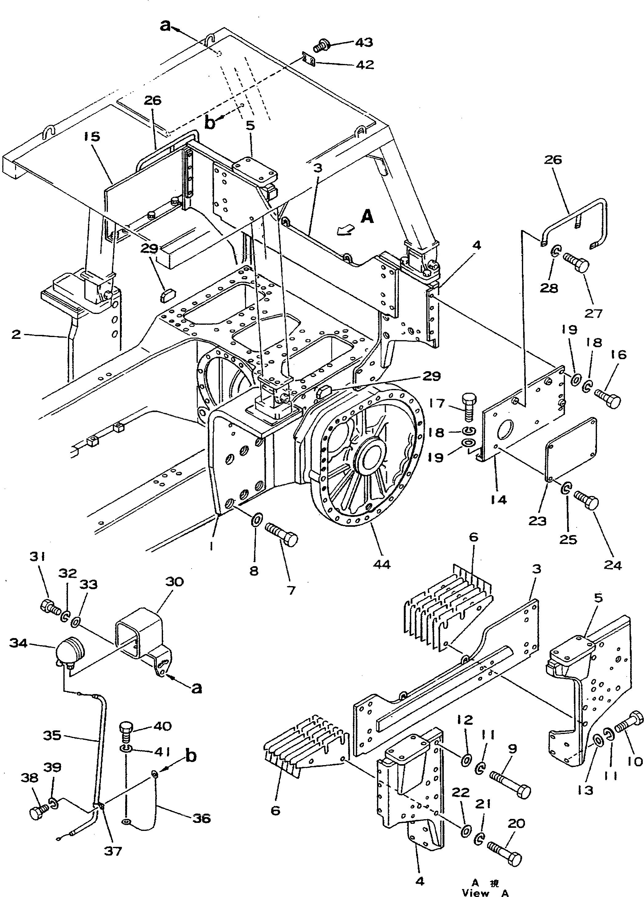
Запчасти Komatsu D355A-3 ROPS КОРПУС(№7-9) ОПЦИОННЫЕ КОМПОНЕНТЫ

Схема запчастей Komatsu D355A-3 - ROPS КОРПУС(№7-9) ОПЦИОННЫЕ КОМПОНЕНТЫ
FIT
1:1
100%

Артикул

Название

Примечание

Количество

1

195-978-1162

BRACKET

SN: 2473-@

1шт.

2

195-978-1172

BRACKET

SN: 2473-@

1шт.

3

195-978-1212

PLATE

SN: 2473-9000

1шт.

4

195-978-1182

BRACKET,L.H.

SN: 2473-9000

1шт.

5

195-978-1192

BRACKET,R.H.

SN: 2473-9000

1шт.

6

195-978-0010

SHIM ASS'Y

SN: 2473-9000

2шт.

6

195-978-1430

SHIM, 1.0MM

SN: 2473-9000

5шт.

6

195-978-1440

SHIM, 0.5MM

SN: 2473-9000

2шт.

7

01011-63000

BOLT

SN: 4665-@

12шт.

7

0

BOLT

SN: 2473-4664

12шт.

8

01643-33080

WASHER

SN: 2473-@

12шт.

9

01011-62410

BOLT

SN: 2473-9000

12шт.

10

01010-62480

BOLT

SN: 2473-9000

8шт.

11

01602-02472

WASHER

SN: 2473-9000

20шт.

12

01643-32460

WASHER

SN: 2473-9000

12шт.

13

01643-32460

WASHER

SN: 3301-9000

8шт.

13

01644-12408

WASHER

SN: 2473-3299

8шт.

14

195-978-1221

GUARD,L.H.

SN: 2473-9000

1шт.

15

195-978-1410

GUARD,R.H.

SN: 2473-9000

1шт.

16

01010-61250

BOLT

SN: 2473-9000

8шт.

17

01010-61240

BOLT

SN: 2473-9000

8шт.

18

01602-01236

WASHER

SN: 2473-9000

16шт.

19

01643-31232

WASHER

SN: 2473-9000

16шт.

20

195-978-2270

BOLT

SN: 2473-9000

8шт.

21

01601-03075

WASHER

SN: 2473-3299

8шт.

22

01643-33080

WASHER

SN: 2473-9000

8шт.

23

195-978-1420

PLATE

SN: 2473-@

1шт.

24

01010-31235

BOLT

SN: 2473-@

4шт.

25

01602-01236

WASHER

SN: 2473-@

4шт.

26

175-978-1270

HANDLE

SN: 2473-@

2шт.

27

01010-31230

BOLT

SN: 2473-@

6шт.

28

01602-01236

WASHER

SN: 2473-@

6шт.

29

195-978-1460

SEAT (WELDED)

SN: 2473-9000

2шт.

30

195-06-21931

COVER

SN: 2549-@

1шт.

31

01010-31235

BOLT

SN: 2549-@

3шт.

32

01602-01236

WASHER

SN: 2549-9000

3шт.

33

01643-31232

WASHER

SN: 2549-@

3шт.

34

08128-32400

LAMP

SN: 2449-@

1шт.

34

08113-02480

BULB, 80W

SN: 2549-@

1шт.

35

154-979-1240

WIRE ASS'Y

SN: 2549-@

1шт.

36

195-978-2280

WIRE

SN: 2549-@

1шт.

37

08036-01814

CLIP

SN: 2549-@

2шт.

38

01010-31020

BOLT

SN: 2549-@

2шт.

39

01602-01030

WASHER

SN: 2549-@

2шт.

40

01010-31235

BOLT

SN: 2549-@

2шт.

41

01602-01236

WASHER

SN: 2549-@

2шт.

42

09602-00200

PLATE, NAME

SN: 2549-@

1шт.

43

04418-03060

SCREW

SN: 2549-@

4шт.

44

195-978-2240

CASE

SN: 2549-9000

1шт.

Выбрано товаров: 49