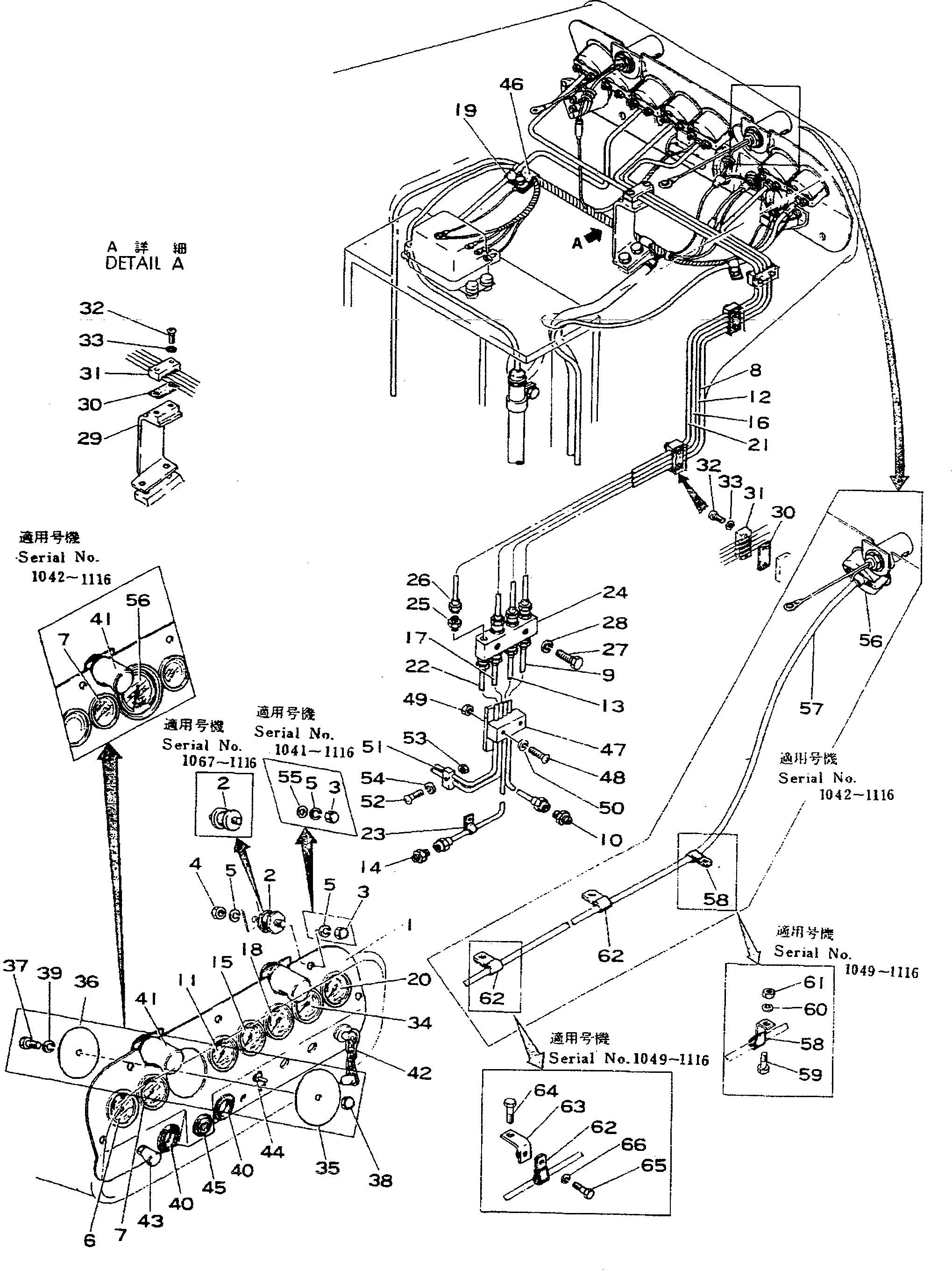
Запчасти Komatsu D355A-3 ПАНЕЛЬ ПРИБОРОВ(№-) КОМПОНЕНТЫ ДВИГАТЕЛЯ И ЭЛЕКТРИКА

Схема запчастей Komatsu D355A-3 - ПАНЕЛЬ ПРИБОРОВ(№-) КОМПОНЕНТЫ ДВИГАТЕЛЯ И ЭЛЕКТРИКА
FIT
1:1
100%

Артикул

Название

Примечание

Количество

1

195-06-13114

PANEL,INSTRUMENT

SN: 1010-1116

1шт.

2

154-06-13910

ISOLATOR

SN: 1067-@

7шт.

2

131-06-22130

CUSHION

SN: 1010-1066

7шт.

3

01546-01015

NUT

SN: 1010-@

7шт.

4

01582-01008

NUT

SN: 1010-@

7шт.

5

01602-01030

WASHER

SN: 1010-@

14шт.

6

08664-11700

GAUGE,OIL TEMPERATURE

SN: 1067-1116

1шт.

6

195-06-15590

GAUGE,OIL TEMPERATURE

SN: 1010-1066

1шт.

7

08631-22000

GAUGE,OIL TEMPERATURE

SN: 1067-1116

1шт.

7

08631-21000

GAUGE,OIL TEMPERATURE

SN: 1010-1066

1шт.

8

195-06-13142

TUBE

SN: 1010-@

1шт.

8

07200-30515

SLEEVE

SN: 1010-@

1шт.

9

195-06-13360

TUBE

SN: 1010-@

1шт.

9

07200-30515

SLEEVE

SN: 1010-@

2шт.

9

07201-50512

NUT

SN: 1010-@

2шт.

10

175-07-16100

NIPPLE ASS'Y

SN: 1010-@

1шт.

10

175-07-16110

NIPPLE

SN: 1010-@

1шт.

10

175-07-16120

PIN

SN: 1010-@

1шт.

11

08634-03500

GAUGE,OIL PRESSURE

SN: 1067-1116

1шт.

11

145-06-12151

GAUGE,OIL PRESSURE

SN: 1010-1066

1шт.

12

195-06-13171

TUBE

SN: 1010-1116

1шт.

12

07200-30515

SLEEVE

SN: 1010-1116

1шт.

13

195-06-13270

TUBE

SN: 1010-1116

1шт.

13

07200-30515

SLEEVE

SN: 1010-1116

2шт.

13

07201-50512

NUT

SN: 1010-1116

2шт.

14

175-07-16100

NIPPLE ASS'Y

SN: 1010-1116

1шт.

14

175-07-16110

NIPPLE

SN: 1010-1116

1шт.

14

175-07-16120

PIN

SN: 1010-1116

1шт.

15

08631-02000

GAUGE,OIL PRESSURE

SN: 1067-1116

1шт.

15

08631-01000

GAUGE,OIL PRESSURE

SN: 1010-1066

1шт.

16

195-06-13380

TUBE

SN: 1010-1116

1шт.

16

07200-30515

SLEEVE

SN: 1010-1116

1шт.

17

195-06-13260

TUBE

SN: 1010-@

1шт.

17

07200-30515

SLEEVE

SN: 1010-@

2шт.

17

07201-50512

NUT

SN: 1010-@

2шт.

18

08661-11000

GAUGE,WATER TEMPERATURE

SN: 1067-1116

1шт.

18

195-06-15581

GAUGE,WATER TEMPERATURE

SN: 1010-1066

1шт.

19

08036-30814

CLIP

SN: 1010-@

1шт.

20

08631-12000

GAUGE,OIL PRESSURE

SN: 1067-1116

1шт.

20

08631-11000

GAUGE,OIL PRESSURE

SN: 1010-1066

1шт.

21

195-06-13151

TUBE

SN: 1010-1116

1шт.

21

07200-30515

SLEEVE

SN: 1010-1116

1шт.

22

195-06-13280

TUBE

SN: 1010-1116

1шт.

22

07200-30515

SLEEVE

SN: 1010-1116

2шт.

22

07201-50512

NUT

SN: 1010-1116

2шт.

23

08036-30614

CLIP

SN: 1010-@

2шт.

24

195-06-13290

BLOCK

SN: 1010-1116

1шт.

25

07213-50510

CONNECTOR

SN: 1010-@

8шт.

26

07201-50512

NUT

SN: 1010-1116

4шт.

27

01010-31022

BOLT

SN: 1010-@

2шт.

28

01602-01030

WASHER

SN: 1010-@

2шт.

29

195-06-13310

BRACKET

SN: 1010-@

1шт.

30

195-06-13320

CUSHION

SN: 1010-@

4шт.

31

195-06-13330

CLAMP

SN: 1010-@

4шт.

32

01220-30420

SCREW

SN: 1010-@

8шт.

33

01601-00410

WASHER

SN: 1010-@

8шт.

34

08601-13000

AMMETER

SN: 1067-1116

1шт.

34

08601-03000

AMMETER

SN: 1010-1066

1шт.

35

195-06-13220

COVER

SN: 1010-1041

2шт.

36

195-06-13230

COVER

SN: 1010-1041

1шт.

37

01050-31020

BOLT

SN: 1010-1041

1шт.

38

01546-01015

NUT

SN: 1010-1041

1шт.

39

01602-01030

WASHER

SN: 1010-1041

1шт.

40

195-06-15541

GROMMET

SN: 1010-@

2шт.

41

195-06-13340

LAMP,INSTRUMENT PANEL

SN: 1010-@

2шт.

41

08112-02410

BULB, 10W

SN: 1010-@

1шт.

42

08085-10000

SWITCH,STARTING

SN: 1010-@

1шт.

42

08085-10001

KEY,STARTING SWITCH

SN: 1010-@

2шт.

43

08061-11000

SWITCH,LAMP

SN: 1010-@

1шт.

44

195-06-15820

SWITCH,IGNITION

SN: 1067-1116

1шт.

44

154-06-16261

SWITCH,IGNITION

SN: 1010-1066

1шт.

45

08146-02400

LAMP,PILOT

SN: 1010-1116

1шт.

46

08036-30814

CLIP

SN: 1010-@

1шт.

47

195-06-13330

CLAMP

SN: 1010-@

2шт.

48

01220-30430

SCREW

SN: 1010-@

2шт.

49

01580-00403

NUT

SN: 1067-@

2шт.

49

01500-30404

NUT

SN: 1010-1066

2шт.

50

01601-00410

WASHER

SN: 1010-@

2шт.

51

195-06-13370

CLAMP

SN: 1010-@

6шт.

52

01220-30425

SCREW

SN: 1010-@

3шт.

53

01580-00403

NUT

SN: 1067-@

3шт.

53

01500-30404

NUT

SN: 1010-1066

3шт.

54

01601-00410

WASHER

SN: 1010-@

3шт.

55

01641-01016

WASHER

SN: 1041-@

7шт.

56

175-06-35180

TACHOMETER

SN: 1042-@

1шт.

57

175-06-35150

DRIVE

SN: 1042-@

1шт.

58

195-06-13430

CLIP

SN: 1049-@

1шт.

58

08036-31210

CLIP

SN: 1042-1048

1шт.

59

01010-30820

BOLT

SN: 1067-@

1шт.

59

01000-30820

BOLT

SN: 1049-1066

1шт.

60

01602-00825

WASHER

SN: 1049-@

1шт.

61

01580-00806

NUT

SN: 1067-@

1шт.

61

01500-30807

NUT

SN: 1049-1066

1шт.

62

175-06-36130

CLAMP

SN: 1042-@

1шт.

63

195-06-13420

PLATE

SN: 1049-@

1шт.

64

01010-31440

BOLT

SN: 1067-@

1шт.

64

01040-31440

BOLT

SN: 1049-1066

1шт.

65

01010-31220

BOLT

SN: 1049-@

1шт.

66

01602-01236

WASHER

SN: 1049-@

1шт.

Выбрано товаров: 99