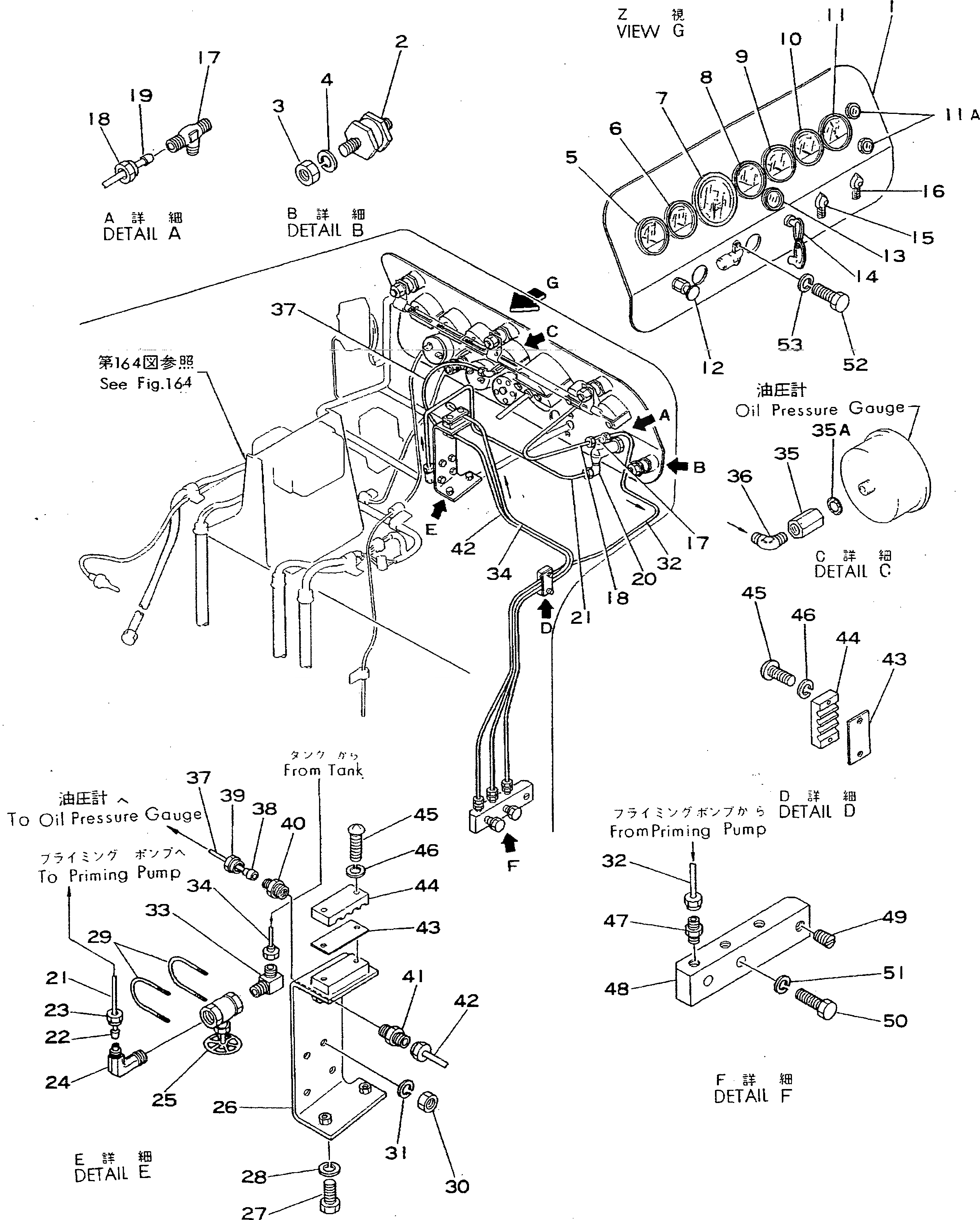
Запчасти Komatsu D355A-3 ПАНЕЛЬ ПРИБОРОВ(№-97) КОМПОНЕНТЫ ДВИГАТЕЛЯ И ЭЛЕКТРИКА

Схема запчастей Komatsu D355A-3 - ПАНЕЛЬ ПРИБОРОВ(№-97) КОМПОНЕНТЫ ДВИГАТЕЛЯ И ЭЛЕКТРИКА
FIT
1:1
100%

Артикул

Название

Примечание

Количество

1

175-06-35117

PANEL,INSTRUMENT

SN: 1632-@

1шт.

2

154-06-13910

ISOLATOR

SN: 1632-@

5шт.

3

01582-01008

NUT

SN: 1632-@

5шт.

4

01602-01030

WASHER

SN: 1632-@

5шт.

5

08642-00000

GAUGE,FUEL

SN: 1632-@

1шт.

6

08643-02000

GAUGE,PRESSURE, FUEL

SN: 1632-@

1шт.

7

175-06-35182

TACHOMETER

SN: 1632-@

1шт.

7

0

TACHOMETER

SN: 1632-@

1шт.

7

08111-02430

BULB, 3W

SN: 1632-@

1шт.

8

08643-01000

GAUGE,OIL PRESSURE

SN: 1632-@

1шт.

9

08645-11200

GAUGE,WATER TEMPERATURE

SN: 1632-@

1шт.

10

08646-12500

GAUGE,OIL TEMPERATURE

SN: 1632-@

1шт.

11

08641-05000

AMMETER

SN: 1632-@

1шт.

11A

600-815-2210

SIGNAL,HEATER

SN: 1632-@

2шт.

12

6656-81-3500

PRIMING PUMP ASS'Y

SN: 1117-1973

1шт.

13

08146-02400

LAMP,CAUTION

SN: 1632-@

1шт.

14

08086-00000

SWITCH,STARTING

SN: 1297-@

1шт.

15

175-06-35470

SWITCH,LAMP

SN: 1632-@

1шт.

16

175-06-35480

SWITCH,GLOW SIGNAL

SN: 1632-@

1шт.

17

6610-81-3711

TEE

SN: 1117-1973

1шт.

18

195-06-13490

TUBE

SN: 1117-1973

1шт.

19

07201-50512

NUT

SN: 1117-1973

1шт.

20

22-405367-01

ELBOW

SN: 1297-1973

1шт.

21

07822-00405

TUBE

SN: 1632-1973

1шт.

22

07831-00411

SLEEVE

SN: 1632-1973

2шт.

23

07832-00410

NUT

SN: 1632-1973

2шт.

24

175-892-8490

ELBOW

SN: 1297-1973

1шт.

25

07700-20502

VALVE

SN: 1117-1973

1шт.

26

195-06-13311

BRACKET

SN: 1632-@

1шт.

27

01010-30616

BOLT

SN: 1010-@

2шт.

28

01602-00619

WASHER

SN: 1010-@

2шт.

29

195-01-13260

CLIP

SN: 1117-1973

2шт.

30

01598-00608

NUT

SN: 1117-1973

4шт.

31

01640-00610

WASHER

SN: 1117-1973

4шт.

32

195-06-13360

TUBE

SN: 1632-1973

1шт.

33

195-837-1370

ELBOW

SN: 1297-1973

1шт.

34

195-06-13460

TUBE

SN: 1117-1973

1шт.

35

0

NIPPLE

SN: 1632-1973

1шт.

|$$39

(175-890-6392,177-06-11291)

-1шт.

35A

0

SEAT

SN: 1632-1973

1шт.

|$$41

(177-06-11291,175-890-6392)

-1шт.

36

07834-00410

ELBOW

SN: 1632-@

1шт.

37

07822-00403

TUBE

SN: 1632-@

1шт.

38

07831-00411

SLEEVE

SN: 1632-@

2шт.

39

07832-00410

NUT

SN: 1632-@

2шт.

40

07836-00410

CONNECTOR

SN: 1632-@

1шт.

41

07213-50510

CONNECTOR

SN: 1632-@

1шт.

42

195-06-13260

TUBE

SN: 1632-@

1шт.

43

195-06-13320

CUSHION

SN: 1297-1973

2шт.

44

195-06-13330

CLAMP

SN: 1297-1973

2шт.

45

01220-30420

SCREW

SN: 1297-1973

4шт.

46

01601-00410

WASHER

SN: 1297-1973

4шт.

47

07213-50510

CONNECTOR

SN: 1297-1973

6шт.

48

195-06-13570

BLOCK

SN: 1117-@

1шт.

49

07043-00108

PLUG

SN: 1117-@

1шт.

50

01010-31020

BOLT

SN: 1632-@

2шт.

51

01602-01030

WASHER

SN: 1010-@

2шт.

52

01010-30610

BOLT

SN: 1632-@

2шт.

53

01602-00619

WASHER

SN: 1117-@

2шт.

Выбрано товаров: 59