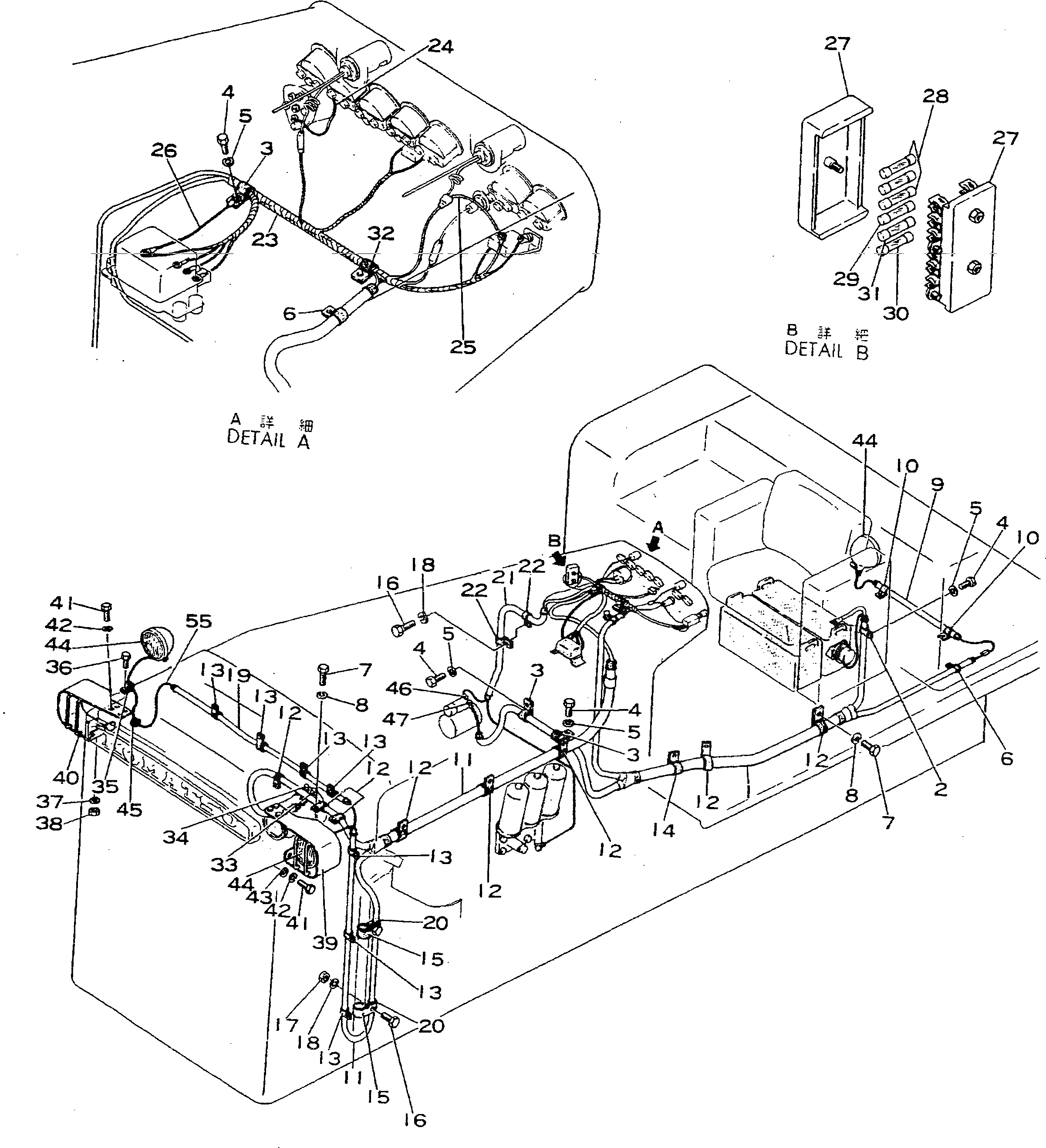
Запчасти Komatsu D355A-3 ЭЛЕКТРИКА(№-) КОМПОНЕНТЫ ДВИГАТЕЛЯ И ЭЛЕКТРИКА

Схема запчастей Komatsu D355A-3 - ЭЛЕКТРИКА(№-) КОМПОНЕНТЫ ДВИГАТЕЛЯ И ЭЛЕКТРИКА
FIT
1:1
100%

Артикул

Название

Примечание

Количество

1

195-06-18130

WIRE ASS'Y

SN: 1010-1116

1шт.

2

175-06-26140

CLAMP

SN: 1010-@

1шт.

3

175-06-26150

CLAMP

SN: 1010-@

3шт.

4

01010-31020

BOLT

SN: 1010-@

4шт.

5

01602-01030

WASHER

SN: 1010-@

4шт.

6

154-06-33130

CLAMP

SN: 1010-@

2шт.

7

01010-31218

BOLT

SN: 1010-1116

2шт.

8

01602-01236

WASHER

SN: 1010-@

2шт.

9

195-06-18220

WIRE ASS'Y

SN: 1010-@

1шт.

10

154-06-33130

CLAMP

SN: 1010-@

2шт.

11

195-06-18121

WIRE ASS'Y

SN: 1067-1116

1шт.

11

195-06-18120

WIRE ASS'Y

SN: 1010-1066

1шт.

12

154-06-33140

CLAMP

SN: 1010-@

12шт.

13

154-06-33130

CLAMP

SN: 1010-@

7шт.

14

195-06-13350

CLAMP

SN: 1010-@

1шт.

15

195-06-18280

CLAMP

SN: 1010-1116

2шт.

16

01010-31218

BOLT

SN: 1010-1116

3шт.

17

01580-01210

NUT

SN: 1010-1116

2шт.

18

01602-01236

WASHER

SN: 1010-@

3шт.

19

195-06-18161

WIRE ASS'Y

SN: 1067-@

1шт.

19

195-06-18160

WIRE ASS'Y

SN: 1010-1066

1шт.

20

154-06-33130

CLAMP

SN: 1010-@

2шт.

21

195-06-18110

WIRE ASS'Y

SN: 1010-1116

1шт.

22

154-06-33140

CLAMP

SN: 1010-@

2шт.

23

195-06-18150

WIRE ASS'Y

SN: 1010-1116

1шт.

24

195-06-18210

WIRE

SN: 1010-@

1шт.

25

195-06-18170

WIRE ASS'Y

SN: 1010-@

1шт.

26

195-06-18190

WIRE

SN: 1010-@

1шт.

27

195-06-15531

BOX,FUSE

SN: 1067-@

1шт.

27

195-06-15530

BOX,FUSE

SN: 1010-1066

1шт.

28

08040-01000

FUSE, 10A

SN: 1010-@

3шт.

29

08040-02000

FUSE, 20A

SN: 1010-@

1шт.

30

08040-03000

FUSE, 30A

SN: 1010-@

1шт.

31

08040-04000

FUSE, 40A

SN: 1010-@

1шт.

32

08036-31214

CLIP

SN: 1010-1116

1шт.

33

08038-10519

CAP

SN: 1010-1116

1шт.

34

08038-10518

CAP

SN: 1010-1116

1шт.

35

08036-30614

CLIP

SN: 1010-@

2шт.

36

01010-31020

BOLT

SN: 1010-@

2шт.

37

01602-01030

WASHER

SN: 1010-@

2шт.

38

01580-01008

NUT

SN: 1010-1116

2шт.

39

195-06-15560

COVER

SN: 1010-@

1шт.

40

195-06-15570

COVER

SN: 1010-@

1шт.

41

01010-31235

BOLT

SN: 1010-@

12шт.

42

01602-01236

WASHER

SN: 1010-@

12шт.

43

01643-01232

WASHER

SN: 1010-@

4шт.

44

08128-32400

LAMP

SN: 1010-1116

3шт.

45

154-06-13870

GROMMET

SN: 1010-@

2шт.

46

08038-16031

CAP

SN: 1010-1116

1шт.

47

08038-10519

CAP

SN: 1010-1116

1шт.

55

195-06-18291

WIRE ASS'Y

SN: 1067-@

1шт.

55

195-06-18290

WIRE ASS'Y

SN: 1010-1066

1шт.

Выбрано товаров: 0