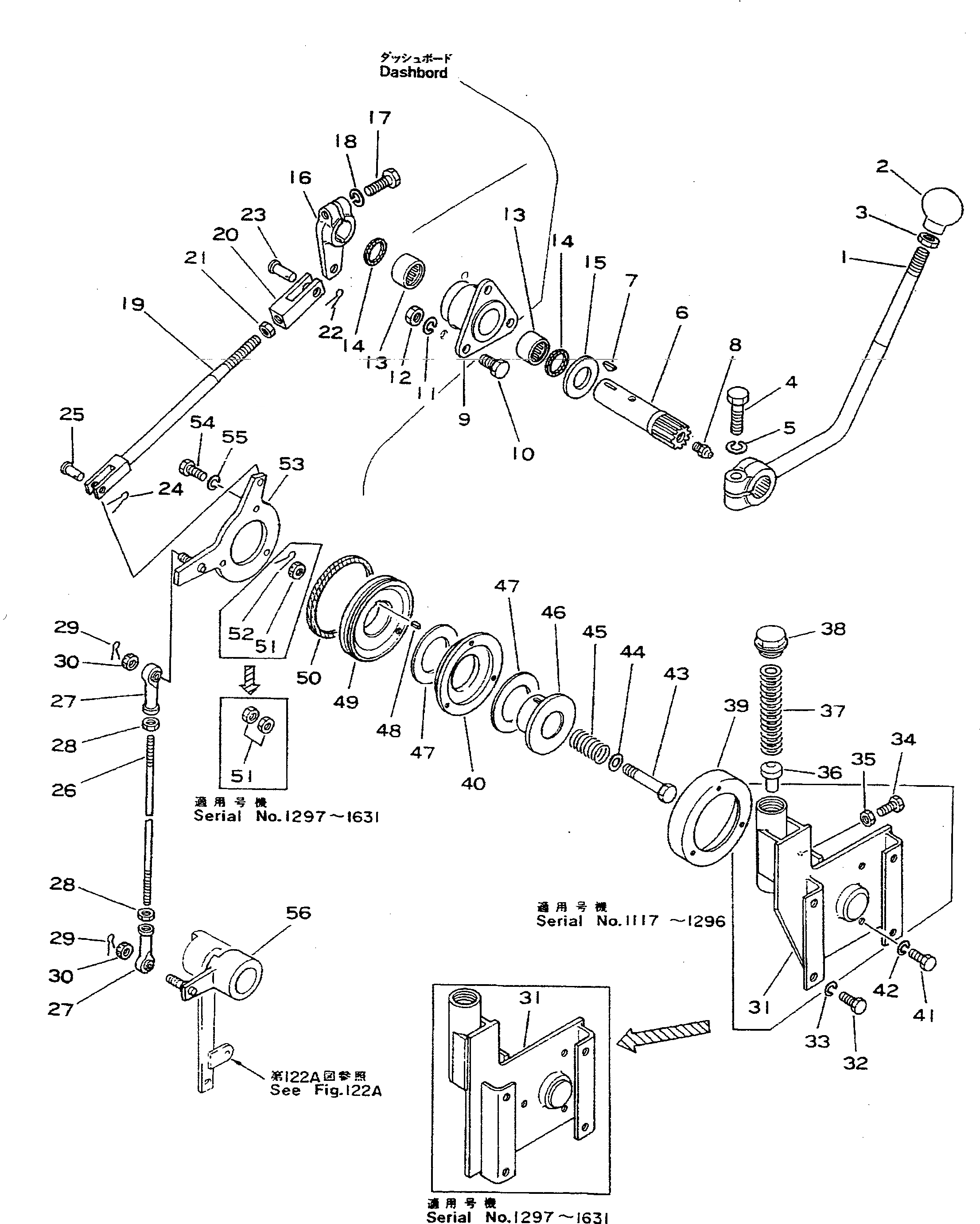
Запчасти Komatsu D355A-3 РЫЧАГ УПРАВЛ-Я ПОДАЧЕЙ ТОПЛИВА(№7-) КОМПОНЕНТЫ ДВИГАТЕЛЯ И ЭЛЕКТРИКА

Схема запчастей Komatsu D355A-3 - РЫЧАГ УПРАВЛ-Я ПОДАЧЕЙ ТОПЛИВА(№7-) КОМПОНЕНТЫ ДВИГАТЕЛЯ И ЭЛЕКТРИКА
FIT
1:1
100%

Артикул

Название

Примечание

Количество

1

195-43-15112

LEVER

SN: 1067-1631

1шт.

2

09304-01250

KNOB

SN: 1010-@

1шт.

3

01582-01210

NUT

SN: 1010-1631

1шт.

4

01010-31245

BOLT

SN: 1010-1631

1шт.

5

01602-01236

WASHER

SN: 1010-@

1шт.

6

195-43-15121

SHAFT

SN: 1010-1631

1шт.

7

04010-00519

KEY

SN: 1010-@

1шт.

8

07020-00000

FITTING

SN: 1010-@

1шт.

9

195-43-15131

BRACKET

SN: 1010-1631

1шт.

10

01010-31025

BOLT

SN: 1010-@

3шт.

11

01602-01030

WASHER

SN: 1010-@

3шт.

12

01580-01008

NUT

SN: 1010-1631

3шт.

13

06120-02520

BEARING

SN: 1010-@

2шт.

14

06122-02504

SEAL

SN: 1010-@

2шт.

15

195-43-12370

WASHER

SN: 1010-1631

1шт.

16

195-43-16790

LEVER

SN: 1010-1631

1шт.

17

01010-31035

BOLT

SN: 1010-@

1шт.

18

01602-01030

WASHER

SN: 1010-@

1шт.

19

195-43-15234

ROD

SN: 1297-1631

1шт.

19

195-43-15233

ROD

SN: 1117-1296

1шт.

20

04211-01055

YOKE

SN: 1010-@

1шт.

21

01582-01008

NUT

SN: 1010-@

1шт.

22

04050-03015

PIN

SN: 1010-1631

1шт.

23

04205-01028

PIN

SN: 1010-1631

1шт.

24

04050-02012

PIN

SN: 1010-1631

1шт.

25

04205-00822

PIN

SN: 1010-1631

1шт.

26

04245-00845

ROD

SN: 1117-1631

1шт.

27

04250-40847

END

SN: 1117-1631

2шт.

28

01580-00806

NUT

SN: 1067-1631

2шт.

29

04050-02015

PIN

SN: 1117-1631

2шт.

30

01590-00809

NUT

SN: 1117-1631

2шт.

31

195-43-15832

CASE

SN: 1297-1631

1шт.

31

195-43-15831

CASE

SN: 1117-1296

1шт.

32

01010-30816

BOLT

SN: 1117-1631

4шт.

33

01602-00825

WASHER

SN: 1117-1631

4шт.

34

01010-30620

BOLT

SN: 1010-1631

1шт.

35

01580-00605

NUT

SN: 1010-1631

1шт.

36

175-43-34210

PIN

SN: 1117-1631

1шт.

37

175-43-34330

SPRING

SN: 1117-1631

1шт.

38

07041-13012

PLUG

SN: 1117-1631

1шт.

39

130-43-18120

COVER

SN: 1010-1631

1шт.

40

110-43-15162

PLATE

SN: 1010-1631

1шт.

41

01010-30616

BOLT

SN: 1010-@

3шт.

42

01602-00619

WASHER

SN: 1010-@

3шт.

43

195-43-18990

BOLT

SN: 1297-1631

1шт.

43

01052-31065

BOLT

SN: 1010-1296

1шт.

44

01640-01016

WASHER

SN: 1010-1631

1шт.

45

130-43-18132

SPRING

SN: 1010-1631

1шт.

46

131-43-28130

CAP

SN: 1010-@

1шт.

47

110-43-15171

PLATE

SN: 1010-@

2шт.

48

04000-00512

KEY

SN: 1010-@

1шт.

49

175-43-18210

COVER

SN: 1010-1631

1шт.

50

110-43-15181

SEAL

SN: 1010-1631

1шт.

51

01580-01008

NUT

SN: 1297-1631

2шт.

51

01593-01008

NUT

SN: 1010-1296

1шт.

52

04050-02018

PIN

SN: 1010-1296

1шт.

53

195-43-15842

PLATE

SN: 1117-1631

1шт.

54

01010-30616

BOLT

SN: 1010-1631

3шт.

55

01602-00619

WASHER

SN: 1010-@

3шт.

56

195-43-15332

LEVER

SN: 1117-1631

1шт.

56

04251-00810

PIN

SN: 1117-1631

1шт.

Выбрано товаров: 61