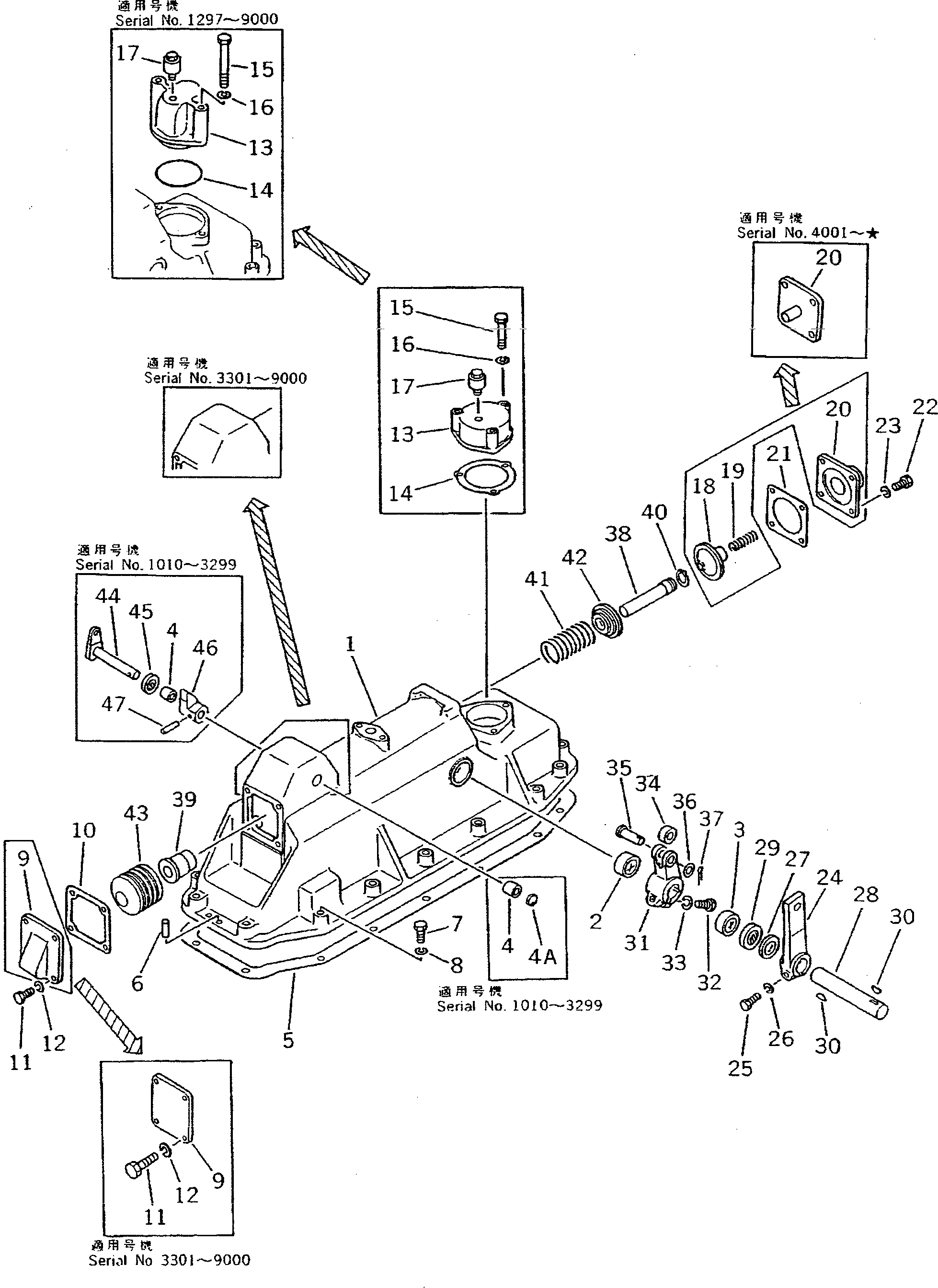
Запчасти Komatsu D355A-3 УСИЛИТЕЛЬ ТОРМОЗА(№-9) СИСТЕМАУПРАВЛЕНИЯ ПОВОРОТОМ И КОНЕЧНАЯ ПЕРЕДАЧА

Схема запчастей Komatsu D355A-3 - УСИЛИТЕЛЬ ТОРМОЗА(№-9) СИСТЕМАУПРАВЛЕНИЯ ПОВОРОТОМ И КОНЕЧНАЯ ПЕРЕДАЧА
FIT
1:1
100%

Артикул

Название

Примечание

Количество

|1

195-33-00052

BRAKE HOUSING ASS'Y,L.H.

SN: 3301-9000

1шт.

|1

195-33-00051

BRAKE HOUSING ASS'Y,L.H.

SN: 1297-3299

1шт.

|1

195-33-00050

BRAKE HOUSING ASS'Y,L.H.

SN: 1010-1296

1шт.

|1

195-33-00062

BRAKE HOUSING ASS'Y,R.H.

SN: 3301-9000

1шт.

|1

195-33-00061

BRAKE HOUSING ASS'Y,R.H.

SN: 1297-3299

1шт.

|1

195-33-00060

BRAKE HOUSING ASS'Y,R.H.

SN: 1010-1296

1шт.

1

0

HOUSING,R.H.

SN: 3301-9000

1шт.

|1

0

HOUSING,R.H.

SN: 1297-3299

1шт.

|1

0

HOUSING,R.H.

SN: 1010-1296

1шт.

|1

0

HOUSING,L.H.

SN: 3301-9000

1шт.

|1

0

HOUSING,L.H.

SN: 1297-3299

1шт.

|1

0

HOUSING,L.H.

SN: 1010-1296

1шт.

2

170-33-13290

BUSHING

SN: 1010-9000

1шт.

3

170-33-13450

BUSHING

SN: 1010-@

1шт.

4

170-33-13420

BUSHING

SN: 1010-3299

2шт.

4A

07046-02220

PLUG

SN: 1010-3299

1шт.

5

170-33-13131

GASKET,L.H.

SN: 1010-@

1шт.

|5

170-33-13141

GASKET,R.H.

SN: 1010-@

1шт.

6

04020-01228

PIN

SN: 1010-@

4шт.

7

01010-31265

BOLT

SN: 1010-9000

36шт.

8

01602-01236

WASHER

SN: 1010-@

36шт.

9

170-33-13151

COVER

SN: 3301-9000

2шт.

|9

170-33-13150

COVER

SN: 1010-3300

2шт.

10

170-33-13160

GASKET

SN: 1010-9000

2шт.

11

01010-31030

BOLT

SN: 1010-@

8шт.

12

01602-01030

WASHER

SN: 1010-@

8шт.

13

195-33-11261

COVER

SN: 1297-9000

2шт.

|13

170-33-13171

COVER

SN: 1010-1296

2шт.

14

07000-02085

O-RING

SN: 1297-@

2шт.

|14

170-33-13181

GASKET

SN: 1010-1296

2шт.

15

01010-31090

BOLT

SN: 1297-@

4шт.

|15

01010-30860

BOLT

SN: 1067-1296

6шт.

|15

01000-30855

BOLT

SN: 1010-1066

6шт.

16

01602-01030

WASHER

SN: 1297-@

4шт.

|16

01602-00825

WASHER

SN: 1010-1296

6шт.

17

07030-00252

BREATHER

SN: 1010-@

2шт.

18

170-33-13210

STOPPER

SN: 1010-4000

2шт.

19

170-33-13220

SPRING

SN: 1010-4000

2шт.

20

195-33-11340

COVER

SN: 4001-@

2шт.

|20

170-33-13230

COVER

SN: 1010-4000

2шт.

21

170-33-13240

GASKET

SN: 1010-@

2шт.

22

01010-31030

BOLT

SN: 1010-@

8шт.

23

01602-01030

WASHER

SN: 1010-@

8шт.

24

195-33-11141

LEVER

SN: 3301-9000

2шт.

|24

195-33-11140

LEVER

SN: 1010-3299

2шт.

25

01010-31245

BOLT

SN: 1010-@

2шт.

26

01602-01236

WASHER

SN: 1010-@

2шт.

27

175-804-1140

COLLAR

SN: 1010-9000

2шт.

28

195-33-11310

SHAFT,L.H.

SN: 3301-@

1шт.

|28

170-33-13270

SHAFT,L.H.

SN: 1010-3299

1шт.

|28

195-33-11320

SHAFT,R.H.

SN: 3301-9000

1шт.

|28

170-33-13280

SHAFT,R.H.

SN: 1010-3299

1шт.

29

130-09-11850

SEAL

SN: 1010-9000

2шт.

30

04010-00732

KEY

SN: 3301-9000

4шт.

|30

04010-00722

KEY

SN: 1010-3299

4шт.

31

170-33-13321

LEVER

SN: 1010-9000

2шт.

32

01010-31245

BOLT

SN: 1010-@

2шт.

33

01602-01236

WASHER

SN: 1010-@

2шт.

34

170-33-13330

ROLLER

SN: 1010-@

2шт.

35

04205-01642

PIN

SN: 1010-@

2шт.

36

01641-01626

WASHER

SN: 1010-@

2шт.

37

04050-04025

PIN

SN: 1010-@

2шт.

38

195-33-11170

VALVE

SN: 1010-9000

2шт.

39

195-33-11180

BUSHING

SN: 1010-9000

2шт.

40

04064-02512

RING

SN: 1010-@

2шт.

41

170-33-13370

SPRING

SN: 1010-@

2шт.

42

170-33-13380

RETAINER

SN: 1010-9000

2шт.

43

170-33-13390

PISTON

SN: 1010-9000

2шт.

44

170-33-13415

SHAFT

SN: 1010-3299

2шт.

45

130-09-11590

SEAL

SN: 1010-3299

2шт.

46

170-33-13442

POLE

SN: 1010-3299

2шт.

47

04025-00540

PIN

SN: 1010-3299

2шт.

Выбрано товаров: 0