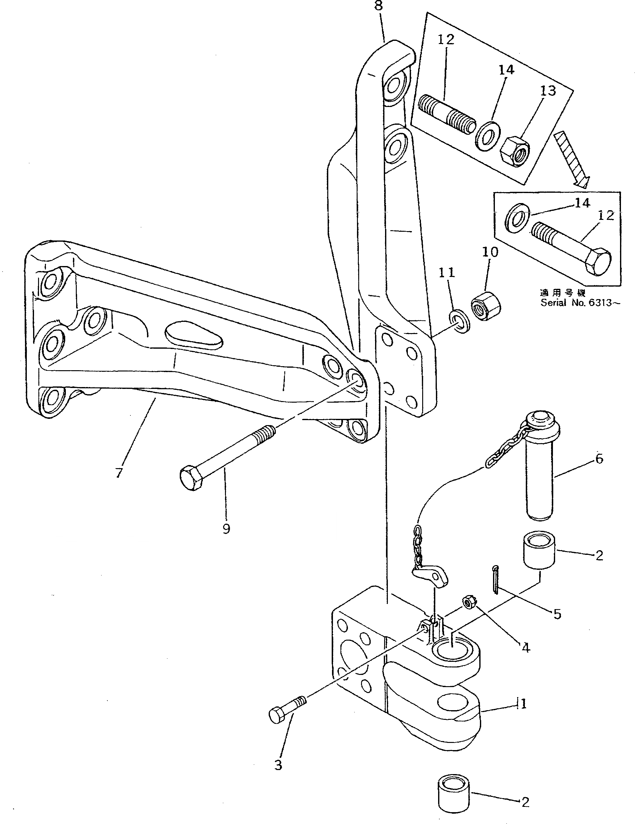
Запчасти Komatsu D355A-3 СЦЕПНОЕ УСТРОЙСТВО(№-) ЧАСТИ КОРПУСА

Схема запчастей Komatsu D355A-3 - СЦЕПНОЕ УСТРОЙСТВО(№-) ЧАСТИ КОРПУСА
FIT
1:1
100%

Артикул

Название

Примечание

Количество

|1

175-69-00012

DRAWBAR ASS'Y

SN: 3301-UP

1шт.

1

175-69-21212

DRAWBAR

SN: 3301-UP

1шт.

2

195-69-11230

BUSHING

SN: 1010-UP

2шт.

3

01052-31675

BOLT

SN: 3301-UP

1шт.

4

01592-01619

NUT

SN: 1067-UP

1шт.

5

04050-04030

PIN

SN: 1010-UP

1шт.

6

195-69-11226

PIN ASS'Y

SN: 6522-UP

1шт.

|6

0

PIN ASS'Y

SN: 3301-6521

1шт.

7

195-69-11112

BRACKET

SN: 1632-UP

1шт.

8

195-69-11122

BRACKET

SN: 1632-UP

1шт.

9

170-69-11143

BOLT

SN: 1010-UP

4шт.

10

01580-03326

NUT

SN: 1010-UP

4шт.

11

01643-33380

WASHER

SN: 6313-UP

4шт.

|11

01601-03382

WASHER

SN: 1010-6312

4шт.

12

01018-33995

BOLT

SN: 6313-UP

10шт.

|12

195-78-11270

STUD

SN: 1010-6312

10шт.

13

195-69-11131

NUT

SN: 1007-6312

10шт.

14

195-69-11140

WASHER

SN: 1010-UP

10шт.

Выбрано товаров: 18