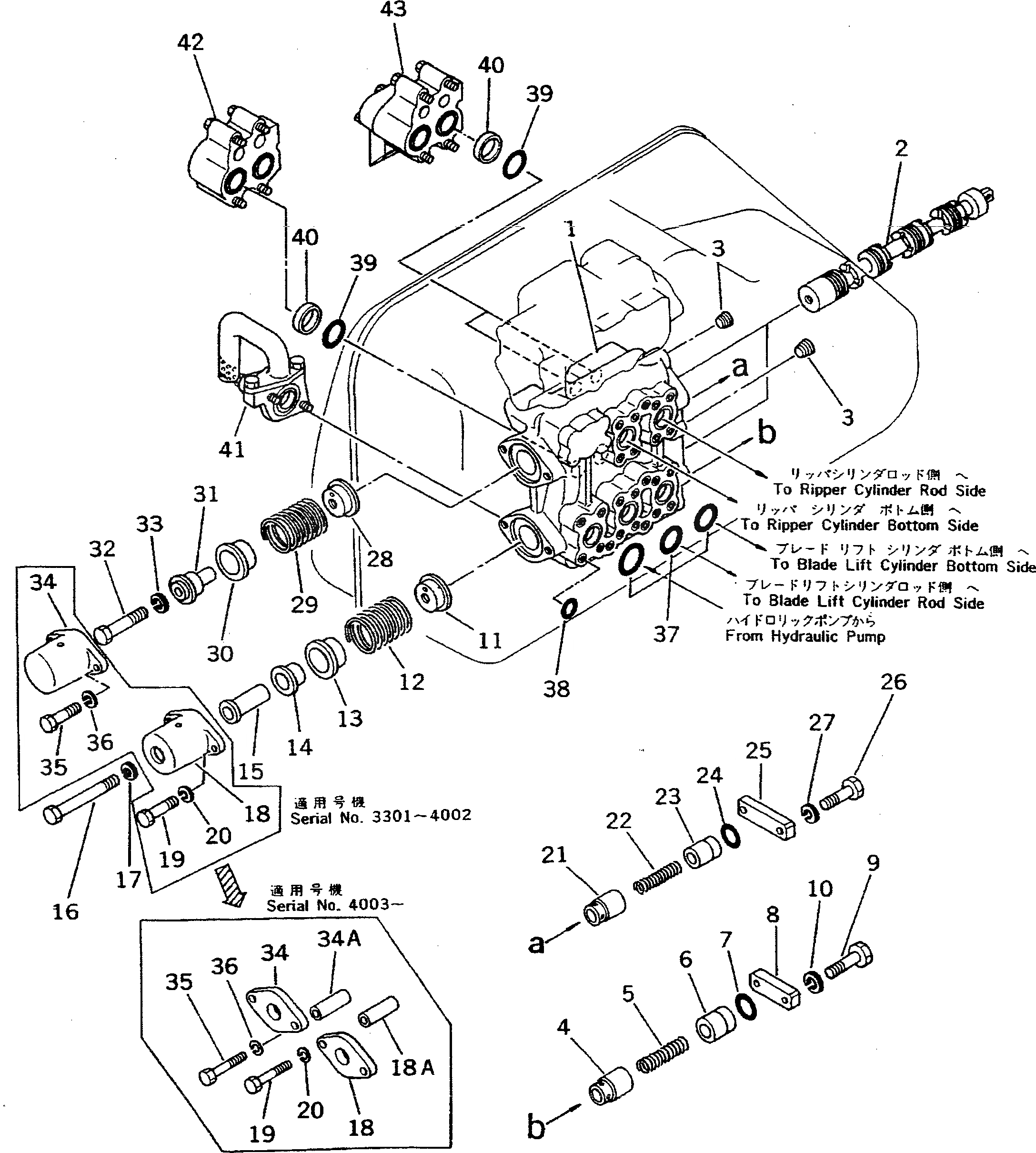
Запчасти Komatsu D355A-3 ПОДЪЕМ. ОТВАЛА И УПРАВЛ-Е РЫХЛИТЕЛЕМ VAVLE(№-) УПРАВЛ-Е РАБОЧИМ ОБОРУДОВАНИЕМ

Схема запчастей Komatsu D355A-3 - ПОДЪЕМ. ОТВАЛА И УПРАВЛ-Е РЫХЛИТЕЛЕМ VAVLE(№-) УПРАВЛ-Е РАБОЧИМ ОБОРУДОВАНИЕМ
FIT
1:1
100%

Артикул

Название

Примечание

Количество

|1

195-60-13005

HYDRAULIC TANK ASS'Y

SN: 13664-UP

1шт.

|1

0

HYDRAULIC TANK ASS'Y

SN: 9001-13663

1шт.

|1

0

HYDRAULIC TANK ASS'Y

SN: 4001-9000

1шт.

|1

0

HYDRAULIC TANK ASS'Y

SN: 3301-4000

1шт.

|$$5

THESE ASSEMBLIES CONSIST OF ALL PARTS SHOWN IN FIGS.611B TO 625A

-1шт.

|1

701-43-24002

VALVE ASS'Y

SN: 5001-UP

1шт.

|1

0

VALVE ASS'Y

SN: 4001-5000

1шт.

|1

0

VALVE ASS'Y

SN: 3301-4000

1шт.

|1

701-43-41002

VALVE BODY ASS'Y

SN: 5001-UP

1шт.

|1

0

VALVE BODY ASS'Y

SN: 4001-5000

1шт.

|1

0

VALVE BODY ASS'Y

SN: 3301-4000

1шт.

|1

701-43-00015

BODY SUB ASS'Y

SN: 5001-UP

1шт.

|1

701-43-00014

BODY SUB ASS'Y

SN: 1632-5000

1шт.

1

0

BODY

SN: 5001-UP

1шт.

|1

0

BODY

SN: 1632-5000

1шт.

2

0

SPOOL

SN: 5001-UP

2шт.

|2

0

SPOOL

SN: 1632-5000

2шт.

3

07042-00415

PLUG

SN: 1010-UP

2шт.

4

701-43-31420

VALVE

SN: 1632-UP

1шт.

5

701-53-31130

SPRING

SN: 1010-UP

1шт.

6

701-43-33130

SEAT

SN: 1632-UP

1шт.

7

07000-13035

O-RING

SN: 1632-UP

1шт.

8

701-53-31160

PLATE

SN: 1010-UP

1шт.

9

01010-31445

BOLT

SN: 1010-UP

2шт.

10

20D-14-11510

WASHER

SN: 9001-UP

2шт.

|10

0

WASHER

SN: 1010-9000

2шт.

11

701-43-31181

SPACER

SN: 1632-UP

1шт.

12

701-43-31221

SPRING

SN: 1632-UP

1шт.

13

701-43-31191

SPACER

SN: 1632-UP

1шт.

14

701-43-31211

COLLAR

SN: 3301-UP

1шт.

15

701-43-31440

COLLAR

SN: 3301-UP

1шт.

16

01010-31295

BOLT

SN: 3301-UP

1шт.

17

01643-51232

WASHER

SN: 9001-UP

1шт.

|17

0

WASHER

SN: 1010-9000

1шт.

18

701-43-31460

PLATE

SN: 4001-UP

1шт.

|18

0

CASE

SN: 3301-4000

1шт.

|$$37

(701-43-31460{701-43-31470(2)¤}

-1шт.

|$$38

01011-31215(2))

-1шт.

18A

701-43-31470

COLLAR

SN: 4001-UP

2шт.

19

01011-31215

BOLT

SN: 4001-UP

2шт.

|19

01252-31252

BOLT

SN: 1632-4000

2шт.

20

01643-51232

WASHER

SN: 9001-UP

2шт.

|20

0

WASHER

SN: 1010-9000

2шт.

21

701-43-31420

VALVE

SN: 1632-UP

1шт.

22

701-53-31130

SPRING

SN: 1010-UP

1шт.

23

701-43-33130

SEAT

SN: 1632-UP

1шт.

24

07000-13035

O-RING

SN: 1632-UP

1шт.

25

701-53-31160

PLATE

SN: 1632-UP

1шт.

26

01010-31445

BOLT

SN: 1010-UP

2шт.

27

20D-14-11510

WASHER

SN: 9001-UP

2шт.

|27

0

WASHER

SN: 1010-9000

2шт.

28

701-43-31181

SPACER

SN: 1632-UP

1шт.

29

701-43-31221

SPRING

SN: 1632-UP

1шт.

30

701-43-31191

SPACER

SN: 1632-UP

1шт.

31

701-43-31291

COLLAR

SN: 3301-UP

1шт.

32

01010-31290

BOLT

SN: 1632-UP

1шт.

33

01643-51232

WASHER

SN: 9001-UP

1шт.

|33

0

WASHER

SN: 1010-9000

1шт.

34

701-43-31460

PLATE

SN: 4001-UP

1шт.

|34

0

CASE

SN: 1632-4000

1шт.

|$$61

(701-43-31460{701-43-31470(2)¤}

-1шт.

|$$62

01011-31215(2))

-1шт.

34A

701-43-31470

COLLAR

SN: 4001-UP

2шт.

35

01011-31215

BOLT

SN: 1632-4000

2шт.

36

01643-51232

WASHER

SN: 9001-UP

2шт.

|36

0

WASHER

SN: 1010-9000

2шт.

37

701-51-31250

O-RING

SN: 1632-UP

5шт.

38

07000-02015

O-RING

SN: 1632-UP

25шт.

39

07000-13035

O-RING

SN: 1632-UP

4шт.

40

701-40-61180

RING

SN: 1632-UP

4шт.

41

701-40-51002

VALVE ASS'Y

SN: 1632-UP

1шт.

42

701-40-62002

VALVE ASS'Y

SN: 1632-UP

1шт.

43

701-40-61002

VALVE ASS'Y

SN: 1632-UP

1шт.

Выбрано товаров: 73