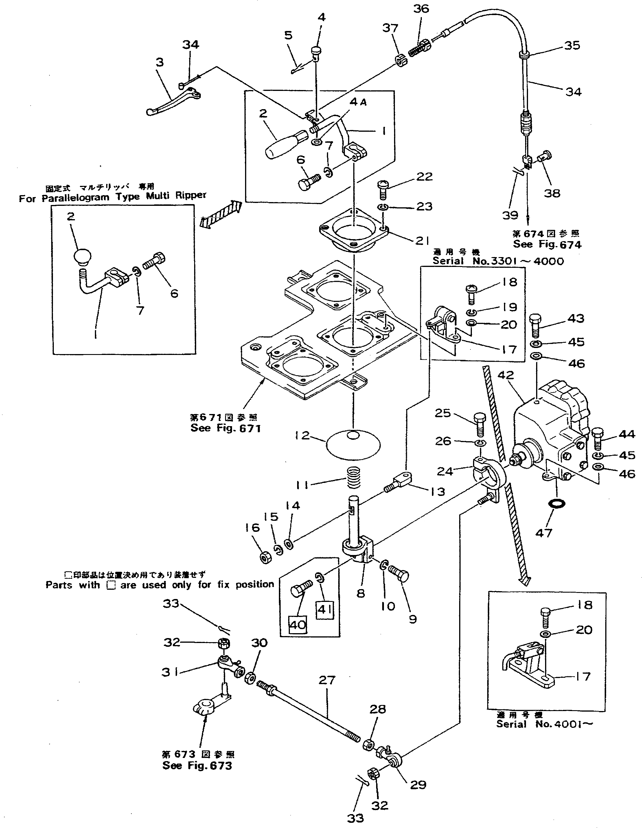
Запчасти Komatsu D355A-3 РЫЧАГ УПРАВЛЕНИЯ РЫХЛИТЕЛЕМ(№-9) УПРАВЛ-Е РАБОЧИМ ОБОРУДОВАНИЕМ

Схема запчастей Komatsu D355A-3 - РЫЧАГ УПРАВЛЕНИЯ РЫХЛИТЕЛЕМ(№-9) УПРАВЛ-Е РАБОЧИМ ОБОРУДОВАНИЕМ
FIT
1:1
100%

Артикул

Название

Примечание

Количество

1

175-61-13950

LEVER,(FOR VARIABLE TYPE)

SN: 3301-9000

1шт.

|1

175-61-13561

LEVER,(FOR FIXED TYPE)

SN: 3301-9000

1шт.

2

09305-11400

KNOB,(FOR VARIABLE TYPE)

SN: 3301-@

1шт.

|2

09304-01250

KNOB,(FOR FIXED TYPE)

SN: 3301-@

1шт.

3

11T-71-14280

LEVER

SN: 4950-@

1шт.

|3

0

LEVER

SN: 4866-4949

1шт.

|3

175-61-13941

LEVER

SN: 3363-4865

1шт.

|3

0

LEVER

SN: 3301-3362

1шт.

4

04205-00620

PIN

SN: 3363-@

1шт.

|4

0

PIN

SN: 3301-3362

1шт.

4A

01641-00608

WASHER

SN: 3363-@

1шт.

5

04050-01610

PIN

SN: 3301-@

1шт.

6

01010-30830

BOLT

SN: 3301-9000

1шт.

7

01602-00825

WASHER

SN: 3301-9000

1шт.

8

195-78-46140

LEVER

SN: 3301-9000

1шт.

9

01010-30830

BOLT

SN: 3301-@

1шт.

10

01602-00825

WASHER

SN: 3301-@

1шт.

11

175-61-13570

SPRING

SN: 3301-@

1шт.

12

175-61-13580

SEAL

SN: 3301-@

1шт.

13

154-61-16460

HOOK

SN: 3301-@

1шт.

14

01643-30623

WASHER

SN: 3301-@

1шт.

15

01602-00619

WASHER

SN: 3301-@

1шт.

16

01580-00605

NUT

SN: 3301-@

1шт.

17

195-61-21401

LOCK ASS'Y

SN: 4001-9000

1шт.

|17

0

LOCK ASS'Y

SN: 3301-4000

1шт.

18

01010-30820

BOLT

SN: 4001-9000

2шт.

|18

0

SCREW

SN: 3301-4000

2шт.

19

01602-00825

WASHER

SN: 3301-4000

2шт.

20

01643-30823

WASHER

SN: 3301-9000

2шт.

21

154-61-16421

COVER

SN: 3301-9000

1шт.

22

195-61-21510

SCREW

SN: 3301-9000

4шт.

23

01602-00825

WASHER

SN: 3301-9000

4шт.

24

195-78-42360

LEVER

SN: 3301-@

1шт.

25

01010-30840

BOLT

SN: 3301-@

1шт.

26

01602-00825

WASHER

SN: 3301-@

1шт.

27

04248-31236

ROD

SN: 3301-@

1шт.

28

01508-21207

NUT

SN: 3301-@

1шт.

29

04250-61265

END

SN: 3301-@

1шт.

30

01582-11210

NUT

SN: 3301-@

1шт.

31

04250-41265

END

SN: 3301-@

1шт.

32

01593-11210

NUT

SN: 3301-@

2шт.

33

04050-13020

PIN

SN: 3301-@

2шт.

34

175-61-13964

CABLE,(FOR VARIABLE TYPE)

SN: 4866-@

1шт.

|34

175-61-13963

CABLE,(FOR VARIABLE TYPE)

SN: 3411-4865

1шт.

|34

0

CABLE,(FOR VARIABLE TYPE)

SN: 3301-3410

1шт.

35

08037-01008

GROMMET,(FOR VARIABLE TYPE)

SN: 3301-@

1шт.

36

175-61-13990

BOLT,(FOR VARIABLE TYPE)

SN: 3301-@

1шт.

37

175-61-13980

NUT,(FOR VARIABLE TYPE)

SN: 3301-@

1шт.

38

04205-00618

PIN,(FOR VARIABLE TYPE)

SN: 3301-@

1шт.

39

04050-01610

PIN,(FOR VARIABLE TYPE)

SN: 3301-@

1шт.

40

01010-30835

BOLT

SN: 3301-@

1шт.

41

01643-30823

WASHER

SN: 9001-@

1шт.

|41

0

WASHER

SN: 3301-9000

-1шт.

42

702-12-14000

SERVO VALVE ASS'Y

SN: 3301-@

1шт.

43

01011-31045

BOLT

SN: 3301-@

1шт.

44

01010-31040

BOLT

SN: 3301-@

2шт.

45

01602-01030

WASHER

SN: 3301-@

3шт.

46

01643-31032

WASHER

SN: 3301-@

3шт.

47

07000-03022

O-RING

SN: 3301-@

2шт.

Выбрано товаров: 59