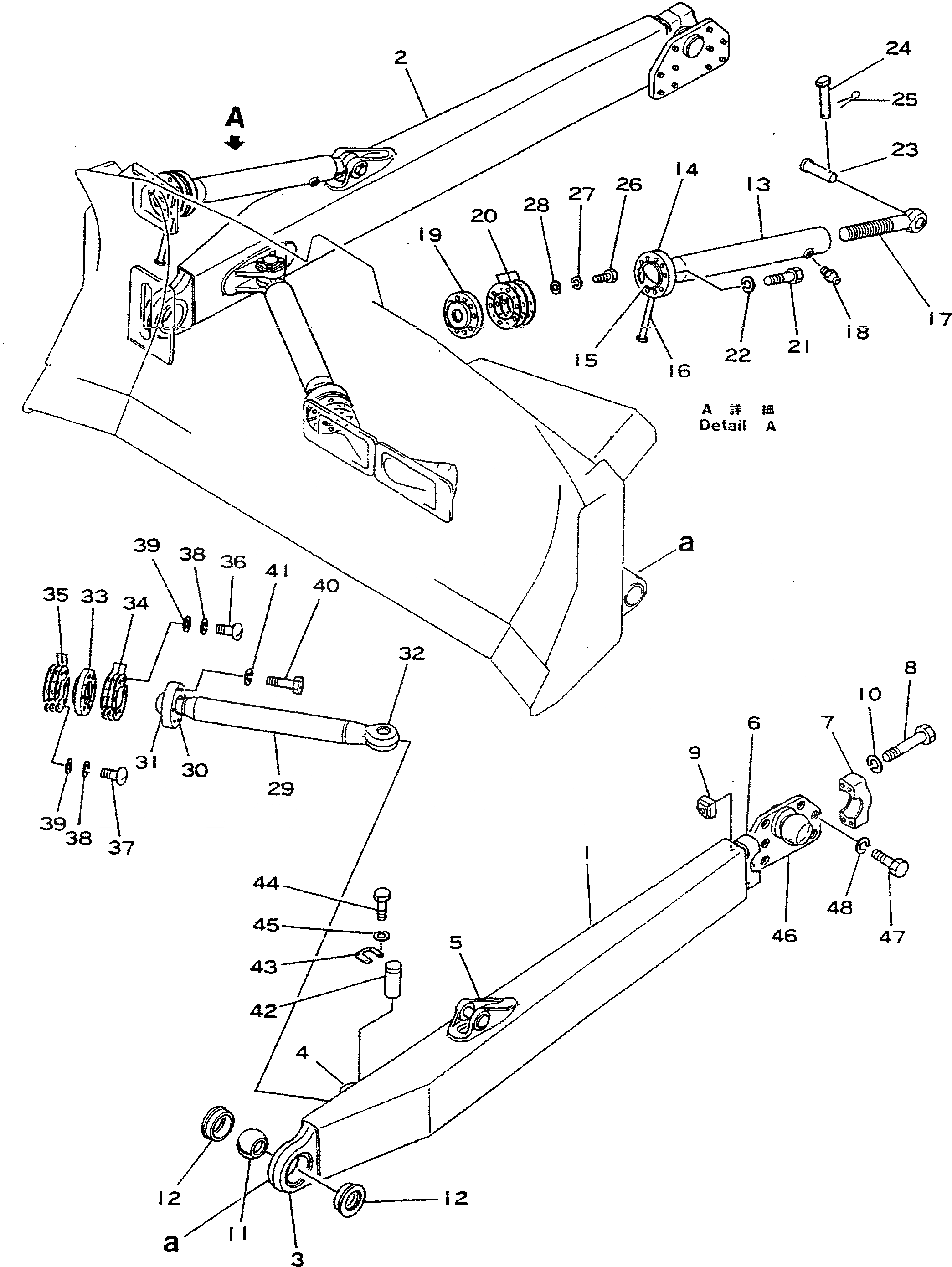
Запчасти Komatsu D355A-3 РАМА ОТВАЛА(№-) РАБОЧЕЕ ОБОРУДОВАНИЕ

Схема запчастей Komatsu D355A-3 - РАМА ОТВАЛА(№-) РАБОЧЕЕ ОБОРУДОВАНИЕ
FIT
1:1
100%

Артикул

Название

Примечание

Количество

1

195-71-11314

FRAME,L.H.

SN: 1010-1030

1шт.

2

195-71-11294

FRAME,R.H.

SN: 1010-1030

1шт.

3

195-71-11150

BRACKET (WELDED)

SN: 1010-1030

1шт.

4

195-71-11241

BRACKET (WELDED)

SN: 1010-@

1шт.

5

195-71-11260

BRACKET (WELDED)

SN: 1010-@

1шт.

|6

195-71-00070

BRACKET AND CAP A.

SN: 1010-@

1шт.

6

0

BRACKET (WELDED)

SN: 1010-@

1шт.

7

0

CAP

SN: 1010-@

1шт.

8

195-09-18130

BOLT

SN: 1010-@

4шт.

9

195-71-11512

NUT

SN: 1010-@

4шт.

10

01602-02783

WASHER

SN: 1010-@

4шт.

11

195-71-11360

BALL

SN: 1010-1030

1шт.

12

195-71-11370

BUSHING

SN: 1010-1030

1шт.

13

195-71-11333

BRACE

SN: 1010-@

1шт.

14

195-71-11212

CAP

SN: 1010-@

1шт.

15

195-71-11220

BALL (WELDED)

SN: 1010-@

1шт.

16

195-71-11571

ROD

SN: 1010-@

1шт.

17

195-71-11280

SCREW

SN: 1010-@

1шт.

18

07020-00000

FITTING

SN: 1010-@

1шт.

19

195-71-11192

CAP

SN: 1010-1030

2шт.

20

195-71-00021

SHIM ASS'Y

SN: .-@

2шт.

|20

0

SHIM ASS'Y

SN: 1010-.

2шт.

|20

0

SHIM¤ 0.5MM

SN: 1010-@

2шт.

|20

0

SHIM¤ 1.0MM

SN: 1010-@

3шт.

|20

0

SHIM¤ 2.3MM

SN: 1010-@

3шт.

21

195-09-18120

BOLT

SN: 1010-@

12шт.

22

01602-02783

WASHER

SN: 1010-@

12шт.

23

195-71-11350

SHAFT

SN: 1010-@

2шт.

24

170-901-2181

PIN

SN: 1010-@

2шт.

25

04050-04025

PIN

SN: 1010-@

2шт.

26

01210-00416

SCREW

SN: 1010-1030

8шт.

27

01601-00410

WASHER

SN: 1010-1030

8шт.

28

01642-20405

WASHER

SN: 1010-1030

8шт.

29

195-71-11324

ARM

SN: 1010-1030

2шт.

30

195-71-11212

CAP

SN: 1010-@

1шт.

31

195-71-11220

BALL (WELDED)

SN: 1010-1030

1шт.

32

195-71-11231

JOINT (WELDED)

SN: 1010-1030

1шт.

33

195-71-11192

CAP

SN: 1010-1030

2шт.

34

195-71-00021

SHIM ASS'Y

SN: .-@

2шт.

|34

0

SHIM ASS'Y

SN: 1010-.

2шт.

|34

0

SHIM¤ 0.5MM

SN: 1010-@

2шт.

|34

0

SHIM¤ 1.0MM

SN: 1010-@

3шт.

|34

0

SHIM¤ 2.3MM

SN: 1010-@

3шт.

35

195-71-00031

SHIM ASS'Y

SN: .-@

2шт.

|35

0

SHIM ASS'Y

SN: 1010-.

2шт.

|35

0

SHIM¤ 6.0MM

SN: 1010-@

2шт.

|35

0

SHIM¤ 2.3MM

SN: 1010-@

2шт.

|35

0

SHIM¤ 1.0MM

SN: 1010-@

4шт.

36

01210-20416

SCREW

SN: 1010-1030

8шт.

37

01210-20425

SCREW

SN: 1010-1030

8шт.

38

01601-00410

WASHER

SN: 1010-1030

16шт.

39

01642-20405

WASHER

SN: 1010-1030

16шт.

40

195-09-18120

BOLT

SN: 1010-@

12шт.

41

01602-02783

WASHER

SN: 1010-@

12шт.

42

195-71-11531

PIN

SN: 1010-@

2шт.

43

195-71-11560

LOCK

SN: 1010-@

2шт.

44

01040-31440

BOLT

SN: 1010-1030

8шт.

45

01602-01442

WASHER

SN: 1010-@

8шт.

46

195-71-11342

TRUNNION

SN: 1010-@

2шт.

47

01040-32450

BOLT

SN: 1010-1030

20шт.

48

01602-02472

WASHER

SN: 1010-@

20шт.

Выбрано товаров: 61