Запчасти Komatsu D355A-3 ГИДРОЦИЛИНДР ПОДЪЕМА(№-97) РАБОЧЕЕ ОБОРУДОВАНИЕ

Схема запчастей Komatsu D355A-3 - ГИДРОЦИЛИНДР ПОДЪЕМА(№-97) РАБОЧЕЕ ОБОРУДОВАНИЕ
FIT
1:1
100%

Артикул

Название

Примечание

Количество

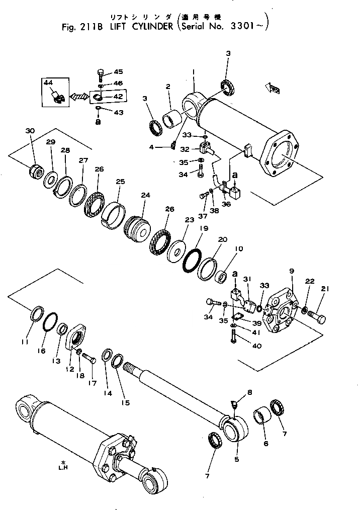
|1

195-63-44300

CYLINDER ASS'Y,L.H.

SN: .-12973

1шт.

|1

0

CYLINDER ASS'Y,L.H.

SN: 3301-.

1шт.

|1

195-63-44400

CYLINDER ASS'Y,R.H.

SN: .-12973

1шт.

|1

0

CYLINDER ASS'Y,R.H.

SN: 3301-.

1шт.

1

195-63-42531

CYLINDER,L.H.

SN: 3301-@

1шт.

|1

195-63-42631

CYLINDER,R.H.

SN: 3301-@

1шт.

2

07144-11210

BUSHING

SN: 3301-@

1шт.

3

07145-00120

SEAL

SN: 1297-@

2шт.

4

07020-00675

FITTING

SN: 3301-@

1шт.

5

195-63-42521

ROD

SN: 3301-12973

1шт.

6

07144-11210

BUSHING

SN: 3301-@

1шт.

7

07145-00120

SEAL

SN: 1297-@

2шт.

8

07020-00900

FITTING

SN: 3301-@

1шт.

9

195-63-42132

HEAD

SN: 1297-12973

1шт.

10

07177-09035

BUSHING

SN: 1297-@

1шт.

11

154-63-52173

U-PACKING

SN: 3301-12973

1шт.

12

195-63-52470

GLAND

SN: 1297-12973

1шт.

13

07177-09020

BUSHING

SN: 1297-@

1шт.

14

07016-00908

SEAL

SN: 3301-12973

1шт.

15

07179-00113

RING

SN: 1297-12973

1шт.

16

07000-03110

O-RING

SN: 1297-@

1шт.

17

01010-31865

BOLT

SN: 1297-@

2шт.

18

01602-01854

WASHER

SN: 1297-@

2шт.

19

07000-15220

O-RING

SN: 1297-@

1шт.

20

07001-05220

RING

SN: 1297-@

1шт.

21

01010-83095

BOLT

SN: 1297-12973

6шт.

22

01601-23075

WASHER

SN: 1297-@

6шт.

23

195-63-42480

RETAINER

SN: 1297-12973

1шт.

24

707-36-22550

PISTON

SN: .-12973

1шт.

|24

195-63-42161

PISTON

SN: 3301-.

1шт.

25

07155-02250

RING

SN: 1297-@

1шт.

26

707-44-22080

RING

SN: 4451-12973

2шт.

|26

195-63-42461

PACKING

SN: 1297-4450

2шт.

27

195-63-42490

RETAINER

SN: 3301-@

1шт.

28

04069-01952

RING

SN: 3301-@

1шт.

29

175-63-52441

WASHER

SN: 3301-@

1шт.

30

175-63-52432

NUT

SN: 3301-@

1шт.

31

195-63-42870

TUBE,L.H.

SN: 3301-@

1шт.

|31

195-63-42860

TUBE,R.H.

SN: 3301-@

1шт.

32

195-63-42960

TUBE,L.H.

SN: 3301-@

1шт.

|32

195-63-42970

TUBE,R.H.

SN: 3301-@

1шт.

33

07000-13038

O-RING

SN: 3301-@

2шт.

34

01010-31080

BOLT

SN: 3301-@

8шт.

35

01602-01030

WASHER

SN: 3301-@

8шт.

36

07282-03411

CLAMP

SN: 3301-@

1шт.

37

01010-31020

BOLT

SN: 3301-@

2шт.

38

01602-01030

WASHER

SN: 3301-@

2шт.

39

175-63-42790

PLATE

SN: 3301-@

1шт.

40

01010-31025

BOLT

SN: 3301-@

4шт.

41

01602-01030

WASHER

SN: 3301-@

4шт.

42

07378-11000

HEAD

SN: 3301-@

2шт.

43

07000-13032

O-RING

SN: 3301-@

2шт.

44

07371-31044

FLANGE

SN: 3301-12973

4шт.

45

07372-21030

BOLT

SN: 3301-12973

8шт.

46

01602-01030

WASHER

SN: 3301-@

8шт.

Выбрано товаров: 55