Запчасти Komatsu D355A-3 ЭЛЕКТРИКА(№-) РАБОЧЕЕ ОБОРУДОВАНИЕ

Схема запчастей Komatsu D355A-3 - ЭЛЕКТРИКА(№-) РАБОЧЕЕ ОБОРУДОВАНИЕ
FIT
1:1
100%

Артикул

Название

Примечание

Количество

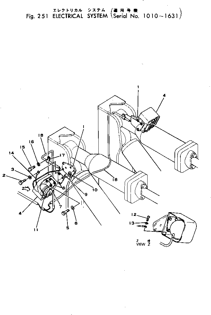
1

195-06-16130

BRACKET,L.H.

SN: 1010-1631

1шт.

|1

195-06-16140

BRACKET,R.H.

SN: 1010-1631

1шт.

2

01010-31025

BOLT

SN: 1010-1631

6шт.

3

01602-01030

WASHER

SN: 1010-1631

6шт.

4

175-06-33111

COVER,L.H.

SN: 1010-@

1шт.

|4

175-06-33121

COVER,R.H.

SN: 1010-1631

1шт.

5

01010-31045

BOLT

SN: 1010-1631

6шт.

6

01602-01030

WASHER

SN: 1010-1631

6шт.

7

175-06-33140

PLATE

SN: 1010-1631

2шт.

8

175-06-33130

SEAT

SN: 1010-1631

4шт.

9

154-06-17250

SPACER

SN: 1010-1631

6шт.

10

154-06-17260

RUBBER

SN: 1010-1631

6шт.

11

08128-32400

LAMP

SN: 1010-@

2шт.

|11

08113-02480

BULB¤ 80W

SN: 1010-@

1шт.

12

01220-30508

SCREW

SN: 1010-1631

2шт.

13

01601-00513

WASHER

SN: 1010-1631

2шт.

14

195-06-15190

WIRE

SN: 1010-1631

2шт.

15

01010-31016

BOLT

SN: 1010-1631

2шт.

16

01602-01030

WASHER,SPRING

SN: 1010-1631

2шт.

17

154-06-33130

CLAMP

SN: 1010-1631

2шт.

18

195-06-16110

WIRE ASS'Y,L.H.

SN: 1010-1631

1шт.

|18

195-06-16120

WIRE ASS'Y,R.H.

SN: 1010-1631

1шт.

Выбрано товаров: 22