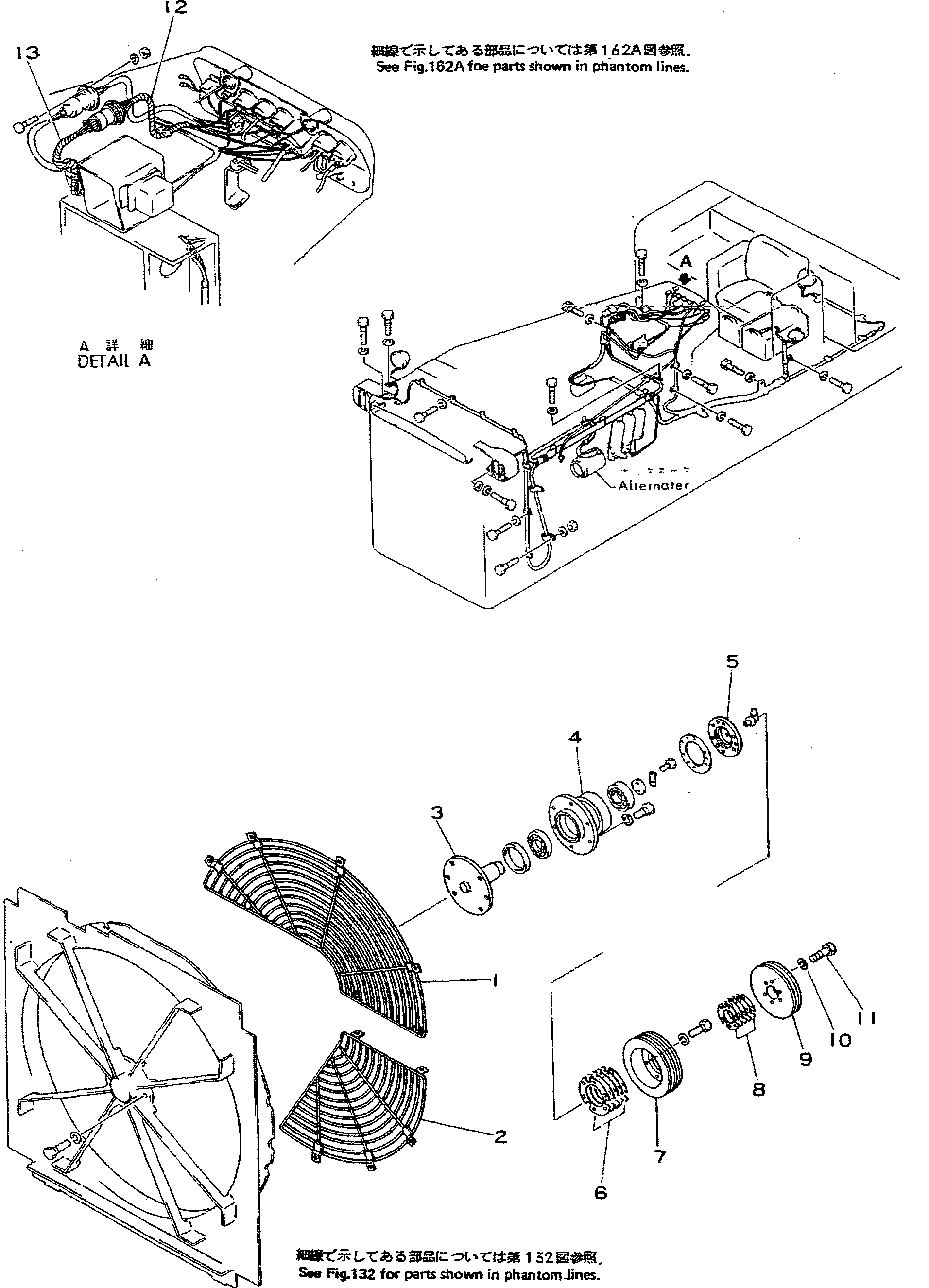
Запчасти Komatsu D355A-3 ЭЛЕКТРИКА (ДЛЯ ГЕНЕРАТОР 8W)(№97-) ОПЦИОННЫЕ КОМПОНЕНТЫ

Схема запчастей Komatsu D355A-3 - ЭЛЕКТРИКА (ДЛЯ ГЕНЕРАТОР 8W)(№97-) ОПЦИОННЫЕ КОМПОНЕНТЫ
FIT
1:1
100%

Артикул

Название

Примечание

Количество

1

195-03-15480

NET

SN: 1297-1631

1шт.

2

195-03-15490

NET

SN: 1297-1631

1шт.

3

175-803-1210

SHAFT

SN: 1297-1631

1шт.

4

175-03-31541

DRUM

SN: 1297-1631

1шт.

5

175-803-1170

COVER

SN: 1297-1631

1шт.

6

175-803-1230

SHIM¤ 1.0MM

SN: 1297-1631

10шт.

7

195-03-17130

PULLEY

SN: 1297-1631

1шт.

8

175-803-1220

SHIM¤ 1.0MM

SN: 1297-1631

10шт.

9

195-03-17110

PULLEY

SN: 1297-1631

1шт.

10

01602-01030

WASHER

SN: 1297-1631

3шт.

11

01010-31040

BOLT

SN: 1297-1631

3шт.

12

195-06-19750

WIRE ASS'Y

SN: 1297-1631

1шт.

13

195-06-19820

WIRE ASS'Y

SN: 1297-1631

1шт.

Выбрано товаров: 13