Запчасти Komatsu D355A-3 ЭЛЕКТРИКА (ДЛЯ ГЕНЕРАТОР 8W)(№-99) ОПЦИОННЫЕ КОМПОНЕНТЫ

Схема запчастей Komatsu D355A-3 - ЭЛЕКТРИКА (ДЛЯ ГЕНЕРАТОР 8W)(№-99) ОПЦИОННЫЕ КОМПОНЕНТЫ
FIT
1:1
100%

Артикул

Название

Примечание

Количество

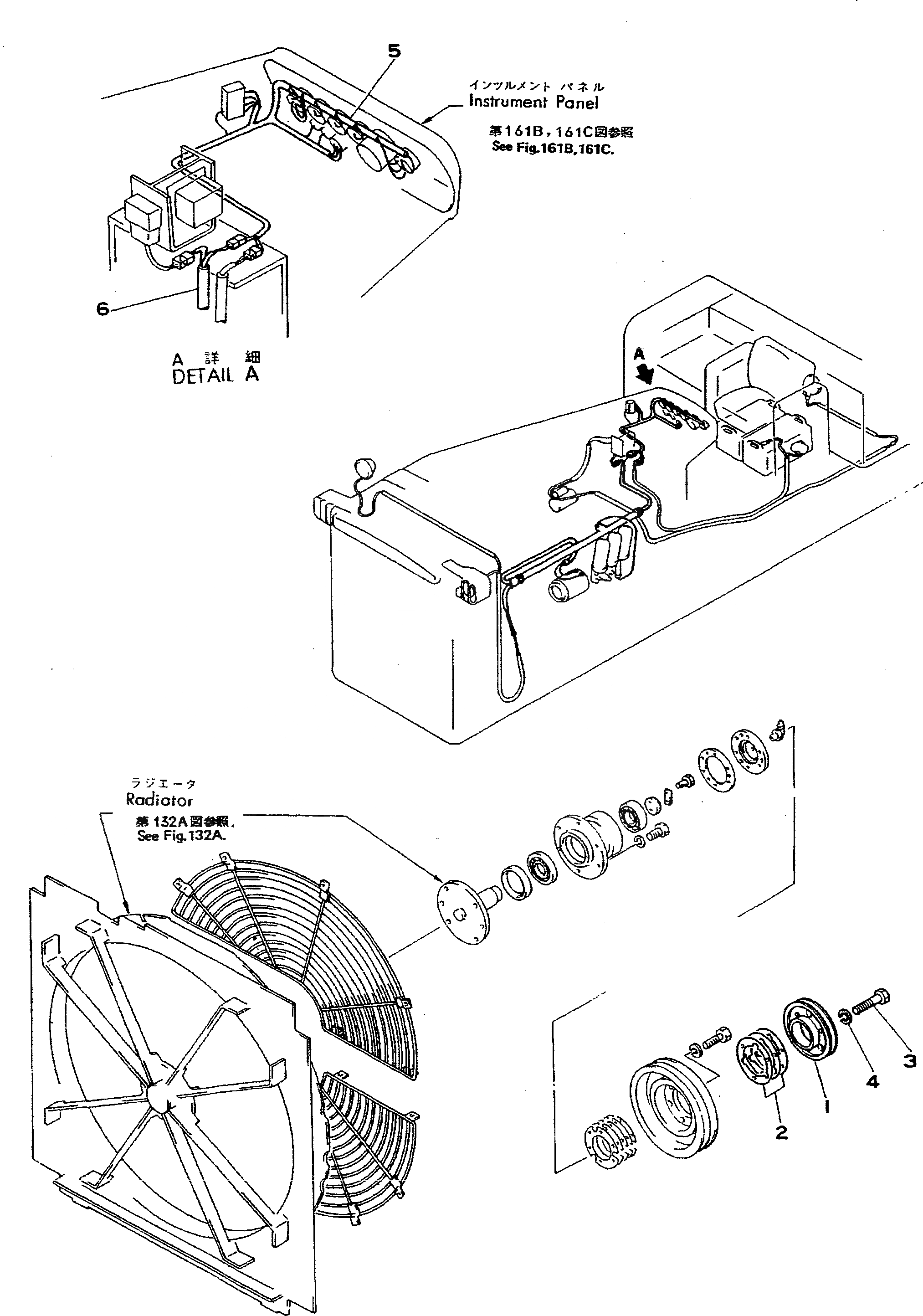
1

195-03-17111

PULLEY

SN: 1632-3299

1шт.

2

195-03-17170

SHIM¤ 1.0MM

SN: 1632-3299

10шт.

3

01010-31275

BOLT

SN: 1632-3299

3шт.

4

01602-01236

WASHER

SN: 1632-3299

3шт.

5

195-06-21680

WIRE ASS'Y

SN: 1632-3299

1шт.

6

195-06-21431

WIRE ASS'Y

SN: 1632-3299

1шт.

Выбрано товаров: 6