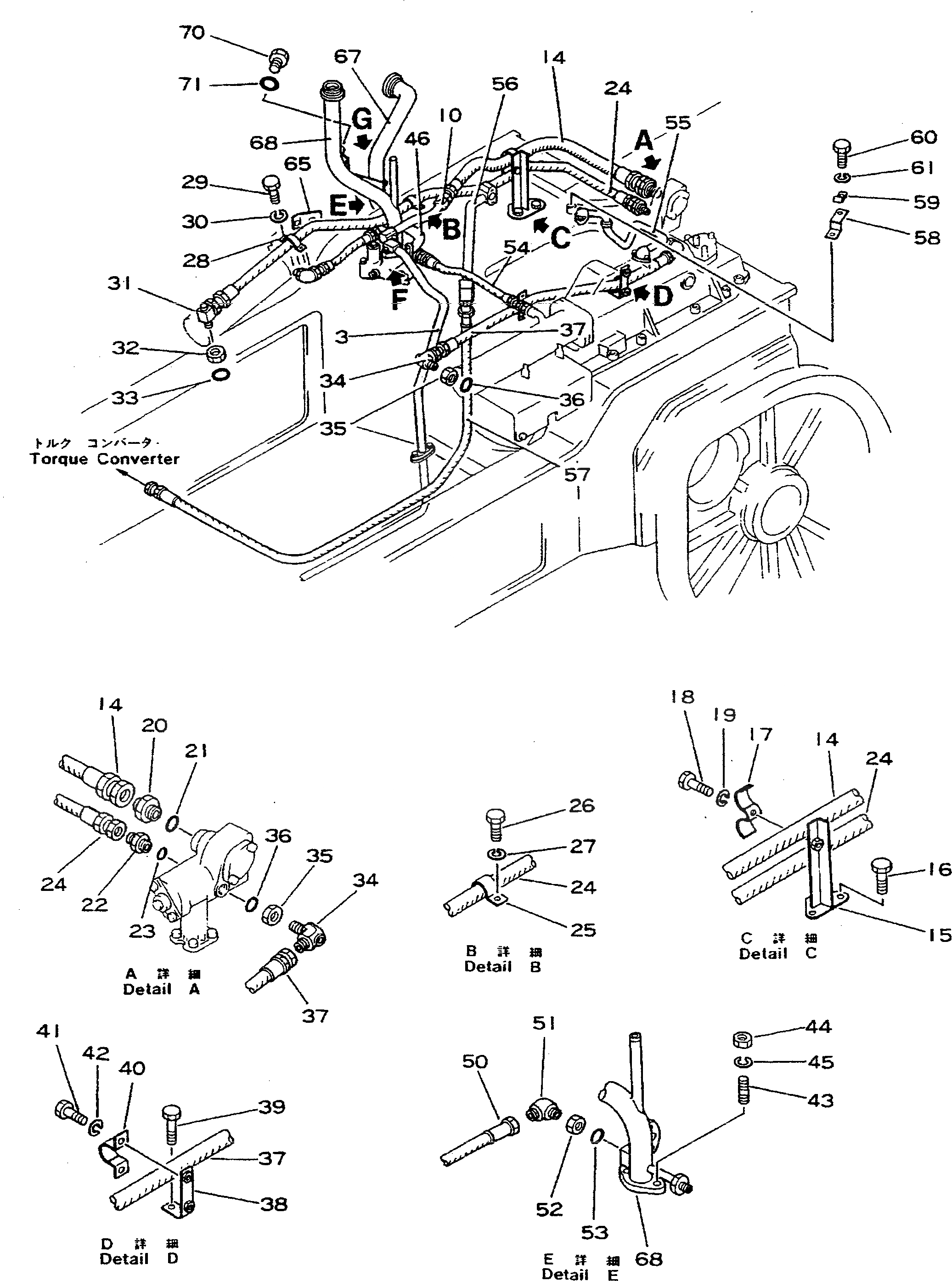
Запчасти Komatsu D355A-3 СИСТЕМА ЭКСТРЕННОГО ТОРМОЖЕНИЯ (МЕХАНИЗМ И ГИДРОЛИНИИ) (/)(№-99) ОПЦИОННЫЕ КОМПОНЕНТЫ

Схема запчастей Komatsu D355A-3 - СИСТЕМА ЭКСТРЕННОГО ТОРМОЖЕНИЯ (МЕХАНИЗМ И ГИДРОЛИНИИ) (/)(№-99) ОПЦИОННЫЕ КОМПОНЕНТЫ
FIT
1:1
100%

Артикул

Название

Примечание

Количество

1

195-864-7580

PLUG

SN: 1117-3299

2шт.

|1

195-864-7580

PLUG,(FOR VARIABLE MULTI RIPPER)

SN: 1117-3299

1шт.

2

07000-03017

O-RING

SN: 1117-3299

2шт.

|2

07000-03017

O-RING,(FOR VARIABLE MULTI RIPPER)

SN: 1117-3299

1шт.

3

195-864-7192

TUBE

SN: 1174-3299

1шт.

4

07000-03030

O-RING

SN: 1004-3299

1шт.

5

01010-31035

BOLT

SN: 1004-3299

1шт.

6

01010-31055

BOLT

SN: 1004-3299

1шт.

7

01602-01030

WASHER

SN: 1004-3299

2шт.

8

07230-10315

UNION,(FOR VARIABLE GIANT RIPPER)

SN: 1174-3299

1шт.

9

07000-03017

O-RING,(FOR VARIABLE GIANT RIPPER)

SN: 1174-3299

1шт.

10

195-864-7351

TUBE

SN: 1117-3299

1шт.

11

07000-03030

O-RING

SN: 1004-3299

1шт.

12

01010-31035

BOLT

SN: 1004-3299

2шт.

13

01602-01030

WASHER

SN: 1004-3299

2шт.

14

07102-21008

HOSE

SN: 1004-3299

1шт.

15

195-864-7391

BRACKET

SN: 1117-3299

1шт.

16

01010-31265

BOLT

SN: 1004-3299

2шт.

17

195-864-7370

CLAMP

SN: 1004-3299

1шт.

18

01010-31025

BOLT

SN: 1004-3299

1шт.

19

01602-01030

WASHER

SN: 1004-3299

1шт.

20

07230-11034

UNION

SN: 1003-3299

1шт.

21

07000-03030

O-RING

SN: 1004-3299

1шт.

22

07230-10628

UNION

SN: 1011-3299

1шт.

23

07000-03022

O-RING

SN: 1004-3299

1шт.

24

07102-20617

HOSE

SN: 1011-3299

1шт.

25

195-864-7380

CLAMP

SN: 1004-3299

1шт.

26

01010-31025

BOLT

SN: 1004-3299

1шт.

27

01602-01030

WASHER

SN: 1004-3299

1шт.

28

195-864-7410

CLAMP

SN: 1004-3299

1шт.

29

01010-31025

BOLT

SN: 1004-3299

2шт.

30

01602-01030

WASHER

SN: 1004-3299

2шт.

31

07232-10628

ELBOW

SN: 1011-3299

1шт.

32

07239-12410

NUT

SN: 1011-3299

1шт.

33

07000-03022

O-RING

SN: 1004-3299

1шт.

34

07232-10628

ELBOW

SN: 1011-3299

2шт.

35

07239-12410

NUT

SN: 1011-3299

2шт.

36

07000-03022

O-RING

SN: 1004-3299

2шт.

37

07102-20611

HOSE

SN: 1632-3299

1шт.

38

195-864-7421

BRACKET

SN: 1011-3299

1шт.

39

01010-31270

BOLT

SN: 1011-3299

1шт.

40

195-864-7410

CLAMP

SN: 1004-3299

2шт.

41

01010-31025

BOLT

SN: 1004-3299

4шт.

42

01602-01030

WASHER

SN: 1004-3299

4шт.

43

01144-31230

STUD

SN: 1011-3299

2шт.

44

01580-01210

NUT

SN: 1011-3299

2шт.

45

01602-01236

WASHER

SN: 1011-3299

2шт.

46

195-864-7180

TUBE

SN: 1004-3299

1шт.

47

07000-03028

O-RING

SN: 1004-3299

2шт.

48

01010-31030

BOLT

SN: 1004-3299

4шт.

49

01602-01030

WASHER

SN: 1004-3299

4шт.

50

07100-20303

HOSE

SN: 1011-3299

1шт.

51

07232-10315

ELBOW

SN: 1011-3299

2шт.

52

07239-12009

NUT

SN: 1011-3299

2шт.

53

07000-03017

O-RING

SN: 1004-3299

2шт.

54

07100-20304

HOSE

SN: 1011-3299

1шт.

55

195-864-7360

TUBE

SN: 1004-3299

1шт.

56

195-864-7480

TUBE

SN: 1117-3299

1шт.

57

07102-21016

HOSE

SN: 1117-3299

1шт.

58

195-864-7530

BRACKET

SN: 1117-3299

1шт.

59

195-78-22420

CLIP

SN: 1117-3299

1шт.

60

01010-31020

BOLT

SN: 1117-3299

1шт.

61

01602-01030

WASHER

SN: 1117-3299

1шт.

62

195-864-7541

BRACKET

SN: 1632-3299

1шт.

63

195-864-7550

BRACKET

SN: 1117-3299

1шт.

64

195-864-7560

SUPPORT

SN: 1117-3299

1шт.

65

195-864-8650

PLATE

SN: 1632-3299

1шт.

66

195-864-8640

PLATE

SN: 1632-3299

1шт.

67

195-864-8630

TUBE

SN: 1632-3299

1шт.

68

195-864-7511

FILLER

SN: 1632-3299

1шт.

69

195-864-7571

SUPPORT

SN: 1632-3299

1шт.

70

195-78-22640

PLUG

SN: 1632-3299

2шт.

71

07002-12034

O-RING

SN: 1632-3299

2шт.

72

195-864-7453

CASE

SN: 1632-3299

1шт.

Выбрано товаров: 0