Запчасти Komatsu D355A-3 СИСТЕМА ЭКСТРЕННОГО ТОРМОЖЕНИЯ (ТОПЛ. БАК И ТОПЛИВОПРОВОД)(№-) ОПЦИОННЫЕ КОМПОНЕНТЫ

Схема запчастей Komatsu D355A-3 - СИСТЕМА ЭКСТРЕННОГО ТОРМОЖЕНИЯ (ТОПЛ. БАК И ТОПЛИВОПРОВОД)(№-) ОПЦИОННЫЕ КОМПОНЕНТЫ
FIT
1:1
100%

Артикул

Название

Примечание

Количество

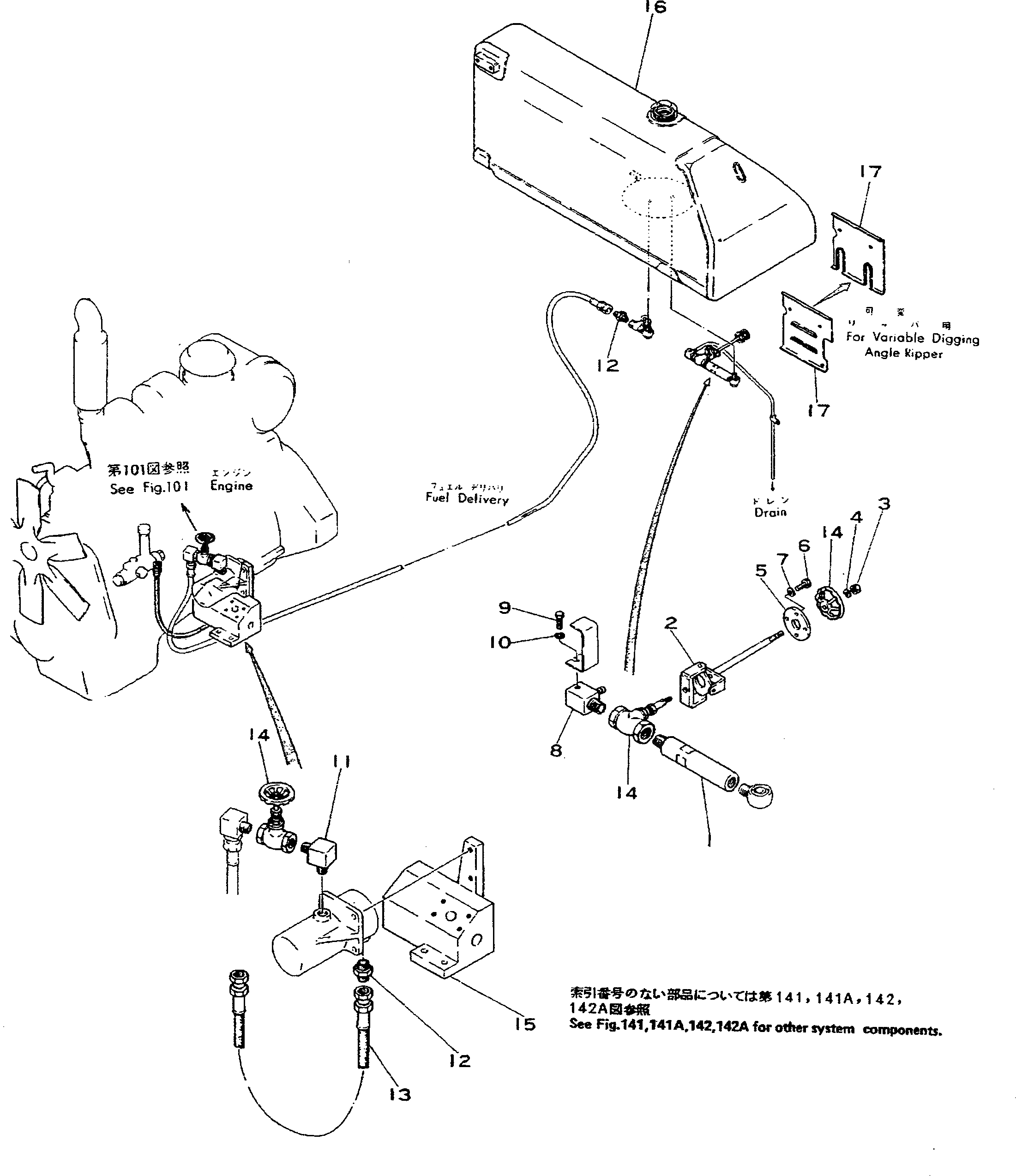
1

195-04-11420

NIPPLE

SN: 1117-1631

1шт.

2

195-04-11460

JOINT

SN: 1117-1631

1шт.

3

01580-00605

NUT

SN: 1117-1631

1шт.

4

01602-02061

WASHER

SN: 1117-1631

1шт.

5

175-804-2240

FLANGE

SN: 1117-1631

1шт.

6

01010-30625

BOLT

SN: 1117-1631

3шт.

7

01602-00618

WASHER

SN: 1117-1631

3шт.

8

195-04-11430

ELBOW

SN: 1117-1631

1шт.

9

01010-31030

BOLT

SN: 1117-1631

1шт.

10

01602-01030

WASHER

SN: 1117-1631

1шт.

11

195-04-11450

ELBOW

SN: 1117-1631

1шт.

12

195-04-11440

NIPPLE

SN: 1117-1631

1шт.

13

07100-00406

HOSE

SN: 1117-1631

1шт.

14

154-04-12490

VALVE

SN: 1117-1631

1шт.

15

195-61-13762

BLOCK

SN: 1117-1631

1шт.

16

195-04-11470

TANK

SN: 1117-1631

1шт.

17

195-54-12691

COVER

SN: 1117-1631

1шт.

|17

195-54-12760

COVER,(FOR RIGID GIANT RIPPER)

SN: 1117-1631

1шт.

|17

195-54-12810

COVER,(FOR VARIABLE GIANT RIPPER)

SN: 1117-1631

1шт.

Выбрано товаров: 19