Запчасти Komatsu D355A-3 ЭЛЕКТРИКА(№7-) КОМПОНЕНТЫ ДВИГАТЕЛЯ И ЭЛЕКТРИКА

Схема запчастей Komatsu D355A-3 - ЭЛЕКТРИКА(№7-) КОМПОНЕНТЫ ДВИГАТЕЛЯ И ЭЛЕКТРИКА
FIT
1:1
100%

Артикул

Название

Примечание

Количество

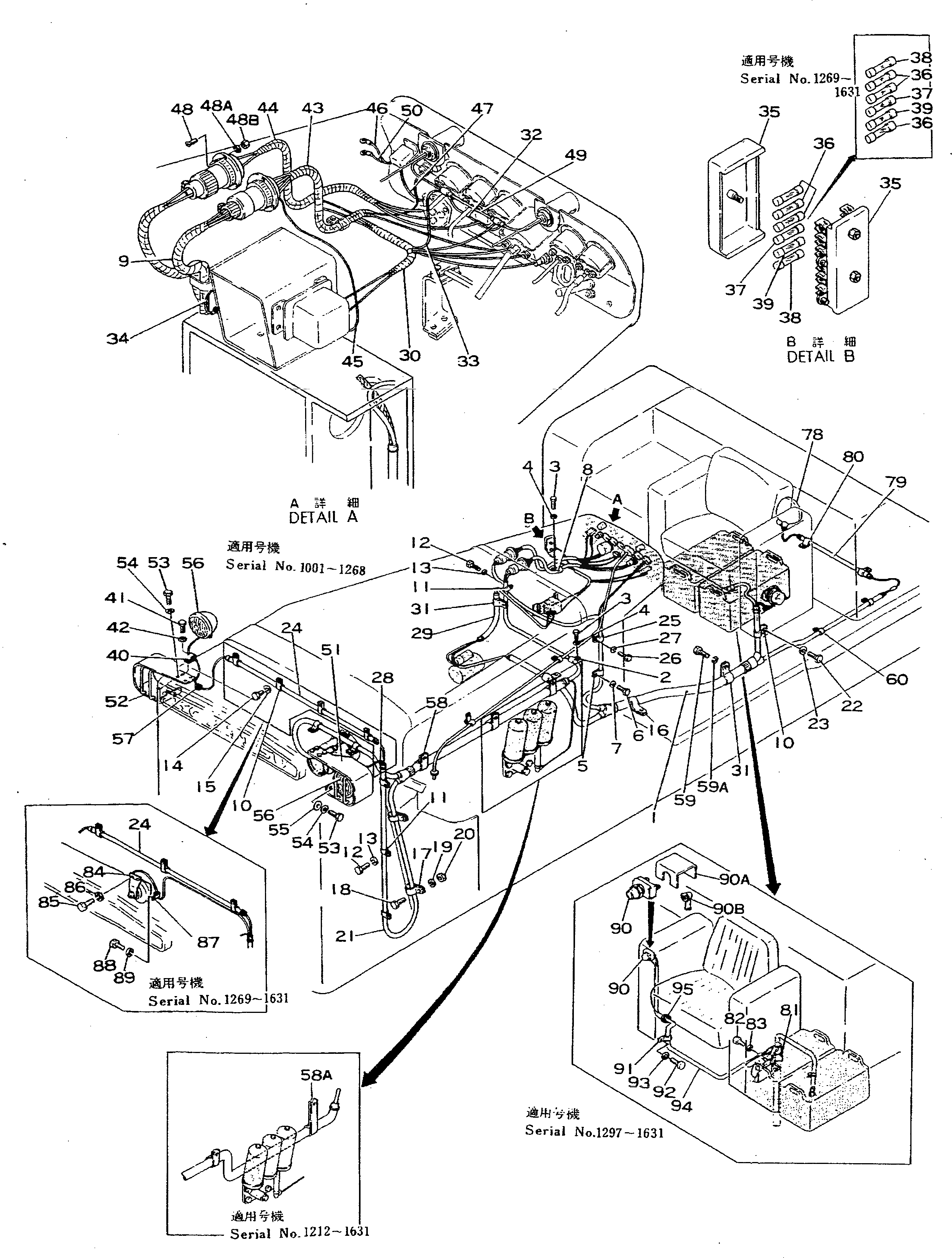
1

195-06-18431

WIRE ASS'Y

SN: 1297-1631

1шт.

|1

195-06-18430

WIRE ASS'Y

SN: 1117-1296

1шт.

2

175-06-26140

CLAMP

SN: 1010-1631

1шт.

3

01010-31020

BOLT

SN: 1010-1631

4шт.

4

01602-01030

WASHER

SN: 1010-1631

4шт.

5

154-06-33130

CLAMP

SN: 1010-1631

2шт.

6

01010-31220

BOLT

SN: 1117-1631

2шт.

7

01602-01236

WASHER

SN: 1010-1631

2шт.

8

175-06-26150

CLAMP

SN: 1010-1631

3шт.

9

195-06-18421

WIRE ASS'Y

SN: 1211-1631

1шт.

|9

195-06-18420

WIRE ASS'Y

SN: 1117-1210

1шт.

10

154-06-33140

CLAMP

SN: 1010-1631

13шт.

11

154-06-33130

CLAMP

SN: 1297-1631

6шт.

|11

154-06-33130

CLAMP

SN: 1010-1296

8шт.

12

01010-31220

BOLT

SN: 1297-1631

5шт.

|12

01010-31220

BOLT

SN: 1117-1296

8шт.

13

01602-01236

WASHER

SN: 1297-1631

5шт.

|13

01602-01236

WASHER

SN: 1010-1296

8шт.

14

01010-31220

BOLT

SN: 1117-1631

4шт.

15

01602-01236

WASHER

SN: 1010-1631

4шт.

16

195-06-13350

CLAMP

SN: 1010-1631

1шт.

17

195-06-18280

CLAMP

SN: 1117-1631

2шт.

18

01010-31218

BOLT

SN: 1117-1631

2шт.

19

01602-01236

WASHER

SN: 1010-1631

2шт.

20

01580-01210

NUT

SN: 1117-1631

2шт.

21

195-06-18440

WIRE ASS'Y

SN: 1117-1631

1шт.

22

01010-31220

BOLT

SN: 1117-1631

1шт.

23

01602-01236

WASHER

SN: 1117-1631

1шт.

24

195-06-18161

WIRE ASS'Y

SN: 1067-1631

1шт.

25

154-06-33130

CLAMP

SN: 1010-1631

2шт.

26

01010-31220

BOLT

SN: 1117-1631

2шт.

27

01602-01236

WASHER

SN: 1117-1631

2шт.

28

195-06-18291

WIRE ASS'Y

SN: 1067-1631

1шт.

29

195-06-18410

WIRE ASS'Y

SN: 1117-1631

1шт.

30

195-06-18450

WIRE

SN: 1117-1631

1шт.

31

154-06-33140

CLAMP

SN: 1010-1631

2шт.

32

195-06-18210

WIRE

SN: 1010-1631

1шт.

33

195-06-18170

WIRE ASS'Y

SN: 1010-1631

1шт.

34

195-06-18190

WIRE

SN: 1010-1631

1шт.

35

195-06-15532

BOX,FUSE

SN: 1297-1631

1шт.

|35

195-06-15531

BOX,FUSE

SN: 1067-1296

1шт.

36

08040-01000

FUSE¤ 10A

SN: 1010-1631

3шт.

37

08040-02000

FUSE¤ 20A

SN: 1010-1631

1шт.

38

08040-03000

FUSE¤ 30A

SN: 1010-1631

1шт.

39

08040-04000

FUSE¤ 40A

SN: 1010-1631

1шт.

40

08036-30614

CLIP

SN: 1010-1631

2шт.

41

01010-31020

BOLT

SN: 1010-1631

2шт.

42

01602-01030

WASHER

SN: 1010-1631

2шт.

43

195-06-18461

WIRE ASS'Y

SN: 1211-1631

1шт.

|43

0

WIRE ASS'Y

SN: 1117-1210

1шт.

44

195-06-18490

WIRE ASS'Y

SN: 1117-1631

1шт.

45

195-06-18530

WIRE

SN: 1117-1631

1шт.

46

195-06-18860

CABLE

SN: 1117-1631

1шт.

47

195-06-18570

CABLE

SN: 1117-1631

1шт.

48

01220-30316

SCREW

SN: 1269-1631

6шт.

|48

01225-60312

SCREW

SN: 1211-1268

6шт.

|48

01225-60308

SCREW

SN: 1117-1210

6шт.

48A

01601-00307

WASHER

SN: 1212-1631

6шт.

48B

01580-00302

NUT

SN: 1212-1631

6шт.

49

195-06-18390

CABLE

SN: 1117-1631

1шт.

50

195-06-18850

CABLE

SN: 1117-1631

1шт.

51

195-06-15560

COVER

SN: 1010-1631

1шт.

52

195-06-15570

COVER

SN: 1010-1631

1шт.

53

01010-31235

BOLT

SN: 1010-1631

12шт.

54

01602-01236

WASHER

SN: 1010-1631

12шт.

55

01643-01232

WASHER

SN: 1010-1631

4шт.

56

08128-52400

LAMP ASS'Y

SN: 1010-1631

2шт.

|56

08113-02480

BULB¤ 80W

SN: 1010-UP

1шт.

57

154-06-13870

GROMMET

SN: 1010-1631

2шт.

58

08036-30614

CLIP

SN: 1117-1210

2шт.

58A

175-06-32650

CLIP

SN: 1211-1631

1шт.

59

01010-31218

BOLT

SN: 1117-1631

1шт.

59A

01602-01236

WASHER

SN: 1117-1631

1шт.

60

154-06-33130

CLAMP

SN: 1117-1631

5шт.

78

08128-52400

LAMP ASS'Y

SN: 1010-@

1шт.

|78

08113-02480

BULB¤ 80W

SN: 1010-@

1шт.

79

195-06-18220

WIRE ASS'Y

SN: 1010-1631

1шт.

80

154-06-33130

CLAMP

SN: 1010-1631

2шт.

81

154-06-33170

CLAMP

SN: 1297-1631

1шт.

82

01010-30816

BOLT

SN: 1297-1631

2шт.

83

01602-00825

WASHER

SN: 1297-1631

2шт.

84

08160-22400

HORN

SN: 1269-@

1шт.

85

01010-30816

BOLT

SN: 1269-1631

2шт.

86

01602-00825

WASHER

SN: 1269-@

2шт.

87

08036-30610

CLIP

SN: 1269-1631

1шт.

88

01010-31016

BOLT

SN: 1269-@

1шт.

89

01602-01030

WASHER

SN: 1269-@

1шт.

90

08064-10000

SWITCH

SN: 1269-@

1шт.

90A

195-06-19730

COVER

SN: 1297-@

1шт.

90B

22-403807-01

CAP

SN: 1297-1631

1шт.

91

08036-10614

CLIP

SN: 1269-@

3шт.

92

01010-31016

BOLT

SN: 1269-@

3шт.

93

01602-01030

WASHER

SN: 1269-@

3шт.

94

195-06-19681

CABLE ASS'Y

SN: 1297-1631

1шт.

|94

195-06-19680

CABLE ASS'Y

SN: 1269-1296

1шт.

95

08037-01610

GROMMET

SN: 1297-1631

2шт.

|95

08037-01610

GROMMET

SN: 1269-1296

3шт.

Выбрано товаров: 97