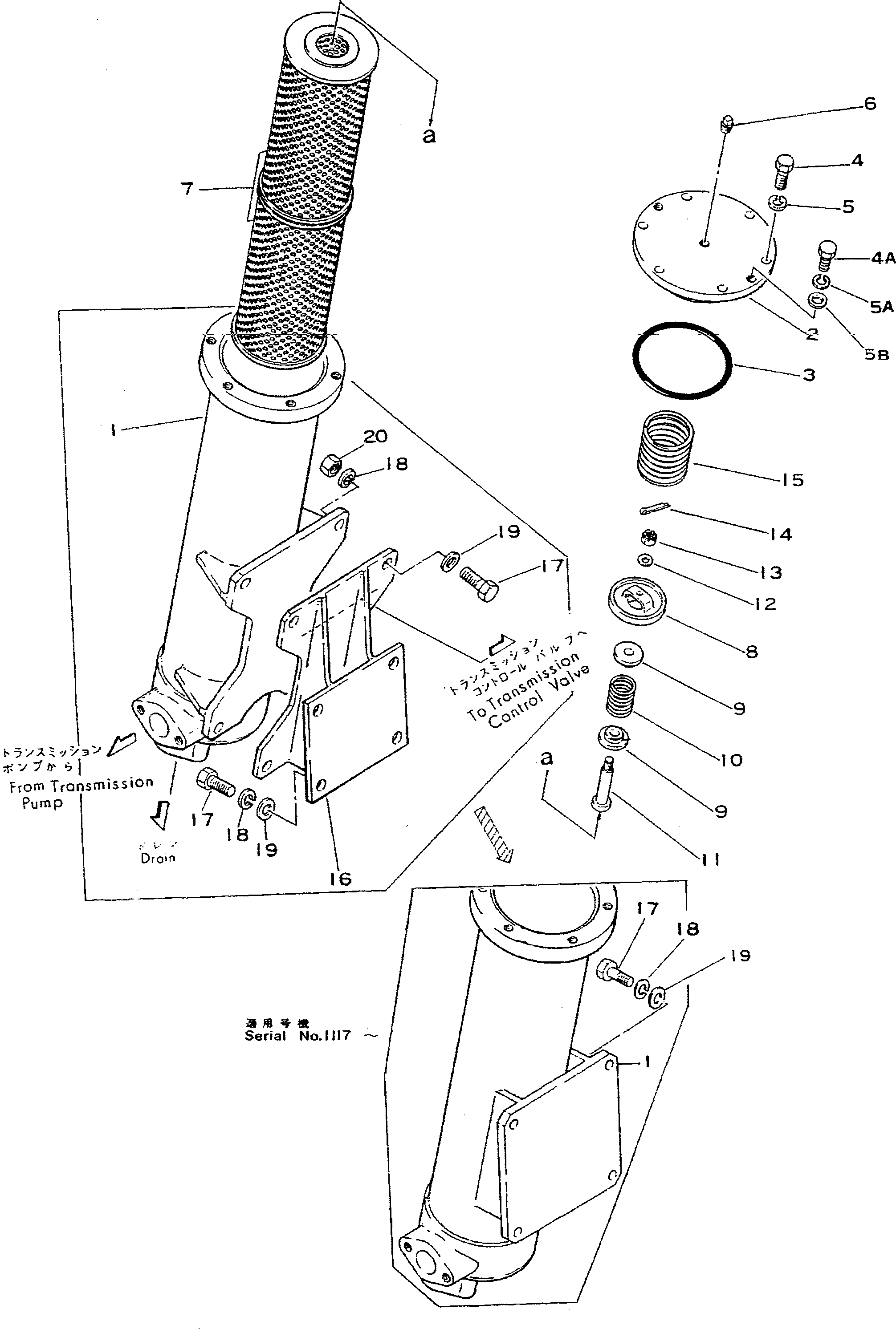
Запчасти Komatsu D355A-3 МАСЛЯНЫЙ ФИЛЬТР ТРАНСМИССИИ(№-) ГИДРОТРАНСФОРМАТОР И ТРАНСМИССИЯ

Схема запчастей Komatsu D355A-3 - МАСЛЯНЫЙ ФИЛЬТР ТРАНСМИССИИ(№-) ГИДРОТРАНСФОРМАТОР И ТРАНСМИССИЯ
FIT
1:1
100%

Артикул

Название

Примечание

Количество

|1

195-49-00033

FILTER ASS'Y

SN: 1299-1631

1шт.

|1

0

FILTER ASS'Y

SN: 1117-1296

1шт.

|1

195-49-00031

FILTER ASS'Y

SN: 1010-1116

1шт.

1

195-49-11861

CASE

SN: 1117-1631

1шт.

|1

195-49-11860

CASE

SN: 1010-1116

1шт.

2

175-43-14140

COVER

SN: 1010-1631

1шт.

3

07000-05100

O-RING

SN: 1010-1631

1шт.

4

01010-31030

BOLT

SN: 1010-1631

6шт.

4A

01010-31016

BOLT

SN: 1297-1631

2шт.

|4A

0

PLUG

SN: 1010-1296

2шт.

5

01602-01030

WASHER

SN: 1010-1631

6шт.

5A

01602-01030

WASHER

SN: 1297-1631

2шт.

5B

01642-01016

WASHER

SN: 1297-1631

2шт.

6

07042-00108

PLUG

SN: 1010-@

1шт.

7

175-43-14130

ELEMENT

SN: 1010-1631

1шт.

8

175-43-14150

CAGE

SN: 1010-@

1шт.

9

170-14-18171

SLEEVE

SN: 1010-@

2шт.

10

170-14-18161

SPRING

SN: 1010-@

1шт.

11

145-49-12460

BOLT

SN: 1010-@

1шт.

12

01641-00608

WASHER

SN: 1010-@

1шт.

13

01590-00607

NUT

SN: 1010-@

1шт.

14

04050-01215

PIN

SN: 1010-@

1шт.

15

6003200-4-40

SPRING

SN: 1010-@

1шт.

16

195-49-11681

BRACKET

SN: 1010-1116

1шт.

17

01010-31230

BOLT

SN: 1117-@

4шт.

|17

01010-31230

BOLT

SN: 1010-1116

8шт.

18

01602-01236

WASHER

SN: 1117-@

4шт.

|18

01602-01236

WASHER

SN: 1010-1116

8шт.

19

01643-01232

WASHER

SN: 1117-@

4шт.

|19

01643-01232

WASHER

SN: 1010-1116

8шт.

20

01580-01210

NUT

SN: 1010-1116

4шт.

Выбрано товаров: 31