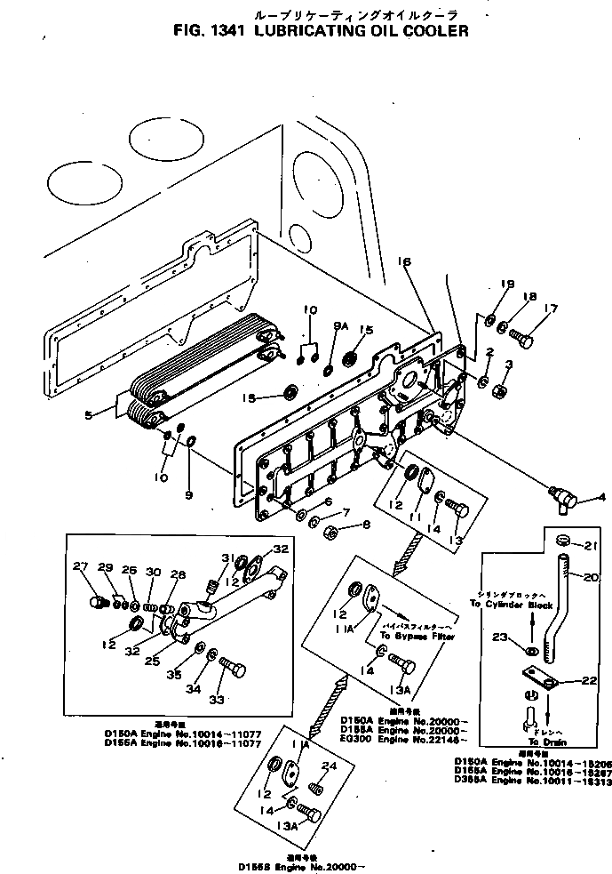
Запчасти Komatsu S6D155-4C СИСТЕМА СМАЗКИ МАСЛООХЛАДИТЕЛЬ СИСТЕМА СМАЗКИ МАСЛ. СИСТЕМА

Схема запчастей Komatsu S6D155-4C - СИСТЕМА СМАЗКИ МАСЛООХЛАДИТЕЛЬ СИСТЕМА СМАЗКИ МАСЛ. СИСТЕМА
FIT
1:1
100%

Артикул

Название

Примечание

Количество

|1

6127-61-2104

OIL COOLER ASS'Y

SN: 20338-UP

1шт.

|1

0

OIL COOLER ASS'Y

SN: 11716-20337

1шт.

|$$3

(6127-61-2104{07042-00312)}

-1шт.

|1

0

OIL COOLER ASS'Y

SN: 10011-11715

1шт.

1

6127-61-2113

BRACKET ASS'Y

SN: 11716-UP

1шт.

|1

6127-61-2112

BRACKET ASS'Y

SN: 10011-11715

1шт.

2

01602-01030

WASHER

SN: 10011-UP

2шт.

3

01580-01008

NUT

SN: 10011-UP

2шт.

4

6127-61-8411

VALVE ASS'Y

SN: 20338-UP

1шт.

|4

6110-63-5250

VALVE

SN: 11716-20337

1шт.

|4

0

VALVE

SN: 10011-11715

1шт.

5

600-651-1161

ELEMENT ASS'Y

SN: 11716-UP

2шт.

|5

0

ELEMENT ASS'Y

SN: 10011-11715

2шт.

6

01640-21016

WASHER

SN: 10011-UP

4шт.

7

01602-01030

WASHER

SN: 10011-UP

4шт.

8

01580-01008

NUT

SN: 10011-UP

4шт.

9

6127-61-2990

O-RING

SN: 11716-UP

2шт.

|9

6127-61-2990

O-RING

SN: 10011-11715

4шт.

9A

6127-61-2871

O-RING

SN: 20338-UP

2шт.

|9A

0

O-RING

SN: 11716-20337

2шт.

10

6127-61-2971

O-RING

SN: 20338-UP

8шт.

|10

0

O-RING

SN: 10011-20337

8шт.

11

6127-61-2412

PLATE

SN: 10011-UP

2шт.

12

6127-61-2420

GASKET

SN: 10011-UP

2шт.

13

01010-31020

BOLT

SN: 11716-UP

4шт.

|13

0

BOLT

SN: 10011-11715

4шт.

14

01602-01030

WASHER

SN: 10011-UP

4шт.

15

6124-61-2181

GROMMET (K2)

SN: 11716-UP

2шт.

|15

0

GROMMET

SN: 10011-11715

2шт.

16

6127-61-2131

GASKET (K2)

SN: 10011-UP

1шт.

17

01010-31035

BOLT

SN: 10011-UP

22шт.

18

01602-01030

WASHER

SN: 10011-UP

22шт.

19

01642-21016

WASHER

SN: 10011-UP

22шт.

20

6128-61-6710

HOSE

SN: 12859-15313

1шт.

|20

6120-61-6610

HOSE

SN: 10011-12858

1шт.

21

6120-61-6620

CLAMP

SN: 12859-15313

1шт.

|21

0

CLAMP

SN: 10011-12858

1шт.

22

6101-61-6620

CLAMP

SN: 10011-15313

1шт.

23

01642-21016

WASHER

SN: 10011-15313

1шт.

|1

6127-61-2104

OIL COOLER ASS'Y

SN: 20338-UP

1шт.

|1

0

OIL COOLER ASS'Y

SN: 11716-20337

1шт.

|$$3

(6127-61-2104{07042-00312)}

-1шт.

|1

0

OIL COOLER ASS'Y

SN: 10011-11715

1шт.

1

6127-61-2113

BRACKET ASS'Y

SN: 11716-UP

1шт.

|1

6127-61-2112

BRACKET ASS'Y

SN: 10011-11715

1шт.

2

01602-01030

WASHER

SN: 10011-UP

2шт.

3

01580-01008

NUT

SN: 10011-UP

2шт.

4

6127-61-8411

VALVE ASS'Y

SN: 20338-UP

1шт.

|4

6110-63-5250

VALVE

SN: 11716-20337

1шт.

|4

0

VALVE

SN: 10011-11715

1шт.

5

600-651-1161

ELEMENT ASS'Y

SN: 11716-UP

2шт.

|5

0

ELEMENT ASS'Y

SN: 10011-11715

2шт.

6

01640-21016

WASHER

SN: 10011-UP

4шт.

7

01602-01030

WASHER

SN: 10011-UP

4шт.

8

01580-01008

NUT

SN: 10011-UP

4шт.

9

6127-61-2990

O-RING

SN: 11716-UP

2шт.

|9

6127-61-2990

O-RING

SN: 10011-11715

4шт.

9A

6127-61-2871

O-RING

SN: 20338-UP

2шт.

|9A

0

O-RING

SN: 11716-20337

2шт.

10

6127-61-2971

O-RING

SN: 20338-UP

8шт.

|10

0

O-RING

SN: 10011-20337

8шт.

11

6127-61-2412

PLATE

SN: 10011-UP

2шт.

12

6127-61-2420

GASKET

SN: 10011-UP

2шт.

13

01010-31020

BOLT

SN: 11716-UP

4шт.

|13

0

BOLT

SN: 10011-11715

4шт.

14

01602-01030

WASHER

SN: 10011-UP

4шт.

15

6124-61-2181

GROMMET (K2)

SN: 11716-UP

2шт.

|15

0

GROMMET

SN: 10011-11715

2шт.

16

6127-61-2131

GASKET (K2)

SN: 10011-UP

1шт.

17

01010-31035

BOLT

SN: 10011-UP

22шт.

18

01602-01030

WASHER

SN: 10011-UP

22шт.

19

01642-21016

WASHER

SN: 10011-UP

22шт.

20

6128-61-6710

HOSE

SN: 12859-15313

1шт.

|20

6120-61-6610

HOSE

SN: 10011-12858

1шт.

21

6120-61-6620

CLAMP

SN: 12859-15313

1шт.

|21

0

CLAMP

SN: 10011-12858

1шт.

22

6101-61-6620

CLAMP

SN: 10011-15313

1шт.

23

01642-21016

WASHER

SN: 10011-15313

1шт.

Выбрано товаров: 78