Запчасти Komatsu S6D155-4C ГОЛОВКА ЦИЛИНДРОВ И МАСЛЯНЫЙ ПОДДОН(№-79) АКСЕССУАРЫ

Схема запчастей Komatsu S6D155-4C - ГОЛОВКА ЦИЛИНДРОВ И МАСЛЯНЫЙ ПОДДОН(№-79) АКСЕССУАРЫ
FIT
1:1
100%

Артикул

Название

Примечание

Количество

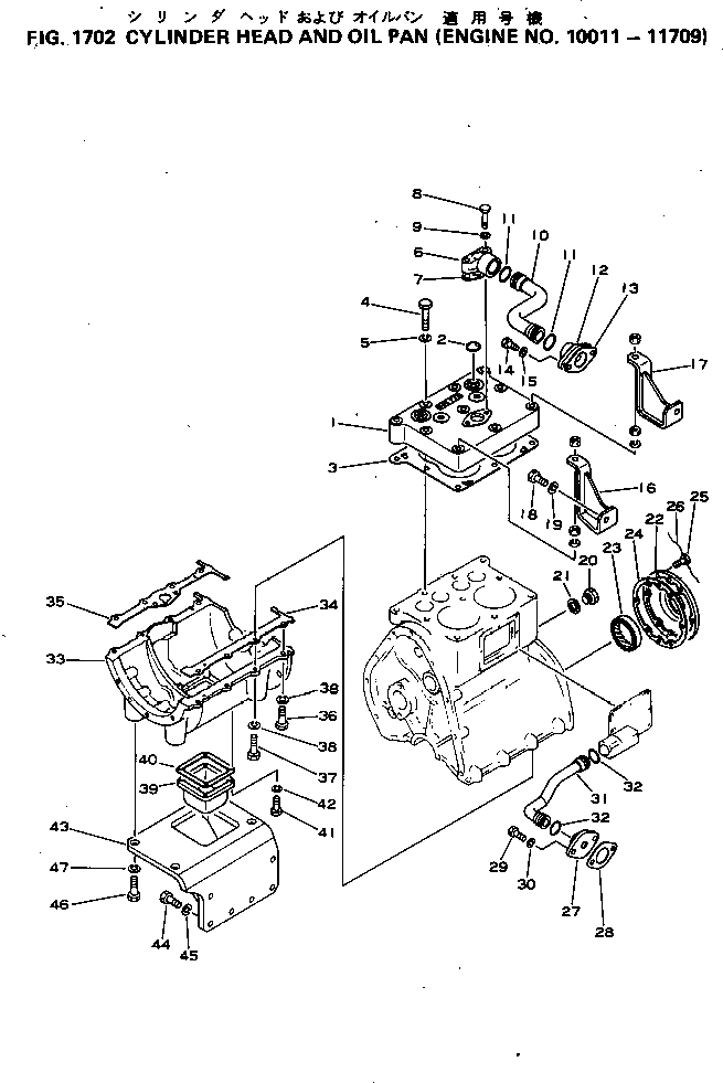
|1

6040-11-1016

CYLINDER HEAD ASS'Y

SN: 10011-11709

1шт.

1

6040-11-1116

CYLINDER HEAD ASS'Y

SN: 10011-11709

1шт.

2

07046-12820

PLUG

SN: 10011-11709

4шт.

3

6040-11-1813

GASKET

SN: 10011-11709

1шт.

4

6040-11-1620

BOLT

SN: 10011-11709

6шт.

5

6040-11-1650

WASHER

SN: 10011-11709

6шт.

6

6040-17-6111

ELBOW

SN: 10011-11709

1шт.

7

6040-11-6810

GASKET

SN: 10011-11709

1шт.

8

01010-30855

BOLT

SN: 10278-11709

2шт.

|8

01000-30855

BOLT

SN: 10011-10277

2шт.

9

01602-00825

WASHER

SN: 10011-11709

2шт.

10

6040-17-6122

PIPE

SN: 10248-11709

1шт.

|10

6040-17-6121

PIPE

SN: 10011-10247

1шт.

11

07000-03028

O-RING

SN: 10011-11709

2шт.

12

6040-17-6131

FLANGE

SN: 11274-11709

1шт.

|12

6040-17-6130

FLANGE

SN: 10011-11273

1шт.

13

6110-61-6831

GASKET

SN: 10011-11709

1шт.

14

01010-31030

BOLT

SN: 10011-11709

2шт.

15

01602-01030

WASHER

SN: 10011-11709

2шт.

16

6040-17-1721

BRACKET

SN: 10248-11709

1шт.

|16

6040-17-1720

BRACKET

SN: 10011-10247

1шт.

17

6040-17-1711

BRACKET

SN: 10248-11709

1шт.

|17

6040-17-1710

BRACKET

SN: 10011-10247

1шт.

18

01010-31230

BOLT

SN: 10278-11709

2шт.

|18

01010-31225

BOLT

SN: 10011-10277

2шт.

19

01602-01236

WASHER

SN: 10011-11709

2шт.

20

364-60-15290

PLUG

SN: 10011-11709

1шт.

21

07003-02026

GASKET

SN: 10011-11709

1шт.

22

6040-21-1311

COVER

SN: 10011-11709

1шт.

23

07011-00055

SEAL

SN: 10011-11709

1шт.

24

6040-21-1350

GASKET

SN: 10011-11709

1шт.

25

01014-30616

BOLT

SN: 10011-11709

6шт.

26

04059-01063

WIRE

SN: 10011-11709

1шт.

27

6040-67-6131

FLANGE

SN: 10692-11709

1шт.

|27

0

FLANGE

SN: 10011-10691

1шт.

28

6127-21-6720

GASKET

SN: 10011-11709

1шт.

29

01010-31030

BOLT

SN: 10011-11709

2шт.

30

01602-01030

WASHER

SN: 10011-11709

2шт.

31

6040-67-6170

PIPE

SN: 10011-11709

1шт.

32

07000-03022

O-RING

SN: 10011-11709

2шт.

33

6040-21-5110

PAN

SN: 10011-11709

1шт.

34

6040-21-5810

GASKET

SN: 10011-11709

1шт.

35

6040-21-5820

GASKET

SN: 10011-11709

1шт.

36

01010-30830

BOLT

SN: 10278-11709

6шт.

|36

01000-30830

BOLT

SN: 10011-10277

6шт.

37

01010-30835

BOLT

SN: 10278-11709

2шт.

|37

01000-30835

BOLT

SN: 10011-10277

2шт.

38

01602-00825

WASHER

SN: 10011-11709

8шт.

39

6040-21-5161

COVER

SN: 10011-11709

1шт.

|39

6040-23-5160

COVER,(B)

SN: 10011-11709

1шт.

40

6040-21-5170

GASKET

SN: 10011-11709

1шт.

41

01010-30816

BOLT

SN: 10278-11709

4шт.

|41

01000-30816

BOLT

SN: 10011-10277

4шт.

42

01602-00825

WASHER

SN: 10011-11709

4шт.

43

6040-27-6210

BRACKET

SN: 10011-11709

1шт.

44

01010-31235

BOLT

SN: 10011-11709

6шт.

45

01602-01236

WASHER

SN: 10011-11709

6шт.

46

01010-31440

BOLT

SN: 10278-11709

4шт.

|46

01040-31440

BOLT

SN: 10011-10277

4шт.

47

01602-01442

WASHER

SN: 10011-11709

4шт.

|1

6040-11-1016

CYLINDER HEAD ASS'Y

SN: 10011-11709

1шт.

1

6040-11-1116

CYLINDER HEAD ASS'Y

SN: 10011-11709

1шт.

2

07046-12820

PLUG

SN: 10011-11709

4шт.

3

6040-11-1813

GASKET

SN: 10011-11709

1шт.

4

6040-11-1620

BOLT

SN: 10011-11709

6шт.

5

6040-11-1650

WASHER

SN: 10011-11709

6шт.

6

6040-17-6111

ELBOW

SN: 10011-11709

1шт.

7

6040-11-6810

GASKET

SN: 10011-11709

1шт.

8

01010-30855

BOLT

SN: 10278-11709

2шт.

|8

01000-30855

BOLT

SN: 10011-10277

2шт.

9

01602-00825

WASHER

SN: 10011-11709

2шт.

10

6040-17-6122

PIPE

SN: 10248-11709

1шт.

|10

6040-17-6121

PIPE

SN: 10011-10247

1шт.

11

07000-03028

O-RING

SN: 10011-11709

2шт.

12

6040-17-6131

FLANGE

SN: 11274-11709

1шт.

|12

6040-17-6130

FLANGE

SN: 10011-11273

1шт.

13

6110-61-6831

GASKET

SN: 10011-11709

1шт.

14

01010-31030

BOLT

SN: 10011-11709

2шт.

15

01602-01030

WASHER

SN: 10011-11709

2шт.

16

6040-17-1721

BRACKET

SN: 10248-11709

1шт.

|16

6040-17-1720

BRACKET

SN: 10011-10247

1шт.

17

6040-17-1711

BRACKET

SN: 10248-11709

1шт.

|17

6040-17-1710

BRACKET

SN: 10011-10247

1шт.

18

01010-31230

BOLT

SN: 10278-11709

2шт.

|18

01010-31225

BOLT

SN: 10011-10277

2шт.

19

01602-01236

WASHER

SN: 10011-11709

2шт.

20

364-60-15290

PLUG

SN: 10011-11709

1шт.

21

07003-02026

GASKET

SN: 10011-11709

1шт.

22

6040-21-1311

COVER

SN: 10011-11709

1шт.

23

07011-00055

SEAL

SN: 10011-11709

1шт.

24

6040-21-1350

GASKET

SN: 10011-11709

1шт.

25

01014-30616

BOLT

SN: 10011-11709

6шт.

26

04059-01063

WIRE

SN: 10011-11709

1шт.

27

6040-67-6131

FLANGE

SN: 10692-11709

1шт.

|27

0

FLANGE

SN: 10011-10691

1шт.

28

6127-21-6720

GASKET

SN: 10011-11709

1шт.

29

01010-31030

BOLT

SN: 10011-11709

2шт.

30

01602-01030

WASHER

SN: 10011-11709

2шт.

31

6040-67-6170

PIPE

SN: 10011-11709

1шт.

32

07000-03022

O-RING

SN: 10011-11709

2шт.

33

6040-21-5110

PAN

SN: 10011-11709

1шт.

34

6040-21-5810

GASKET

SN: 10011-11709

1шт.

35

6040-21-5820

GASKET

SN: 10011-11709

1шт.

36

01010-30830

BOLT

SN: 10278-11709

6шт.

|36

01000-30830

BOLT

SN: 10011-10277

6шт.

37

01010-30835

BOLT

SN: 10278-11709

2шт.

|37

01000-30835

BOLT

SN: 10011-10277

2шт.

38

01602-00825

WASHER

SN: 10011-11709

8шт.

39

6040-21-5161

COVER

SN: 10011-11709

1шт.

|39

6040-23-5160

COVER,(B)

SN: 10011-11709

1шт.

40

6040-21-5170

GASKET

SN: 10011-11709

1шт.

41

01010-30816

BOLT

SN: 10278-11709

4шт.

|41

01000-30816

BOLT

SN: 10011-10277

4шт.

42

01602-00825

WASHER

SN: 10011-11709

4шт.

43

6040-27-6210

BRACKET

SN: 10011-11709

1шт.

44

01010-31235

BOLT

SN: 10011-11709

6шт.

45

01602-01236

WASHER

SN: 10011-11709

6шт.

46

01010-31440

BOLT

SN: 10278-11709

4шт.

|46

01040-31440

BOLT

SN: 10011-10277

4шт.

47

01602-01442

WASHER

SN: 10011-11709

4шт.

Выбрано товаров: 120