Запчасти Komatsu S6D155-4C БЛОК ЦИЛИНДРОВ(№8-8) БЛОК ЦИЛИНДРОВ

Схема запчастей Komatsu S6D155-4C - БЛОК ЦИЛИНДРОВ(№8-8) БЛОК ЦИЛИНДРОВ
FIT
1:1
100%

Артикул

Название

Примечание

Количество

|$0

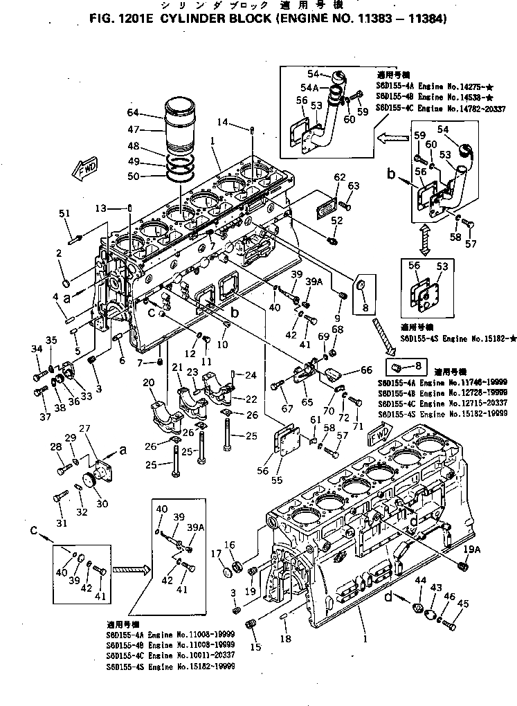
6127-21-1105

CYLINDER BLOCK ASS'Y

SN: 11383-11384

1шт.

1

0

BLOCK

SN: 11383-11384

1шт.

2

07046-15020

PLUG

SN: 11383-11384

1шт.

3

07043-00415

PLUG

SN: 11383-11384

2шт.

4

04020-01842

PIN

SN: 11383-11384

1шт.

5

04020-00820

PIN

SN: 11383-11384

2шт.

6

6127-21-1180

PIN

SN: 11383-11384

1шт.

7

6100-21-1130

PLUG

SN: 11383-11384

8шт.

8

07046-16020

PLUG

SN: 11383-11384

6шт.

9

07043-01019

PLUG

SN: 11383-11384

1шт.

10

6110-23-1170

PLUG

SN: 11383-11384

4шт.

11

07040-11409

PLUG

SN: 11383-11384

1шт.

12

07003-01419

GASKET (K2)

SN: 11383-11384

1шт.

13

04020-01024

PIN

SN: 11383-11384

6шт.

14

6127-21-1130

ORIFICE

SN: 11383-11384

3шт.

15

07043-01422

PLUG

SN: 11383-11384

1шт.

16

6127-21-1490

BUSHING

SN: 11383-11384

7шт.

17

6127-21-1150

PLUG

SN: 11383-11384

1шт.

18

6127-21-1160

PIN

SN: 11383-11384

2шт.

19

07043-01019

PLUG

SN: 11383-11384

1шт.

19A

07043-01222

PLUG

SN: 11383-11384

3шт.

20

0

CAP

SN: 11383-11384

1шт.

|$22

6127-21-1022

MAIN METAL CAP A.

SN: 11383-11384

1шт.

21

0

CAP

SN: 11383-11384

5шт.

22

0

CAP

SN: 11383-11384

1шт.

23

6127-21-1260

PIN

SN: 11383-11384

2шт.

24

04020-00616

PIN

SN: 11383-11384

2шт.

25

6127-21-1710

BOLT

SN: 11383-11384

14шт.

26

6127-21-1741

WASHER

SN: 11383-11384

14шт.

26

0

LOCK (K2)

SN: 11383-11384

14шт.

27

6127-21-2510

SHAFT

SN: 11383-11384

1шт.

28

01010-31230

BOLT

SN: 11383-11384

4шт.

29

01650-21212

WASHER (K2)

SN: 11383-11384

4шт.

30

6127-21-2520

PLATE

SN: 11383-11384

1шт.

31

01050-31025

BOLT

SN: 11383-11384

2шт.

32

6127-21-2530

LOCK (K2)

SN: 11383-11384

1шт.

33

6127-21-2412

SHAFT

SN: 11383-11384

1шт.

34

01010-31035

BOLT

SN: 11383-11384

3шт.

35

01650-21012

WASHER (K2)

SN: 11383-11384

3шт.

36

6127-21-2421

PLATE

SN: 11383-11384

1шт.

37

01050-61025

BOLT

SN: 11383-11384

2шт.

38

6127-21-2431

LOCK (K2)

SN: 11383-11384

1шт.

|$42

6127-21-1082

NOZZLE ASS'Y,NO.1,2,3

SN: 11383-11384

3шт.

|$43

6127-21-1092

NOZZLE ASS'Y,NO.4,5,6

SN: 11383-11384

3шт.

39

0

NOZZLE,NO.1,2,3

SN: 11383-11384

1шт.

39

0

NOZZLE,NO.4,5,6

SN: 11383-11384

1шт.

39A

6100-21-1130

PLUG

SN: 11383-11384

1шт.

40

07000-02016

O-RING

SN: 11383-11384

1шт.

41

01010-30818

BOLT

SN: 11383-11384

6шт.

42

01602-00825

WASHER

SN: 11383-11384

6шт.

43

6127-21-6710

COVER

SN: 11383-11384

2шт.

44

6127-21-6720

GASKET (K2)

SN: 11383-11384

2шт.

45

01010-31025

BOLT

SN: 11383-11384

4шт.

46

01602-01030

WASHER

SN: 11383-11384

4шт.

47

6128-29-2210

LINER

SN: 11383-11384

6шт.

48

6127-21-2221

O-RING (K2)

SN: 11383-11384

6шт.

49

6127-21-2221

O-RING (K2)

SN: 11383-11384

6шт.

50

6127-21-2241

O-RING (K2)

SN: 11383-11384

6шт.

51

6127-21-1170

SPRAY

SN: 11383-11384

1шт.

52

07213-31013

CONNECTOR

SN: 11383-11384

1шт.

53

6127-21-7111

FILLER

SN: 11383-11384

1шт.

53

6127-21-7210

FILLER,(A)

SN: 11383-11384

1шт.

55

6127-21-6511

COVER

SN: 11383-11384

1шт.

56

6127-21-6521

GASKET (K2)

SN: 11383-11384

2шт.

57

01010-30825

BOLT

SN: 11383-11384

16шт.

58

01602-00825

WASHER

SN: 11383-11384

16шт.

62

09605-00040

PLATE, NAME,(LIMITED SUPPLY)

SN: 11383-11384

1шт.

62

6127-81-1110

PLATE, NAME,(GREEK)(LIMITED SUPPLY)

SN: 11383-11384

1шт.

63

04418-03060

SCREW

SN: 11383-11384

4шт.

64

6127-29-2230

SHIM, 0.18MM

SN: 11383-11384

-2шт.

64

6127-28-2230

SHIM, 0.20MM

SN: 11383-11384

-2шт.

64

6127-27-2230

SHIM, 0.23MM

SN: 11383-11384

-2шт.

64

6127-26-2230

SHIM, 0.51MM

SN: 11383-11384

-2шт.

64

6127-25-2230

SHIM, 0.79MM

SN: 11383-11384

-2шт.

64

6127-24-2230

SHIM, 1.57MM

SN: 11383-11384

-2шт.

65

6127-21-6110

BRACKET

SN: 11383-11384

1шт.

66

6127-21-6210

BRACKET

SN: 11383-11384

1шт.

67

01050-31645

BOLT

SN: 11383-11384

1шт.

68

01582-01613

NUT

SN: 11383-11384

1шт.

69

01602-01648

WASHER

SN: 11383-11384

1шт.

70

6127-21-6920

CLIP

SN: 11383-11384

1шт.

71

01010-31235

BOLT

SN: 11383-11384

4шт.

72

01602-01236

WASHER

SN: 11383-11384

4шт.

|$0

6127-21-1105

CYLINDER BLOCK ASS'Y

SN: 11383-11384

1шт.

1

0

BLOCK

SN: 11383-11384

1шт.

2

07046-15020

PLUG

SN: 11383-11384

1шт.

3

07043-00415

PLUG

SN: 11383-11384

2шт.

4

04020-01842

PIN

SN: 11383-11384

1шт.

5

04020-00820

PIN

SN: 11383-11384

2шт.

6

6127-21-1180

PIN

SN: 11383-11384

1шт.

7

6100-21-1130

PLUG

SN: 11383-11384

8шт.

8

07046-16020

PLUG

SN: 11383-11384

6шт.

9

07043-01019

PLUG

SN: 11383-11384

1шт.

10

6110-23-1170

PLUG

SN: 11383-11384

4шт.

11

07040-11409

PLUG

SN: 11383-11384

1шт.

12

07003-01419

GASKET (K2)

SN: 11383-11384

1шт.

13

04020-01024

PIN

SN: 11383-11384

6шт.

14

6127-21-1130

ORIFICE

SN: 11383-11384

3шт.

15

07043-01422

PLUG

SN: 11383-11384

1шт.

16

6127-21-1490

BUSHING

SN: 11383-11384

7шт.

17

6127-21-1150

PLUG

SN: 11383-11384

1шт.

18

6127-21-1160

PIN

SN: 11383-11384

2шт.

19

07043-01019

PLUG

SN: 11383-11384

1шт.

19A

07043-01222

PLUG

SN: 11383-11384

3шт.

20

0

CAP

SN: 11383-11384

1шт.

|$22

6127-21-1022

MAIN METAL CAP A.

SN: 11383-11384

1шт.

21

0

CAP

SN: 11383-11384

5шт.

22

0

CAP

SN: 11383-11384

1шт.

23

6127-21-1260

PIN

SN: 11383-11384

2шт.

24

04020-00616

PIN

SN: 11383-11384

2шт.

25

6127-21-1710

BOLT

SN: 11383-11384

14шт.

26

6127-21-1741

WASHER

SN: 11383-11384

14шт.

26

0

LOCK (K2)

SN: 11383-11384

14шт.

27

6127-21-2510

SHAFT

SN: 11383-11384

1шт.

28

01010-31230

BOLT

SN: 11383-11384

4шт.

29

01650-21212

WASHER (K2)

SN: 11383-11384

4шт.

30

6127-21-2520

PLATE

SN: 11383-11384

1шт.

31

01050-31025

BOLT

SN: 11383-11384

2шт.

32

6127-21-2530

LOCK (K2)

SN: 11383-11384

1шт.

33

6127-21-2412

SHAFT

SN: 11383-11384

1шт.

34

01010-31035

BOLT

SN: 11383-11384

3шт.

35

01650-21012

WASHER (K2)

SN: 11383-11384

3шт.

36

6127-21-2421

PLATE

SN: 11383-11384

1шт.

37

01050-61025

BOLT

SN: 11383-11384

2шт.

38

6127-21-2431

LOCK (K2)

SN: 11383-11384

1шт.

|$42

6127-21-1082

NOZZLE ASS'Y,NO.1,2,3

SN: 11383-11384

3шт.

|$43

6127-21-1092

NOZZLE ASS'Y,NO.4,5,6

SN: 11383-11384

3шт.

39

0

NOZZLE,NO.1,2,3

SN: 11383-11384

1шт.

39

0

NOZZLE,NO.4,5,6

SN: 11383-11384

1шт.

39A

6100-21-1130

PLUG

SN: 11383-11384

1шт.

40

07000-02016

O-RING

SN: 11383-11384

1шт.

41

01010-30818

BOLT

SN: 11383-11384

6шт.

42

01602-00825

WASHER

SN: 11383-11384

6шт.

43

6127-21-6710

COVER

SN: 11383-11384

2шт.

44

6127-21-6720

GASKET (K2)

SN: 11383-11384

2шт.

45

01010-31025

BOLT

SN: 11383-11384

4шт.

46

01602-01030

WASHER

SN: 11383-11384

4шт.

47

6128-29-2210

LINER

SN: 11383-11384

6шт.

48

6127-21-2221

O-RING (K2)

SN: 11383-11384

6шт.

49

6127-21-2221

O-RING (K2)

SN: 11383-11384

6шт.

50

6127-21-2241

O-RING (K2)

SN: 11383-11384

6шт.

51

6127-21-1170

SPRAY

SN: 11383-11384

1шт.

52

07213-31013

CONNECTOR

SN: 11383-11384

1шт.

53

6127-21-7111

FILLER

SN: 11383-11384

1шт.

53

6127-21-7210

FILLER,(A)

SN: 11383-11384

1шт.

55

6127-21-6511

COVER

SN: 11383-11384

1шт.

56

6127-21-6521

GASKET (K2)

SN: 11383-11384

2шт.

57

01010-30825

BOLT

SN: 11383-11384

16шт.

58

01602-00825

WASHER

SN: 11383-11384

16шт.

62

09605-00040

PLATE, NAME,(LIMITED SUPPLY)

SN: 11383-11384

1шт.

62

6127-81-1110

PLATE, NAME,(GREEK)(LIMITED SUPPLY)

SN: 11383-11384

1шт.

63

04418-03060

SCREW

SN: 11383-11384

4шт.

64

6127-29-2230

SHIM, 0.18MM

SN: 11383-11384

-2шт.

64

6127-28-2230

SHIM, 0.20MM

SN: 11383-11384

-2шт.

64

6127-27-2230

SHIM, 0.23MM

SN: 11383-11384

-2шт.

64

6127-26-2230

SHIM, 0.51MM

SN: 11383-11384

-2шт.

64

6127-25-2230

SHIM, 0.79MM

SN: 11383-11384

-2шт.

64

6127-24-2230

SHIM, 1.57MM

SN: 11383-11384

-2шт.

65

6127-21-6110

BRACKET

SN: 11383-11384

1шт.

66

6127-21-6210

BRACKET

SN: 11383-11384

1шт.

67

01050-31645

BOLT

SN: 11383-11384

1шт.

68

01582-01613

NUT

SN: 11383-11384

1шт.

69

01602-01648

WASHER

SN: 11383-11384

1шт.

70

6127-21-6920

CLIP

SN: 11383-11384

1шт.

71

01010-31235

BOLT

SN: 11383-11384

4шт.

72

01602-01236

WASHER

SN: 11383-11384

4шт.

Выбрано товаров: 166