Запчасти Komatsu D355A-3X ФУРНИТУРА В КАБИНЕ (ДЛЯ ВНУТР. РАМА)(№9-) ОПЦИОННЫЕ КОМПОНЕНТЫ

Схема запчастей Komatsu D355A-3X - ФУРНИТУРА В КАБИНЕ (ДЛЯ ВНУТР. РАМА)(№9-) ОПЦИОННЫЕ КОМПОНЕНТЫ
FIT
1:1
100%

Артикул

Название

Примечание

Количество

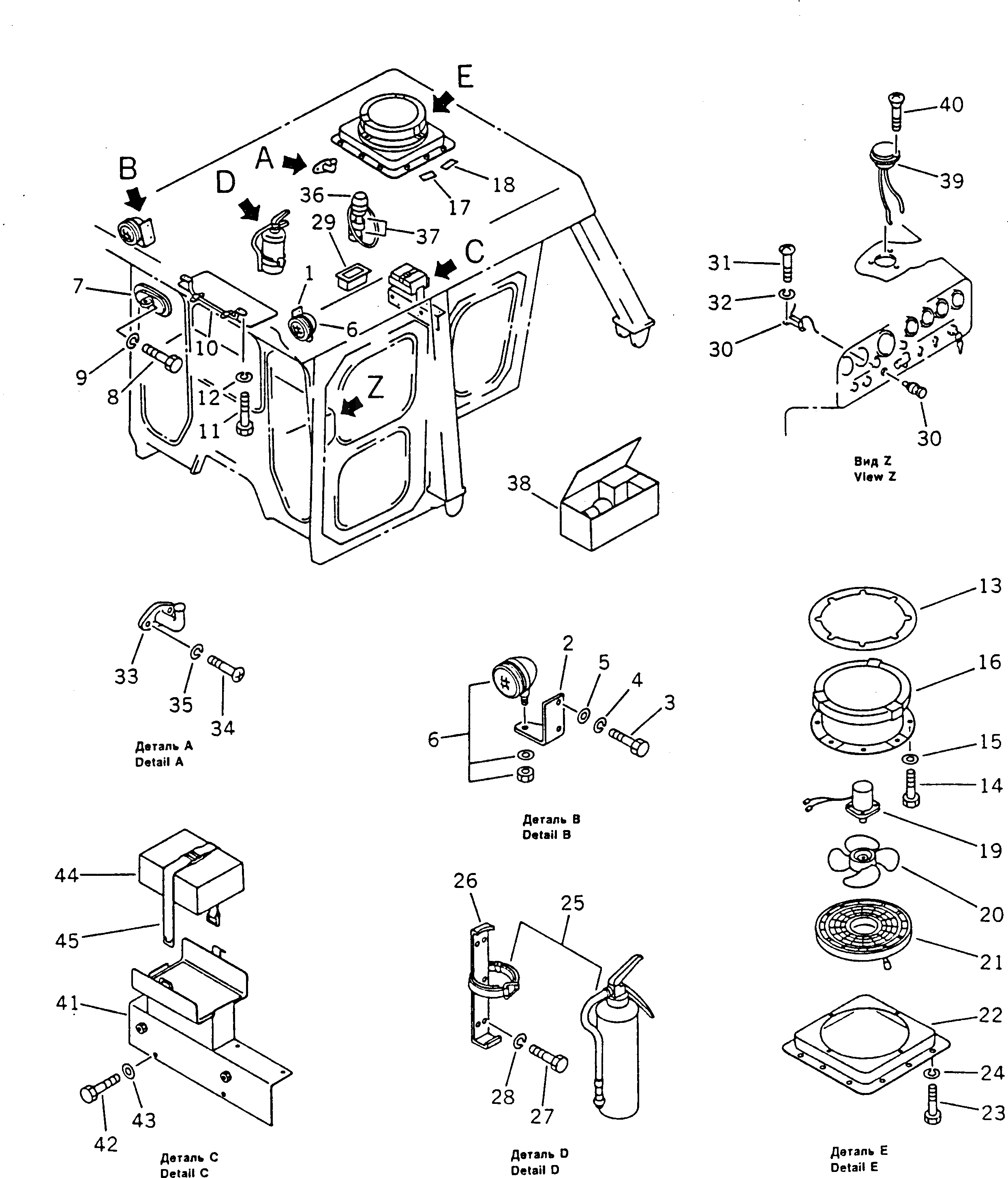
1

195-979-3930

BRACKET,L.H.

SN: 9001-UP

1шт.

2

195-979-3940

BRACKET,R.H.

SN: 9001-UP

1шт.

3

01010-81235

BOLT

SN: 9001-UP

4шт.

4

01602-21236

WASHER,SPRING

SN: 9001-UP

4шт.

5

01643-31232

WASHER

SN: 9001-UP

4шт.

6

08128-52400

LAMP ASS'Y

SN: 9001-UP

2шт.

|6

08113-02480

BULB¤ 80W

SN: 9001-UP

1шт.

7

08174-23116

MIRROR,REAR VIEW

SN: 9001-UP

1шт.

8

01010-81045

BOLT

SN: 9001-UP

1шт.

9

01602-21030

WASHER,SPRING

SN: 9001-UP

1шт.

10

195-911-5752

SUN VISOR ASS'Y

SN: 9001-UP

1шт.

11

01010-80616

BOLT

SN: 9001-UP

4шт.

12

01602-20619

WASHER,SPRING

SN: 9001-UP

4шт.

13

195-979-9450

GASKET

SN: 9001-UP

1шт.

14

01010-80623

RIVET

SN: 9001-UP

8шт.

15

01643-30623

WASHER

SN: 9001-UP

8шт.

16

195-979-3321

VENTILATOR ASS'Y

SN: 9001-UP

1шт.

17

195-911-4611

PLATE

SN: 9001-UP

1шт.

18

195-911-4621

PLATE

SN: 9001-UP

1шт.

19

195-979-9540

MOTOR

SN: 9001-UP

1шт.

20

195-979-9550

FAN

SN: 9001-UP

1шт.

21

195-979-9560

GRILL

SN: 9001-UP

1шт.

22

175-979-2890

COVER

SN: 9001-UP

1шт.

23

01010-81020

BOLT

SN: 9001-UP

9шт.

24

01602-21030

WASHER,SPRING

SN: 9001-UP

9шт.

25

09495-30010

EXTINGUISHER

SN: 9001-UP

1шт.

26

154-90-16380

BRACKET

SN: 9001-UP

1шт.

27

01010-80625

BOLT

SN: 9001-UP

6шт.

28

01602-20619

WASHER,SPRING

SN: 9001-UP

6шт.

29

566-06-16410

ASHTRAY

SN: 9001-UP

1шт.

30

195-822-6151

LIGHTER,CIGARETTE

SN: 9001-UP

1шт.

31

01220-40406

SCREW

SN: 9001-UP

2шт.

32

01601-20410

WASHER,SPRING

SN: 9001-UP

2шт.

33

175-979-1480

HOOK

SN: 9001-UP

1шт.

34

01220-30516

SCREW

SN: 9001-UP

2шт.

35

01601-00613

WASHER,SPRING

SN: 9001-UP

2шт.

36

195-911-1722

FLASK

SN: 9001-UP

1шт.

37

195-911-1330

BAND

SN: 9001-UP

2шт.

38

175-900-2470

LAMP

SN: 9001-UP

1шт.

|38

08105-12410

BULB¤ 12W

SN: 9001-UP

1шт.

39

175-06-38451

CABLE

SN: 9001-UP

1шт.

40

01225-40310

SCREW

SN: 9001-UP

3шт.

41

195-979-8926

COVER

SN: 9001-UP

1шт.

42

195-979-7720

SCREW

SN: 9001-UP

5шт.

43

01641-20405

WASHER

SN: 9001-UP

5шт.

44

195-911-6531

BOX

SN: 9001-UP

1шт.

45

195-911-6562

BAND

SN: 9001-UP

1шт.

Выбрано товаров: 0