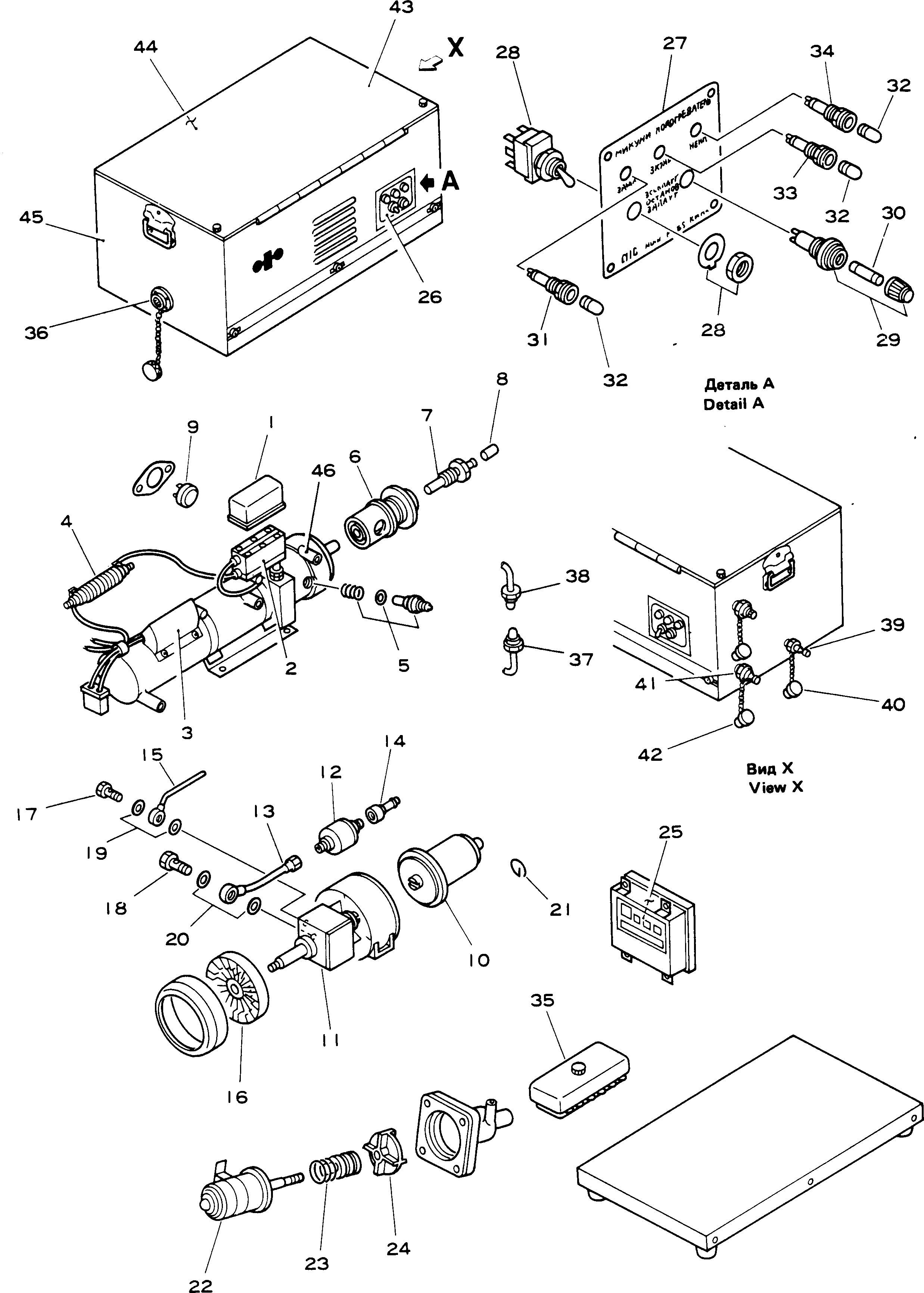
Запчасти Komatsu D355A-3X ПРЕДПУСК. ПОДОГРЕВ(№-) ОПЦИОННЫЕ КОМПОНЕНТЫ

Схема запчастей Komatsu D355A-3X - ПРЕДПУСК. ПОДОГРЕВ(№-) ОПЦИОННЫЕ КОМПОНЕНТЫ
FIT
1:1
100%

Артикул

Название

Примечание

Количество

|1

175-98-22350

PRE HEATER ASS'Y

SN: 1632-UP

1шт.

|1

MK-X51WHK3/004

HEATER ASS'Y

SN: 1632-UP

1шт.

1

12HA-3/221

CAP

SN: 1632-UP

1шт.

2

130H-6/220C

CONTROL

SN: 1632-UP

1шт.

3

12HA-3/215-30

COVER

SN: 1632-UP

1шт.

4

12HA-3/215A

RESISTANCE

SN: 1632-UP

1шт.

5

12HA-3/103A

WICK

SN: 1632-UP

1шт.

|5

180W/217A-10

PACKING

SN: 1632-UP

1шт.

|5

12HA-3/214

GLOW

SN: 1632-UP

1шт.

6

X50WH/102-6

NOZZLE

SN: 1632-UP

1шт.

7

X50WH/102-1A

NOZZLE

SN: 1632-UP

1шт.

8

X50WH/103

ASBESTOS

SN: 1632-UP

1шт.

9

X50WH/218A

THERMOSTAT

SN: 1632-UP

1шт.

|10

MK-X50WH/005

SUPPLY UNIT

SN: 1632-UP

1шт.

10

X50WH/201

MOTOR

SN: 1632-UP

1шт.

11

X50WH/001

PUMP,FUEL

SN: 1632-UP

1шт.

12

X50WH/230

SOLENOID

SN: 1632-UP

1шт.

13

X50WH/301

PIPE,FUEL

SN: 1632-UP

1шт.

14

X50WH/303

NIPPLE

SN: 1632-UP

1шт.

15

X50WH/304

PIPE,FUEL

SN: 1632-UP

1шт.

16

X50WH/31

BLOWER

SN: 1632-UP

1шт.

17

65HL3/39

BOLT,UNION

SN: 1632-UP

1шт.

18

65HL3/132

BOLT,UNION

SN: 1632-UP

1шт.

19

65HL3/40

PACKING

SN: 1632-UP

1шт.

20

65HL3/30

PACKING

SN: 1632-UP

1шт.

21

70H-8/79

WIRE,COUPLING

SN: 1632-UP

1шт.

|22

MK-X50WH/009

WATER PUMP ASS'Y

SN: 1632-UP

1шт.

22

X50WH/203A

MOTOR

SN: 1632-UP

1шт.

23

100WK6/167B

SEAL

SN: 1632-UP

1шт.

24

X50WH/161

IMPELLER

SN: 1632-UP

1шт.

|25

MKX51WHK-3/226

CONTROL BOX

SN: 1632-UP

1шт.

25

X50WH/227A

PANEL

SN: 1632-UP

1шт.

26

MKX51WHK-3/225

PANEL ASS'Y

SN: 1632-UP

1шт.

27

MKX51WHK3/2251

PANEL

SN: 1632-UP

1шт.

28

MK-ST1-3H

SWITCH

SN: 1632-UP

1шт.

29

MK-D40WK-3/21-

SOCKET ASS'Y

SN: 1632-UP

1шт.

30

08040-00500

FUSE¤ 5A

SN: 1632-UP

1шт.

31

MK.X50WH/240

LAMP

SN: 1632-UP

1шт.

32

MK.X50WH-1/204

LAMP

SN: 1632-UP

3шт.

33

MK.X50WH-1/241

LAMP

SN: 1632-UP

1шт.

34

MK.X50WH-1/242

LAMP

SN: 1632-UP

1шт.

35

MK.50HK-8/400A

FUSE BOX

SN: 1632-UP

1шт.

36

MK.X50WHK/284

RECEPTACLE

SN: 1632-UP

1шт.

37

MK.SW-1WK

FILTER,FUEL

SN: 1632-UP

1шт.

38

MK.X50WHK/305

PIPE,FUEL

SN: 1632-UP

1шт.

39

MK150HK-11/302

PLUG

SN: 1632-UP

1шт.

40

MK150HK11/3021

CAP,PLUG

SN: 1632-UP

1шт.

41

MKX50WHK/472-1

PLUG

SN: 1632-UP

2шт.

42

MKX50WHK/472-2

CAP,PLUG

SN: 1632-UP

2шт.

43

MKX51WHK-3/360

COVER ASS'Y

SN: 1632-UP

1шт.

44

MK.X50WHK/350

BOX ASS'Y

SN: 1632-UP

1шт.

45

MK.X50WHK/369

COVER,REAR

SN: 1632-UP

1шт.

46

MK.X50WHK/370

PIPE,EXHAUST

SN: 1632-UP

1шт.

Выбрано товаров: 53