Запчасти Komatsu SA6D155-4A-35 ТОПЛ. НАСОС (/) ТОПЛИВН. СИСТЕМА

Схема запчастей Komatsu SA6D155-4A-35 - ТОПЛ. НАСОС (/) ТОПЛИВН. СИСТЕМА
1
2
3
3
4
5
6
7
8
9
10
11
12
13
14
15
16
17
18
19
20
21
22
23
24
24
25
26
27
28
29
30
31
32
33
33
34
35
36
37
38
39
1
2
3
3
4
5
6
7
8
9
10
11
12
13
14
15
16
17
18
19
20
21
22
23
24
24
25
26
27
28
29
30
31
32
33
33
34
35
36
37
38
39
FIT
1:1
100%

Артикул

Название

Примечание

Количество

|$0

6128-71-1034

INJECTION PUMP ASS'Y

SN: .-UP

1шт.

|$1

0

INJECTION PUMP ASS'Y

SN: 26691-.

1шт.

|$2

0

INJECTION PUMP ASS'Y

SN: 23557-26690

1шт.

|$3

0

INJECTION PUMP ASS'Y

SN: 20338-23556

1шт.

|$4

6128-71-1054

INJECTION PUMP ASS'Y,(COLD WEATHER SPEC.)

SN: .-UP

1шт.

|$5

0

INJECTION PUMP ASS'Y,(COLD WEATHER SPEC.)

SN: 26691-.

1шт.

|$6

0

INJECTION PUMP ASS'Y,(COLD WEATHER SPEC.)

SN: 23557-26690

1шт.

|$7

0

INJECTION PUMP ASS'Y,(COLD WEATHER SPEC.)

SN: 20338-23556

1шт.

|$8

6128-71-1083

INJECTION PUMP ASS'Y,(TBG SPEC.)

SN: .-UP

1шт.

|$9

0

INJECTION PUMP ASS'Y,(TBG SPEC.)

SN: 26691-.

1шт.

|$$11

THESE ASSEMBLIES CONSIST OF ALL PARTS SHOWN IN FIGS.451 TO 456.

-1шт.

|$$12

THE ZEXEL PART NUMBER IS THAT DK IS REMOVED FROM KOMATSU PART NUMBER LISTED BELOW.

-1шт.

|$12

DK106067-8150

PUMP ASS'Y

SN: 26691-UP

1шт.

|$13

DK106067-8130

PUMP ASS'Y

SN: 23557-26690

1шт.

|$14

DK106067-8110

PUMP ASS'Y

SN: 20338-23556

1шт.

|$15

DK106067-8180

PUMP ASS'Y,(COLD WEATHER SPEC.)

SN: 26691-UP

1шт.

|$16

DK106067-8140

PUMP ASS'Y,(COLD WEATHER SPEC.)

SN: 23557-26690

1шт.

|$17

DK106067-8120

PUMP ASS'Y,(COLD WEATHER SPEC.)

SN: 20338-23556

1шт.

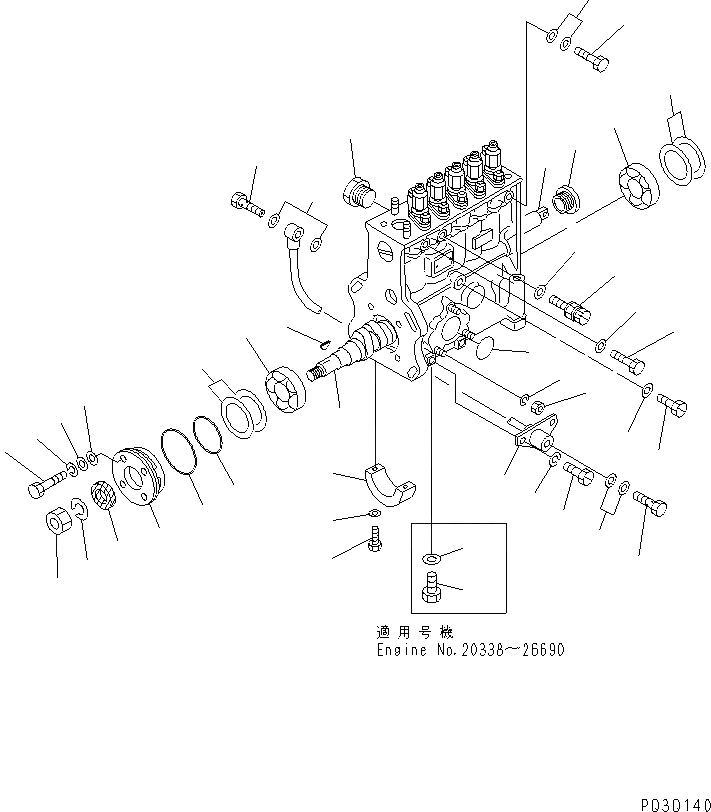
1

DK134371-0100

CAMSHAFT

SN: 23557-UP

1шт.

1

0

CAMSHAFT

SN: 20338-23556

1шт.

2

DK025805-1910

KEY

SN: 20338-UP

1шт.

3

DK016650-2230

BEARING

SN: 20338-UP

2шт.

4

DK134305-0000

METAL

SN: 20338-UP

1шт.

5

DK029020-6140

BOLT

SN: 20338-UP

2шт.

6

DK134510-3900

GASKET

SN: .-UP

2шт.

6

0

GASKET

SN: 20338-.

2шт.

7

DK026712-5010

SEAL

SN: 20338-UP

1шт.

7

DK026712-5020

SEAL,(COLD WEATHER SPEC.)

SN: 20338-UP

1шт.

8

DK134316-0200

COVER

SN: 20338-UP

1шт.

9

DK029050-6360

BOLT

SN: 20338-UP

4шт.

10

DK029320-6010

WASHER

SN: 20338-UP

4шт.

11

DK029300-6170

SHIM

SN: 20338-UP

4шт.

12

DK029340-6120

GASKET

SN: 20338-UP

4шт.

13

DK029635-5010

O-RING

SN: 20338-UP

1шт.

13

DK029635-5050

O-RING,(COLD WEATHER SPEC.)

SN: 20338-UP

1шт.

14

DK029639-0020

O-RING

SN: 20338-UP

1шт.

14

DK029639-0030

O-RING,(COLD WEATHER SPEC.)

SN: 20338-UP

1шт.

15

DK134314-0000

SHIM, 0.10MM

SN: 20338-UP

-2шт.

15

DK134314-0100

SHIM, 0.12MM

SN: 20338-UP

-2шт.

15

DK134314-0200

SHIM, 0.14MM

SN: 20338-UP

-2шт.

15

DK134314-0300

SHIM, 0.16MM

SN: 20338-UP

-2шт.

15

DK134314-0400

SHIM, 0.18MM

SN: 20338-UP

-2шт.

15

DK134314-0500

SHIM, 0.30MM

SN: 20338-UP

-2шт.

15

DK134314-0600

SHIM, 0.50MM

SN: 20338-UP

-2шт.

16

DK134303-0400

SHIM, 0.60MM

SN: 23557-UP

-2шт.

16

DK134303-0000

SHIM, 1.20MM

SN: 20338-UP

-2шт.

16

DK134303-0100

SHIM, 1.50MM

SN: 20338-UP

-2шт.

16

DK134303-0200

SHIM, 1.80MM

SN: 20338-UP

-2шт.

16

DK134303-0300

SHIM, 2.00MM

SN: 20338-UP

-2шт.

17

DK134256-2000

RACK

SN: 26691-UP

1шт.

17

DK134256-0100

RACK

SN: 23557-26690

1шт.

17

0

RACK

SN: 20338-23556

1шт.

18

DK134222-0100

BUSHING

SN: 20338-UP

1шт.

19

DK134226-0000

SCREW

SN: 20338-UP

1шт.

20

DK134510-3900

GASKET

SN: 20338-UP

1шт.

21

DK014111-8410

WASHER

SN: 20338-UP

1шт.

22

DK139218-0000

NUT

SN: 26691-UP

1шт.

22

DK029201-8150

NUT

SN: 20338-26690

1шт.

23

DK134433-1720

PIPE

SN: 20338-UP

1шт.

24

DK029341-4130

GASKET

SN: 20338-UP

4шт.

25

DK029731-4080

BOLT

SN: 20338-UP

1шт.

26

DK029731-4080

BOLT

SN: 20338-UP

1шт.

27

DK010038-2040

BOLT

SN: 20338-UP

2шт.

28

DK014110-8440

WASHER

SN: 20338-UP

2шт.

29

DK029633-1010

O-RING

SN: 20338-UP

1шт.

29

DK029633-1020

O-RING,(COLD WEATHER SPEC.)

SN: 20338-UP

1шт.

30

DK014110-6440

WASHER,SPRING

SN: 20338-UP

3шт.

31

DK013020-6040

NUT

SN: 20338-UP

3шт.

32

DK029111-4050

PLUG

SN: 20338-UP

1шт.

33

DK029341-4130

GASKET

SN: 20338-UP

3шт.

34

DK029731-4080

BOLT

SN: 20338-UP

1шт.

35

DK134420-0020

BOLT

SN: 20338-UP

1шт.

36

DK026514-1840

GASKET

SN: 20338-UP

1шт.

37

DK134045-0000

PLUG

SN: 20338-UP

1шт.

38

DK029111-0010

PLUG

SN: 20338-26690

1шт.

39

DK026510-1340

GASKET

SN: 20338-26690

1шт.

|$0

6128-71-1034

INJECTION PUMP ASS'Y

SN: .-UP

1шт.

|$1

0

INJECTION PUMP ASS'Y

SN: 26691-.

1шт.

|$2

0

INJECTION PUMP ASS'Y

SN: 23557-26690

1шт.

|$3

0

INJECTION PUMP ASS'Y

SN: 20338-23556

1шт.

|$4

6128-71-1054

INJECTION PUMP ASS'Y,(COLD WEATHER SPEC.)

SN: .-UP

1шт.

|$5

0

INJECTION PUMP ASS'Y,(COLD WEATHER SPEC.)

SN: 26691-.

1шт.

|$6

0

INJECTION PUMP ASS'Y,(COLD WEATHER SPEC.)

SN: 23557-26690

1шт.

|$7

0

INJECTION PUMP ASS'Y,(COLD WEATHER SPEC.)

SN: 20338-23556

1шт.

|$8

6128-71-1083

INJECTION PUMP ASS'Y,(TBG SPEC.)

SN: .-UP

1шт.

|$9

0

INJECTION PUMP ASS'Y,(TBG SPEC.)

SN: 26691-.

1шт.

|$$11

THESE ASSEMBLIES CONSIST OF ALL PARTS SHOWN IN FIGS.451 TO 456.

-1шт.

|$$12

THE ZEXEL PART NUMBER IS THAT DK IS REMOVED FROM KOMATSU PART NUMBER LISTED BELOW.

-1шт.

|$12

DK106067-8150

PUMP ASS'Y

SN: 26691-UP

1шт.

|$13

DK106067-8130

PUMP ASS'Y

SN: 23557-26690

1шт.

|$14

DK106067-8110

PUMP ASS'Y

SN: 20338-23556

1шт.

|$15

DK106067-8180

PUMP ASS'Y,(COLD WEATHER SPEC.)

SN: 26691-UP

1шт.

|$16

DK106067-8140

PUMP ASS'Y,(COLD WEATHER SPEC.)

SN: 23557-26690

1шт.

|$17

DK106067-8120

PUMP ASS'Y,(COLD WEATHER SPEC.)

SN: 20338-23556

1шт.

1

DK134371-0100

CAMSHAFT

SN: 23557-UP

1шт.

1

0

CAMSHAFT

SN: 20338-23556

1шт.

2

DK025805-1910

KEY

SN: 20338-UP

1шт.

3

DK016650-2230

BEARING

SN: 20338-UP

2шт.

4

DK134305-0000

METAL

SN: 20338-UP

1шт.

5

DK029020-6140

BOLT

SN: 20338-UP

2шт.

6

DK134510-3900

GASKET

SN: .-UP

2шт.

6

0

GASKET

SN: 20338-.

2шт.

7

DK026712-5010

SEAL

SN: 20338-UP

1шт.

7

DK026712-5020

SEAL,(COLD WEATHER SPEC.)

SN: 20338-UP

1шт.

8

DK134316-0200

COVER

SN: 20338-UP

1шт.

9

DK029050-6360

BOLT

SN: 20338-UP

4шт.

10

DK029320-6010

WASHER

SN: 20338-UP

4шт.

11

DK029300-6170

SHIM

SN: 20338-UP

4шт.

12

DK029340-6120

GASKET

SN: 20338-UP

4шт.

13

DK029635-5010

O-RING

SN: 20338-UP

1шт.

13

DK029635-5050

O-RING,(COLD WEATHER SPEC.)

SN: 20338-UP

1шт.

14

DK029639-0020

O-RING

SN: 20338-UP

1шт.

14

DK029639-0030

O-RING,(COLD WEATHER SPEC.)

SN: 20338-UP

1шт.

15

DK134314-0000

SHIM, 0.10MM

SN: 20338-UP

-2шт.

15

DK134314-0100

SHIM, 0.12MM

SN: 20338-UP

-2шт.

15

DK134314-0200

SHIM, 0.14MM

SN: 20338-UP

-2шт.

15

DK134314-0300

SHIM, 0.16MM

SN: 20338-UP

-2шт.

15

DK134314-0400

SHIM, 0.18MM

SN: 20338-UP

-2шт.

15

DK134314-0500

SHIM, 0.30MM

SN: 20338-UP

-2шт.

15

DK134314-0600

SHIM, 0.50MM

SN: 20338-UP

-2шт.

16

DK134303-0400

SHIM, 0.60MM

SN: 23557-UP

-2шт.

16

DK134303-0000

SHIM, 1.20MM

SN: 20338-UP

-2шт.

16

DK134303-0100

SHIM, 1.50MM

SN: 20338-UP

-2шт.

16

DK134303-0200

SHIM, 1.80MM

SN: 20338-UP

-2шт.

16

DK134303-0300

SHIM, 2.00MM

SN: 20338-UP

-2шт.

17

DK134256-2000

RACK

SN: 26691-UP

1шт.

17

DK134256-0100

RACK

SN: 23557-26690

1шт.

17

0

RACK

SN: 20338-23556

1шт.

18

DK134222-0100

BUSHING

SN: 20338-UP

1шт.

19

DK134226-0000

SCREW

SN: 20338-UP

1шт.

20

DK134510-3900

GASKET

SN: 20338-UP

1шт.

21

DK014111-8410

WASHER

SN: 20338-UP

1шт.

22

DK139218-0000

NUT

SN: 26691-UP

1шт.

22

DK029201-8150

NUT

SN: 20338-26690

1шт.

23

DK134433-1720

PIPE

SN: 20338-UP

1шт.

24

DK029341-4130

GASKET

SN: 20338-UP

4шт.

25

DK029731-4080

BOLT

SN: 20338-UP

1шт.

26

DK029731-4080

BOLT

SN: 20338-UP

1шт.

27

DK010038-2040

BOLT

SN: 20338-UP

2шт.

28

DK014110-8440

WASHER

SN: 20338-UP

2шт.

29

DK029633-1010

O-RING

SN: 20338-UP

1шт.

29

DK029633-1020

O-RING,(COLD WEATHER SPEC.)

SN: 20338-UP

1шт.

30

DK014110-6440

WASHER,SPRING

SN: 20338-UP

3шт.

31

DK013020-6040

NUT

SN: 20338-UP

3шт.

32

DK029111-4050

PLUG

SN: 20338-UP

1шт.

33

DK029341-4130

GASKET

SN: 20338-UP

3шт.

34

DK029731-4080

BOLT

SN: 20338-UP

1шт.

35

DK134420-0020

BOLT

SN: 20338-UP

1шт.

36

DK026514-1840

GASKET

SN: 20338-UP

1шт.

37

DK134045-0000

PLUG

SN: 20338-UP

1шт.

38

DK029111-0010

PLUG

SN: 20338-26690

1шт.

39

DK026510-1340

GASKET

SN: 20338-26690

1шт.

Выбрано товаров: 152