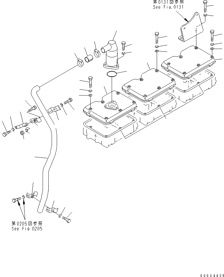
Запчасти Komatsu SA6D155-4A КРЫШКА КОРОМЫСЛА ГОЛОВКА ЦИЛИНДРОВ

Схема запчастей Komatsu SA6D155-4A - КРЫШКА КОРОМЫСЛА ГОЛОВКА ЦИЛИНДРОВ
1
1
2
3
4
4
4
4A
5
5
5
5
6
6
6
7
8
9
10
11
12
13
13
14
15
16
16
17
17
18
18
19
20
20
21
21
22
1
1
2
3
4
4
4
4A
5
5
5
5
6
6
6
7
8
9
10
11
12
13
13
14
15
16
16
17
17
18
18
19
20
20
21
21
22
FIT
1:1
100%

Артикул

Название

Примечание

Количество

1

6127-11-8112

COVER,ROCKER ARM HOUSING

SN: 50816-UP

2шт.

2

6127-11-8122

COVER,ROCKER ARM HOUSING

SN: 50816-UP

1шт.

3

6127-11-8812

GASKET (K1)

SN: 50816-UP

3шт.

4

01010-81080

BOLT

SN: 57471-UP

16шт.

4

0

BOLT

SN: 50816-57470

16шт.

4A

01010-81085

BOLT

SN: 57471-UP

2шт.

4A

0

BOLT

SN: 50816-57470

2шт.

5

01602-01030

WASHER,SPRING

SN: 50816-UP

18шт.

6

01640-21016

WASHER

SN: 50816-UP

16шт.

7

6127-11-8211

BREATHER ASS'Y

SN: 50816-UP

1шт.

8

07000-72070

O-RING (K1)

SN: 58779-UP

1шт.

8

0

O-RING (K1)

SN: 50816-58778

1шт.

9

01010-80822

BOLT

SN: 57471-UP

3шт.

9

0

BOLT

SN: 50816-57470

3шт.

10

01602-00825

WASHER,SPRING

SN: 50816-UP

3шт.

11

6128-11-8262

PIPE,BREATHER

SN: 50816-UP

1шт.

12

6127-11-8290

HOSE

SN: 50816-UP

1шт.

13

07281-00549

CLAMP

SN: 50816-UP

2шт.

14

6124-61-6430

CLAMP

SN: 50816-UP

1шт.

15

6127-11-8380

CLAMP

SN: 50816-UP

1шт.

16

6127-61-6440

CLAMP

SN: 50816-UP

2шт.

17

01010-80840

BOLT

SN: 57471-UP

2шт.

17

0

BOLT

SN: 50816-57470

2шт.

18

01602-00825

WASHER,SPRING

SN: 50816-UP

2шт.

19

6128-11-8360

BRACKET

SN: 50816-UP

1шт.

20

01010-81025

BOLT

SN: 57471-UP

2шт.

20

0

BOLT

SN: 50816-57470

2шт.

21

01602-01030

WASHER,SPRING

SN: 50816-UP

2шт.

22

01580-01008

NUT

SN: 50816-UP

1шт.

1

6127-11-8112

COVER,ROCKER ARM HOUSING

SN: 50816-UP

2шт.

2

6127-11-8122

COVER,ROCKER ARM HOUSING

SN: 50816-UP

1шт.

3

6127-11-8812

GASKET (K1)

SN: 50816-UP

3шт.

4

01010-81080

BOLT

SN: 57471-UP

16шт.

4

0

BOLT

SN: 50816-57470

16шт.

4A

01010-81085

BOLT

SN: 57471-UP

2шт.

4A

0

BOLT

SN: 50816-57470

2шт.

5

01602-01030

WASHER,SPRING

SN: 50816-UP

18шт.

6

01640-21016

WASHER

SN: 50816-UP

16шт.

7

6127-11-8211

BREATHER ASS'Y

SN: 50816-UP

1шт.

8

07000-72070

O-RING (K1)

SN: 58779-UP

1шт.

8

0

O-RING (K1)

SN: 50816-58778

1шт.

9

01010-80822

BOLT

SN: 57471-UP

3шт.

9

0

BOLT

SN: 50816-57470

3шт.

10

01602-00825

WASHER,SPRING

SN: 50816-UP

3шт.

11

6128-11-8262

PIPE,BREATHER

SN: 50816-UP

1шт.

12

6127-11-8290

HOSE

SN: 50816-UP

1шт.

13

07281-00549

CLAMP

SN: 50816-UP

2шт.

14

6124-61-6430

CLAMP

SN: 50816-UP

1шт.

15

6127-11-8380

CLAMP

SN: 50816-UP

1шт.

16

6127-61-6440

CLAMP

SN: 50816-UP

2шт.

17

01010-80840

BOLT

SN: 57471-UP

2шт.

17

0

BOLT

SN: 50816-57470

2шт.

18

01602-00825

WASHER,SPRING

SN: 50816-UP

2шт.

19

6128-11-8360

BRACKET

SN: 50816-UP

1шт.

20

01010-81025

BOLT

SN: 57471-UP

2шт.

20

0

BOLT

SN: 50816-57470

2шт.

21

01602-01030

WASHER,SPRING

SN: 50816-UP

2шт.

22

01580-01008

NUT

SN: 50816-UP

1шт.

Выбрано товаров: 58