Запчасти Komatsu D375A-1 КОНДИЦ. ВОЗДУХА (/) ЧАСТИ КОРПУСА

Схема запчастей Komatsu D375A-1 - КОНДИЦ. ВОЗДУХА (/) ЧАСТИ КОРПУСА
FIT
1:1
100%

Артикул

Название

Примечание

Количество

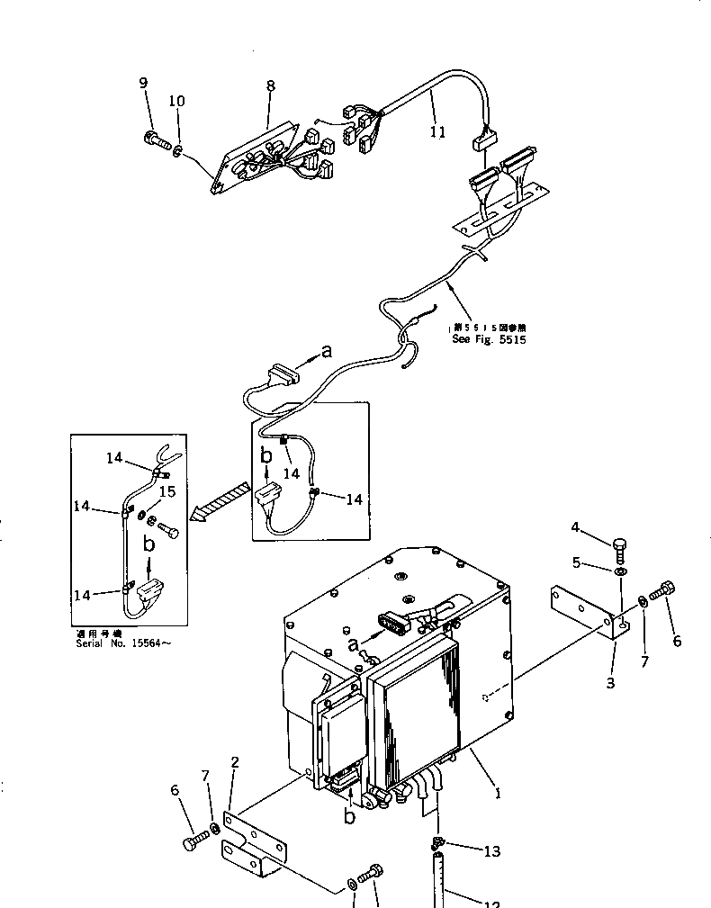
1

195-Z11-5101

AIR CONDITIONER UNIT

SN: 15001-UP

1шт.

2

195-Z11-5160

BRACKET

SN: 15001-UP

1шт.

3

195-Z11-5170

BRACKET

SN: 15001-UP

1шт.

4

01010-51230

BOLT

SN: 15001-UP

4шт.

5

01643-31232

WASHER

SN: 15001-UP

4шт.

6

01010-51225

BOLT

SN: 15001-UP

6шт.

7

01643-31232

WASHER

SN: 15001-UP

6шт.

8

195-Z11-5600

PANEL ASS'Y

SN: 15001-UP

1шт.

9

01252-40616

BOLT

SN: 15001-UP

4шт.

10

01602-20619

WASHER,SPRING

SN: 15001-UP

4шт.

11

195-Z11-5350

WIRE ASS'Y

SN: 15001-UP

1шт.

12

195-Z11-7260

HOSE

SN: 15001-UP

2шт.

13

195-Z11-7270

CLAMP

SN: 15001-UP

2шт.

14

08036-01814

CLIP

SN: 15564-UP

3шт.

|14

08035-02508

CLIP

SN: 15001-15563

2шт.

15

01640-20816

WASHER

SN: 15564-UP

4шт.

Выбрано товаров: 16