Запчасти Komatsu D375A-1 ГИДРОЛИНИЯ (ЦИЛИНДР РЫХЛИТЕЛЯ ЛИНИЯ) (/) УПРАВЛ-Е РАБОЧИМ ОБОРУДОВАНИЕМ

Схема запчастей Komatsu D375A-1 - ГИДРОЛИНИЯ (ЦИЛИНДР РЫХЛИТЕЛЯ ЛИНИЯ) (/) УПРАВЛ-Е РАБОЧИМ ОБОРУДОВАНИЕМ
FIT
1:1
100%

Артикул

Название

Примечание

Количество

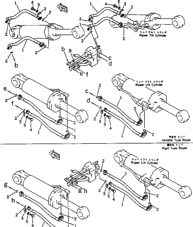
G-1

0

PIPING GROUP,FOR VARIABLE TYPE RIPPER

SN: 15001-UP

1шт.

|$$2

====================

-1шт.

1

07124-01010

HOSE

SN: 15001-UP

8шт.

2

07000-13032

O-RING

SN: 15001-UP

16шт.

3

07371-31049

FLANGE,SPLIT

SN: 15001-UP

16шт.

4

07372-21035

BOLT

SN: 15001-UP

32шт.

5

01643-31032

WASHER

SN: 15001-UP

32шт.

|$$8

====================

-1шт.

G-2

0

PIPING GROUP,FOR RIGID TYPE RIPPER

SN: 15001-UP

1шт.

|$$10

====================

-1шт.

1

07124-01010

HOSE

SN: 15001-UP

4шт.

2

07000-13032

O-RING

SN: 15001-UP

8шт.

3

07371-31049

FLANGE,SPLIT

SN: 15001-UP

8шт.

4

07372-21035

BOLT

SN: 15001-UP

16шт.

5

01643-31032

WASHER

SN: 15001-UP

16шт.

|$$16

====================

-1шт.

Выбрано товаров: 0