Запчасти Komatsu D375A-1 КАПОТ И БОКОВ. КРЫШКА ЧАСТИ КОРПУСА

Схема запчастей Komatsu D375A-1 - КАПОТ И БОКОВ. КРЫШКА ЧАСТИ КОРПУСА
FIT
1:1
100%

Артикул

Название

Примечание

Количество

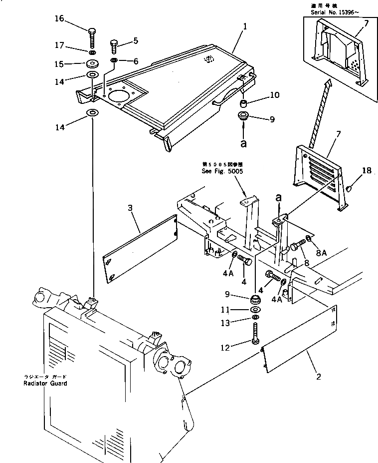
1

195-54-42690

HOOD,ENGINE

SN: 15001-UP

1шт.

2

195-54-42841

COVER,L.H.

SN: 15276-UP

1шт.

2

0

COVER,L.H.

SN: 15001-15275

1шт.

3

195-54-42851

COVER,R.H.

SN: 15276-UP

1шт.

3

0

COVER,R.H.

SN: 15001-15275

1шт.

4

01010-51225

BOLT

SN: 15001-UP

4шт.

4A

01643-31232

WASHER

SN: 15001-UP

4шт.

5

195-54-43210

BOLT

SN: 15001-UP

6шт.

6

01643-31232

WASHER

SN: 15001-UP

6шт.

7

195-54-42611

COVER

SN: 15396-UP

1шт.

7

0

COVER

SN: 15004-15395

1шт.

7

195-54-42610

COVER

SN: 15001-15002

1шт.

8

01010-51225

BOLT

SN: 15001-UP

4шт.

8A

01643-31232

WASHER

SN: 15001-UP

4шт.

9

195-54-42550

CUSHION

SN: 15001-UP

4шт.

10

195-54-42560

BOSS

SN: 15001-UP

2шт.

11

195-54-42570

PLATE

SN: 15001-UP

2шт.

12

01010-52075

BOLT

SN: 15001-UP

2шт.

13

01643-32060

WASHER

SN: 15001-UP

2шт.

14

195-54-46180

PLATE

SN: 15001-UP

4шт.

15

195-54-42680

PLATE

SN: 15001-UP

2шт.

16

01010-51650

BOLT

SN: 15001-UP

2шт.

17

01643-31645

WASHER

SN: 15001-UP

2шт.

18

203-54-32260

STOPPER

SN: 15004-UP

4шт.

18

203-54-32260

STOPPER

SN: 15001-15002

4шт.

Выбрано товаров: 25