Запчасти Komatsu D375A-1 ПОЛ КАБИНЫ (СПЕЦ-Я TBG)(№-) МАРКИРОВКА¤ ИНСТРУМЕНТ И РЕМКОМПЛЕКТЫ

Схема запчастей Komatsu D375A-1 - ПОЛ КАБИНЫ (СПЕЦ-Я TBG)(№-) МАРКИРОВКА¤ ИНСТРУМЕНТ И РЕМКОМПЛЕКТЫ
FIT
1:1
100%

Артикул

Название

Примечание

Количество

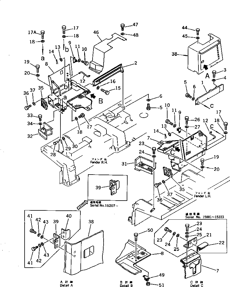
1

195-54-42270

COVER,L.H.

SN: 15143-UP

1шт.

2

195-54-42281

COVER,R.H.

SN: 15143-UP

1шт.

3

01010-51225

BOLT

SN: 15143-UP

2шт.

4

01643-31232

WASHER

SN: 15143-UP

2шт.

5

01010-51230

BOLT

SN: 15143-UP

2шт.

6

01643-31232

WASHER

SN: 15143-UP

2шт.

|$6

195-54-45300

COVER ASS'Y,L.H.

SN: 15143-UP

1шт.

|$7

195-54-45400

COVER ASS'Y,R.H.

SN: 15143-UP

1шт.

7

195-54-46340

COVER,L.H.

SN: 15143-UP

1шт.

8

195-54-46330

COVER,R.H.

SN: 15143-UP

1шт.

9

198-54-19150

SPRING

SN: 15143-UP

1шт.

10

01010-50610

BOLT

SN: 15143-UP

2шт.

11

01643-30623

WASHER

SN: 15143-UP

2шт.

12

195-54-45470

BAR

SN: 15143-UP

1шт.

13

01643-30823

WASHER

SN: 15143-UP

1шт.

14

04050-12015

PIN,COTTER

SN: 15143-UP

1шт.

15

01010-51220

BOLT

SN: 15143-UP

4шт.

16

01643-31232

WASHER

SN: 15143-UP

4шт.

17

01010-51225

BOLT

SN: 15143-UP

5шт.

17A

01010-51230

BOLT

SN: 15143-UP

3шт.

18

01643-31232

WASHER

SN: 15143-UP

8шт.

19

01010-51245

BOLT

SN: 15143-UP

4шт.

20

01643-31232

WASHER

SN: 15143-UP

4шт.

|$23

09461-00010

BRACKET ASS'Y

SN: 15143-15333

2шт.

21

09461-00011

BRACKET

SN: 15143-15333

1шт.

22

09461-00012

BRACKET

SN: 15143-15333

1шт.

23

01010-51025

BOLT

SN: 15143-15333

4шт.

24

01602-21030

WASHER,SPRING

SN: 15143-15333

4шт.

25

01643-21032

WASHER

SN: 15143-15333

4шт.

26

01010-51280

BOLT

SN: 15143-UP

4шт.

27

01643-31232

WASHER

SN: 15143-UP

4шт.

28

04205-11028

PIN

SN: 15143-UP

1шт.

29

01641-21016

WASHER

SN: 15143-UP

1шт.

30

04052-01038

PIN,SNAP

SN: 15143-UP

1шт.

31

195-54-43130

COVER

SN: 15143-UP

1шт.

32

195-54-43140

COVER

SN: 15143-UP

1шт.

33

01010-51230

BOLT

SN: 15143-UP

7шт.

34

01643-31232

WASHER

SN: 15143-UP

7шт.

35

195-54-43110

COVER

SN: 15143-UP

2шт.

36

195-54-43260

BOLT

SN: 15143-UP

8шт.

37

205-06-62460

WASHER

SN: 15143-UP

8шт.

38

195-54-42151

COVER

SN: 15143-UP

1шт.

38

195-54-42200

LEVER ASS'Y (WELDED)

SN: 15143-UP

1шт.

|$43

195-54-42300

BRACKET ASS'Y

SN: 15207-UP

1шт.

|$44

0

BRACKET ASS'Y

SN: 15143-15206

2шт.

39

09461-00011

BRACKET

SN: 15143-15206

1шт.

40

09461-00012

BRACKET

SN: 15143-15206

1шт.

41

01010-51025

BOLT

SN: 15143-15206

4шт.

42

01602-21030

WASHER,SPRING

SN: 15143-15206

4шт.

43

01643-21032

WASHER

SN: 15143-15206

4шт.

44

01010-51225

BOLT

SN: 15143-UP

7шт.

45

01643-31232

WASHER

SN: 15143-UP

7шт.

46

195-54-42160

COVER

SN: 15143-UP

1шт.

47

01010-51225

BOLT

SN: 15143-UP

5шт.

48

01643-31232

WASHER

SN: 15143-UP

5шт.

49

198-54-19150

SPRING

SN: 15143-UP

1шт.

50

01010-50610

BOLT

SN: 15143-UP

2шт.

51

01580-10605

NUT

SN: 15143-UP

2шт.

Выбрано товаров: 58