Запчасти Komatsu D375A-1 МАРКИРОВКА (СПЕЦ-Я TBG)(№-) МАРКИРОВКА¤ ИНСТРУМЕНТ И РЕМКОМПЛЕКТЫ

Схема запчастей Komatsu D375A-1 - МАРКИРОВКА (СПЕЦ-Я TBG)(№-) МАРКИРОВКА¤ ИНСТРУМЕНТ И РЕМКОМПЛЕКТЫ
FIT
1:1
100%

Артикул

Название

Примечание

Количество

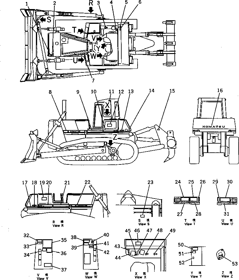
1

09650-21101

PLATE, INSTRUCTION,RADIATOR

SN: 15143-UP

1шт.

2

09668-02000

PLATE, SAFETY,RADIATOR CAP

SN: 15143-UP

1шт.

3

09653-02000

PLATE, SAFETY,HYDRAULIC OIL TANK

SN: 15143-UP

1шт.

4

09655-21120

PLATE, INSTRUCTION,OIL FILTER

SN: 15143-UP

1шт.

5

09652-21100

PLATE, CAUTION,FUEL TANK

SN: 15143-UP

1шт.

6

09656-21080

PLATE, INSTRUCTION,FUEL TANK STRAINER

SN: 15143-UP

1шт.

7

154-98-13330

PLATE, CAUTION

SN: 15143-UP

1шт.

8

195-98-21511

STRIPE,L.H.

SN: 15589-UP

1шт.

8

195-98-21510

STRIPE,L.H.

SN: 15143-15588

1шт.

9

195-98-21581

STRIPE,L.H.

SN: 15589-UP

1шт.

9

0

STRIPE,L.H.

SN: 15143-15588

1шт.

10

195-98-21541

STRIPE,L.H.

SN: 15589-UP

1шт.

10

0

STRIPE,L.H.

SN: 15143-15588

1шт.

11

09620-20200

PLATE, NAME,ROPS

SN: 15143-UP

1шт.

11

04418-13060

SCREW

SN: 15143-UP

4шт.

12

154-98-13320

PLATE, CAUTION

SN: 15143-UP

1шт.

13

205-00-71240

PLATE, MARK,FUEL TANK, SIDE FACE

SN: 15143-UP

1шт.

14

195-98-21971

STRIPE

SN: 15589-UP

1шт.

14

0

STRIPE

SN: 15143-15588

1шт.

15

09601-20835

PLATE, NAME,RIPPER

SN: 15143-UP

1шт.

15

04418-13060

SCREW

SN: 15143-UP

4шт.

16

195-98-21340

PLATE, NAME,FUEL TANK, REAR FACE

SN: 15143-UP

1шт.

17

195-98-21981

STRIPE

SN: 15589-UP

1шт.

17

0

STRIPE

SN: 15143-15588

1шт.

18

205-00-71240

PLATE, MARK,FUEL TANK, SIDE FACE

SN: 15143-UP

1шт.

19

154-98-13320

PLATE, CAUTION

SN: 15143-UP

1шт.

20

195-98-21532

STRIPE,R.H.

SN: 15589-UP

1шт.

20

0

STRIPE,R.H.

SN: 15143-15588

1шт.

21

195-98-21551

STRIPE,R.H.

SN: 15589-UP

1шт.

21

0

STRIPE,R.H.

SN: 15143-15588

1шт.

22

195-98-21521

STRIPE,R.H.

SN: 15589-UP

1шт.

22

0

STRIPE,R.H.

SN: 15143-15588

1шт.

23

09601-20835

PLATE, NAME,BLADE

SN: 15143-UP

1шт.

23

04418-13060

SCREW

SN: 15143-UP

4шт.

24

195-98-21621

STRIPE,R.H.

SN: 15589-UP

1шт.

24

0

STRIPE,R.H.

SN: 15143-15588

1шт.

25

195-98-21561

STRIPE,R.H.

SN: 15589-UP

1шт.

25

0

STRIPE,R.H.

SN: 15143-15588

1шт.

26

195-98-21571

STRIPE

SN: 15589-UP

1шт.

26

0

STRIPE

SN: 15143-15588

1шт.

27

195-98-21991

STRIPE

SN: 15589-UP

1шт.

27

0

STRIPE

SN: 15143-15588

1шт.

28

195-98-22111

STRIPE

SN: 15589-UP

1шт.

28

0

STRIPE

SN: 15143-15588

1шт.

29

195-98-21571

STRIPE

SN: 15589-UP

1шт.

29

0

STRIPE

SN: 15143-15588

1шт.

30

195-98-21591

STRIPE,L.H.

SN: 15589-UP

1шт.

30

0

STRIPE,L.H.

SN: 15143-15588

1шт.

31

195-98-21961

STRIPE

SN: 15589-UP

1шт.

31

0

STRIPE

SN: 15143-15588

1шт.

32

09666-02000

PLATE, SAFETY,FIRE PREVENTION

SN: 15143-UP

1шт.

33

09649-02001

PLATE, INSTRUCTION,ENGINE STOP

SN: 15143-UP

1шт.

34

195-98-21460

PLATE, CAUTION,CHECK

SN: 15143-UP

1шт.

35

195-98-21435

PLATE,LUBRICATION

SN: 15515-UP

1шт.

35

0

PLATE,LUBRICATION

SN: 15143-15514

1шт.

36

195-98-12980

PLATE, CAUTION,SEAT BELT

SN: 15143-UP

1шт.

37

09602-21643

PLATE, NAME,MACHINE

SN: 15143-UP

1шт.

37

01220-60408

SCREW

SN: 15143-UP

4шт.

38

175-900-2262

PLATE, CAUTION,TRAVELLING ON SLOPE

SN: 15143-UP

1шт.

39

195-98-21440

PLATE, CAUTION

SN: 15143-UP

1шт.

40

09685-00002

PLATE, OPERATING,LOCK LEVER

SN: 15143-UP

1шт.

41

09667-02000

PLATE, SAFETY,ENGINE SIDE COVER

SN: 15143-UP

1шт.

42

09651-02000

PLATE, SAFETY,BEFORE OPERATING

SN: 15143-UP

1шт.

43

195-98-21210

PLATE, OPERATING,LOCK LEVER, BLADE

SN: 15143-UP

1шт.

44

195-98-21140

PLATE, OPERATING,BLADE

SN: 15143-UP

1шт.

45

195-98-21190

PLATE, OPERATING,HORN SWITCH

SN: 15143-UP

1шт.

46

195-98-21470

PLATE, MARK,SYMBOL

SN: 15143-UP

1шт.

47

195-98-21150

PLATE, OPERATING,RIPPER

SN: 15143-UP

1шт.

48

195-98-21210

PLATE, OPERATING,LOCK LEVER

SN: 15143-UP

1шт.

49

195-98-21180

PLATE, OPERATING,PIN PULLER

SN: 15143-UP

1шт.

50

6128-81-4261

PLATE, OPERATING,A.P.S. OPERATING

SN: 15143-UP

1шт.

51

6128-82-4260

PLATE, CAUTION,A,P.S.

SN: 15143-UP

1шт.

52

09685-00001

PLATE, OPERATING,LOCK LEVER

SN: 15143-UP

1шт.

53

195-98-21450

PLATE, CAUTION,TRACK ADJUSTING

SN: 15143-UP

2шт.

53

01220-60408

SCREW

SN: 15143-UP

6шт.

Выбрано товаров: 75