Запчасти Komatsu D375A-1 МЕХ-М ОТБОРА МОЩНОСТИ (/) (БЕЗ БЛОКИР.-UP) ГИДРОТРАНСФОРМАТОР И ТРАНСМИССИЯ

Схема запчастей Komatsu D375A-1 - МЕХ-М ОТБОРА МОЩНОСТИ (/) (БЕЗ БЛОКИР.-UP) ГИДРОТРАНСФОРМАТОР И ТРАНСМИССИЯ
FIT
1:1
100%

Артикул

Название

Примечание

Количество

|$0

195-15-02003

TORQFLOW ASS'Y

SN: (01254)-15465

1шт.

|$1

0

TORQFLOW ASS'Y

SN: (01194)-(01253)

1шт.

|$2

0

TORQFLOW ASS'Y

SN: 15005-(01193)

1шт.

|$3

195-15-02000

TORQFLOW ASS'Y

SN: 15001-15004

1шт.

G-1

0

TORQUE CONVERTER G.

SN: 15005-UP

1шт.

G-1

0

TORQUE CONVERTER G.

SN: 15001-15004

1шт.

|$$7

====================

-1шт.

|$7

711-60-00013

TORQUE CONVERTER A. (TCS51-1B)

SN: (01254)-UP

1шт.

|$8

0

TORQUE CONVERTER A. (TCS51-1B)

SN: (01194)-(01253)

1шт.

|$9

711-60-00011

TORQUE CONVERTER A. (TCS51-1A)

SN: 15005-(01193)

1шт.

|$10

711-60-00010

TORQUE CONVERTER A. (TCS51-1A)

SN: 15001-15004

1шт.

|$11

711-60-00202

PTO ASS'Y

SN: (01254)-UP

1шт.

|$12

0

PTO ASS'Y

SN: (01194)-(01253)

1шт.

|$13

0

PTO ASS'Y

SN: 15001-(01193)

1шт.

|$14

711-60-00211

HOUSING ASS'Y

SN: (01194)-UP

1шт.

|$15

0

HOUSING ASS'Y

SN: 15001-(01193)

1шт.

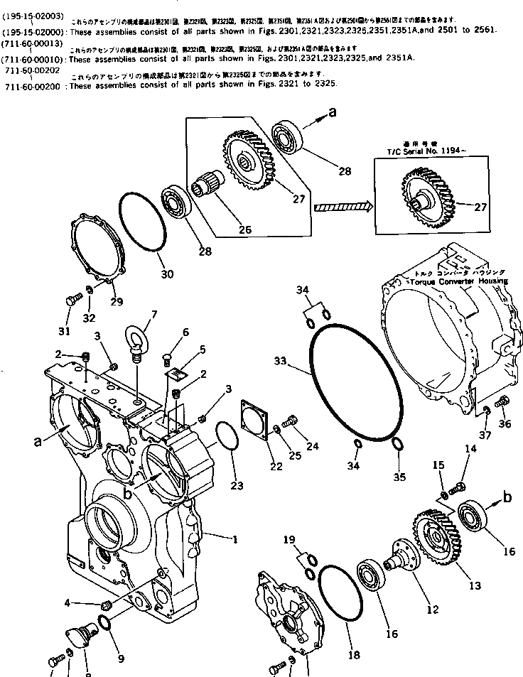
1

0

HOUSING

SN: 15001-UP

1шт.

2

07043-00108

PLUG

SN: 15001-UP

4шт.

3

711-21-13850

NOZZLE,(D=1.6MM)

SN: 15001-UP

3шт.

4

07042-00617

PLUG

SN: 15001-(01193)

1шт.

5

09607-05080

PLATE, NAME,NAME (LIMITED SUPPLY)

SN: 15001-UP

1шт.

6

04418-13060

SCREW

SN: 15001-UP

4шт.

7

04530-04265

BOLT,EYE

SN: (01254)-UP

1шт.

7

0

BOLT,EYE

SN: 15001-(01253)

1шт.

8

711-60-13400

FILTER

SN: 15001-UP

1шт.

9

07000-02070

O-RING (KIT)

SN: (01254)-UP

1шт.

9

0

O-RING (KIT)

SN: 15001-(01253)

1шт.

10

01010-51225

BOLT

SN: 15001-UP

2шт.

11

01602-21236

WASHER,SPRING

SN: 15001-UP

2шт.

12

711-60-14440

BOSS

SN: 15001-UP

1шт.

13

711-60-14410

GEAR

SN: 15001-UP

1шт.

14

01010-61235

BOLT

SN: 15001-UP

6шт.

15

01643-31232

WASHER

SN: 15001-UP

6шт.

16

06030-06313

BEARING,BALL

SN: 15001-UP

2шт.

17

711-60-14350

COVER

SN: 15001-UP

1шт.

18

07000-05270

O-RING (KIT)

SN: (01254)-UP

1шт.

18

0

O-RING (KIT)

SN: 15001-(01253)

1шт.

19

07000-62055

O-RING (KIT)

SN: 15001-UP

2шт.

20

01010-51235

BOLT

SN: 15001-UP

8шт.

21

01602-21236

WASHER,SPRING

SN: 15001-UP

8шт.

22

711-60-14470

COVER

SN: 15001-UP

1шт.

23

07000-02130

O-RING (KIT)

SN: (01254)-UP

1шт.

23

0

O-RING (KIT)

SN: 15001-(01253)

1шт.

24

01010-51230

BOLT

SN: 15001-UP

4шт.

25

01602-21236

WASHER,SPRING

SN: 15001-UP

4шт.

26

711-60-14340

SHAFT

SN: 15001-(01193)

1шт.

27

711-60-24310

GEAR

SN: (01194)-UP

1шт.

27

711-60-14310

GEAR

SN: 15001-(01193)

1шт.

28

06030-06313

BEARING,BALL

SN: 15001-UP

2шт.

29

711-60-14450

COVER

SN: 15001-UP

1шт.

30

07000-05270

O-RING (KIT)

SN: (01254)-UP

1шт.

30

0

O-RING (KIT)

SN: 15001-(01253)

1шт.

31

01010-51235

BOLT

SN: 15001-UP

8шт.

32

01602-21236

WASHER,SPRING

SN: 15001-UP

8шт.

33

198-15-29610

O-RING (KIT)

SN: (01254)-UP

1шт.

33

0

O-RING (KIT)

SN: 15001-(01253)

1шт.

34

07000-63048

O-RING (KIT)

SN: 15001-UP

3шт.

35

07000-62085

O-RING (KIT)

SN: 15001-UP

1шт.

36

01010-51645

BOLT

SN: 15001-UP

21шт.

37

01602-21648

WASHER,SPRING

SN: 15001-UP

21шт.

|$$61

====================

-1шт.

Выбрано товаров: 61