Запчасти Komatsu D375A-1 ГИДРОЛИНИЯ ТРАНСМИССИИ (/) ГИДРОТРАНСФОРМАТОР И ТРАНСМИССИЯ

Схема запчастей Komatsu D375A-1 - ГИДРОЛИНИЯ ТРАНСМИССИИ (/) ГИДРОТРАНСФОРМАТОР И ТРАНСМИССИЯ
FIT
1:1
100%

Артикул

Название

Примечание

Количество

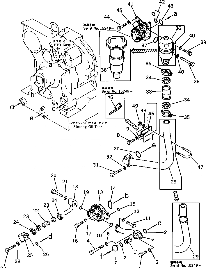
1

195-49-31160

STRAINER

SN: 15001-UP

1шт.

2

07000-02090

O-RING

SN: 15001-UP

2шт.

3

195-49-34110

TUBE

SN: 15001-UP

1шт.

4

01011-51215

BOLT

SN: 15001-UP

1шт.

5

01010-51240

BOLT

SN: 15001-UP

1шт.

6

01643-31232

WASHER

SN: 15001-UP

2шт.

7

195-49-31170

PLATE

SN: 15001-UP

1шт.

8

01010-51235

BOLT

SN: 15001-UP

2шт.

9

01643-31232

WASHER

SN: 15001-UP

2шт.

10

07000-02080

O-RING

SN: 15001-UP

1шт.

11

01010-51240

BOLT

SN: 15001-UP

2шт.

12

01643-31232

WASHER

SN: 15001-UP

2шт.

13

195-49-34100

PUMP ASS'Y

SN: 15001-UP

1шт.

14

07000-02125

O-RING

SN: 15001-UP

1шт.

15

07000-03040

O-RING

SN: 15001-UP

1шт.

16

01010-51245

BOLT

SN: 15001-UP

6шт.

17

01643-31232

WASHER

SN: 15001-UP

6шт.

18

195-49-31180

TUBE

SN: 15001-UP

1шт.

19

07000-02055

O-RING

SN: 15001-UP

1шт.

20

01010-51285

BOLT

SN: 15001-UP

2шт.

21

01643-31232

WASHER

SN: 15001-UP

2шт.

22

07332-01400

COUPLING ASS'Y

SN: 15001-UP

1шт.

23

07332-51400

GASKET

SN: 15001-UP

2шт.

24

07332-61400

CLAMP

SN: 15001-UP

2шт.

25

195-49-31210

TUBE,(WITHOUT LOCK-UP)

SN: 15001-UP

1шт.

25

195-49-31440

TUBE,(WITH LOCK-UP)

SN: 15001-UP

1шт.

26

07000-02055

O-RING

SN: 15001-UP

1шт.

27

01010-51280

BOLT,(WITHOUT LOCK-UP)

SN: 15001-UP

4шт.

27

01010-51295

BOLT,(WITH LOCK-UP)

SN: 15001-UP

4шт.

28

01643-31232

WASHER

SN: 15001-UP

4шт.

29

195-49-31122

TUBE,(WITHOUT LOCK-UP)

SN: 15476-UP

1шт.

29

195-49-31121

TUBE,(WITHOUT LOCK-UP)

SN: 15249-15475

1шт.

29

195-49-31120

TUBE,(WITHOUT LOCK-UP)

SN: 15001-15248

1шт.

29

195-49-31432

TUBE,(WITH LOCK-UP)

SN: 15476-UP

1шт.

29

195-49-31431

TUBE,(WITH LOCK-UP)

SN: 15249-15475

1шт.

29

195-49-31430

TUBE,(WITH LOCK-UP)

SN: 15001-15248

1шт.

30

07000-02090

O-RING

SN: 15001-UP

1шт.

31

01010-51295

BOLT

SN: 15001-UP

2шт.

32

01643-31232

WASHER

SN: 15001-UP

2шт.

33

07332-03000

COUPLING

SN: 15001-UP

1шт.

34

07332-53000

GASKET

SN: 15001-UP

2шт.

35

07332-63000

CLAMP

SN: 15001-UP

2шт.

36

195-49-00141

STRAINER ASS'Y

SN: 15249-UP

1шт.

36

195-49-00140

STRAINER ASS'Y

SN: 15001-15248

1шт.

37

07000-02085

O-RING

SN: 15001-UP

1шт.

38

01011-51615

BOLT

SN: 15001-UP

2шт.

39

01010-51665

BOLT

SN: 15001-UP

2шт.

40

01643-31645

WASHER

SN: 15001-UP

4шт.

41

704-71-44000

PUMP ASS'Y

SN: 15001-UP

1шт.

42

07000-03040

O-RING

SN: 15001-UP

2шт.

43

07000-02070

O-RING

SN: 15001-UP

1шт.

44

01010-51240

BOLT

SN: 15001-UP

4шт.

45

01643-31232

WASHER

SN: 15001-UP

4шт.

46

195-49-31152

BRACKET,(WITHOUT LOCK-UP)

SN: 15476-UP

1шт.

46

195-49-31151

BRACKET,(WITHOUT LOCK-UP)

SN: 15249-15475

1шт.

46

195-49-31150

BRACKET,(WITHOUT LOCK-UP)

SN: 15001-15248

1шт.

46

195-49-31452

BRACKET,(WITH LOCK-UP)

SN: 15476-UP

1шт.

46

195-49-31451

BRACKET,(WITH LOCK-UP)

SN: 15249-15475

1шт.

46

195-49-31450

BRACKET,(WITH LOCK-UP)

SN: 15001-15248

1шт.

47

07283-38973

CLIP

SN: 15001-UP

1шт.

48

01643-31232

WASHER

SN: 15001-UP

2шт.

49

01599-01214

NUT

SN: 15001-UP

2шт.

Выбрано товаров: 62