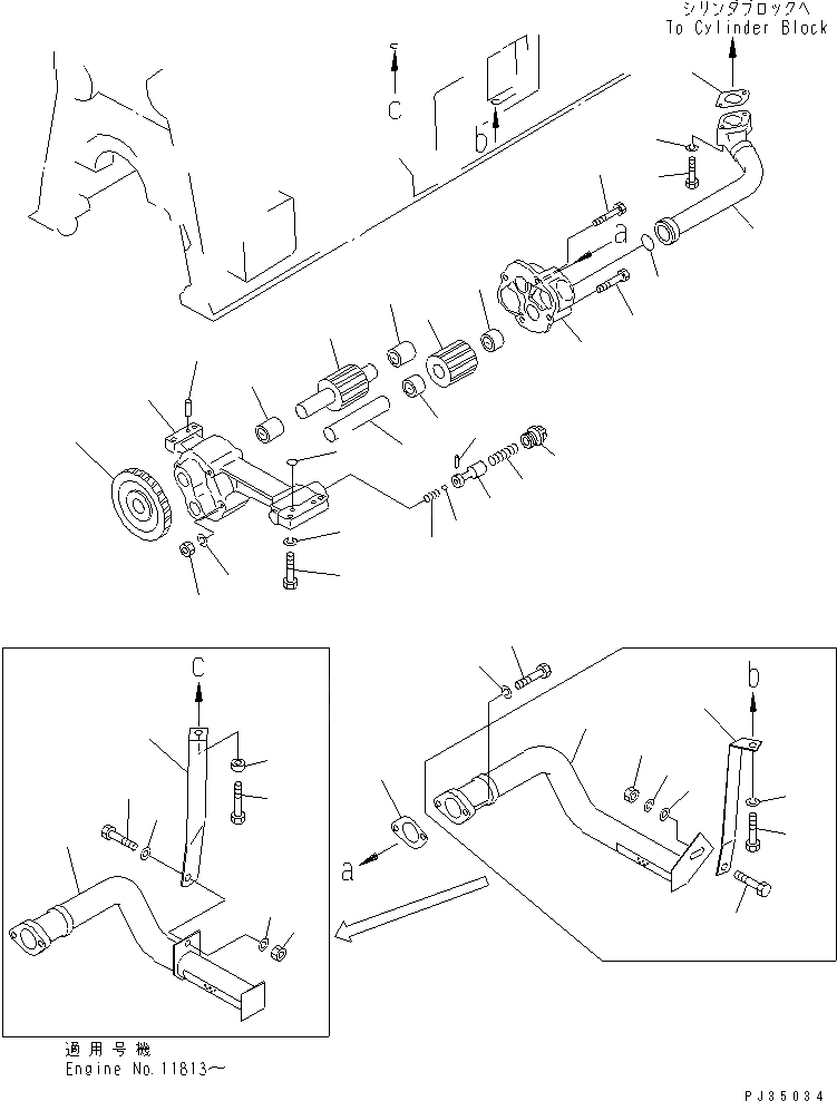
Запчасти Komatsu SA6D170-B-1B СМАЗЫВ. НАСОС И ВСАСЫВ. PIPE СИСТЕМА СМАЗКИ МАСЛ. СИСТЕМА

Схема запчастей Komatsu SA6D170-B-1B - СМАЗЫВ. НАСОС И ВСАСЫВ. PIPE СИСТЕМА СМАЗКИ МАСЛ. СИСТЕМА
1
2
3
4
5
6
7
8
9
9
10
11
12
13
14
15
16
17
18
19
20
21
22
23
24
24
25
26
27
28
28
29
29
29
29
30
30
31
31
31
31A
32
32
33
34
35
36
37
1
2
3
4
5
6
7
8
9
9
10
11
12
13
14
15
16
17
18
19
20
21
22
23
24
24
25
26
27
28
28
29
29
29
29
30
30
31
31
31
31A
32
32
33
34
35
36
37
FIT
1:1
100%

Артикул

Название

Примечание

Количество

|1

6162-53-1012

OIL PUMP ASS'Y

SN: 11323-UP

1шт.

|1

0

OIL PUMP ASS'Y

SN: 10332-11322

1шт.

|1

6162-53-1210

BODY ASS'Y

SN: 10332-UP

1шт.

1

0

BODY

SN: 10332-UP

1шт.

2

6162-53-1180

BUSHING

SN: 10332-UP

1шт.

3

6162-53-1270

SHAFT,DRIVE

SN: 10332-UP

1шт.

|4

6162-53-1100

COVER ASS'Y

SN: 10332-UP

1шт.

4

0

COVER

SN: 10332-UP

1шт.

5

6162-53-1180

BUSHING

SN: 10332-UP

1шт.

6

6162-53-1240

SHAFT,DRIVE

SN: 10332-UP

1шт.

7

6162-53-1510

GEAR,DRIVE

SN: 10332-UP

1шт.

|8

6162-53-1250

GEAR ASS'Y,DRIVEN

SN: 10332-UP

1шт.

8

0

GEAR

SN: 10332-UP

1шт.

9

6162-53-1280

BUSHING

SN: 10332-UP

2шт.

10

6162-53-1290

BOLT

SN: 10332-UP

2шт.

11

01051-31250

BOLT

SN: 10332-UP

2шт.

12

01602-01236

WASHER,SPRING

SN: 10332-UP

4шт.

13

01582-01210

NUT

SN: 10332-UP

4шт.

14

6162-53-1651

PLUG

SN: 11323-UP

1шт.

|14

6162-53-1650

PLUG

SN: 10332-11322

1шт.

|15

6162-53-6852

PLUNGER ASS'Y

SN: 11323-UP

1шт.

|15

6162-53-6850

PLUNGER ASS'Y

SN: 10332-11322

1шт.

15

6162-53-6862

PLUNGER

SN: 11323-UP

1шт.

|15

6162-53-6860

PLUNGER

SN: 10332-11322

1шт.

16

6162-53-6870

BALL

SN: 10332-UP

1шт.

17

6162-53-6880

SPRING

SN: 10332-UP

1шт.

18

6162-53-1190

PIN

SN: 10332-UP

1шт.

19

6162-53-6890

SPRING

SN: 10332-UP

1шт.

20

04020-00820

PIN,DOWEL

SN: 10332-UP

2шт.

21

01010-31240

BOLT

SN: 10332-UP

4шт.

22

01602-01236

WASHER,SPRING

SN: 10332-UP

4шт.

23

07000-62015

O-RING (K2)

SN: 10332-UP

1шт.

24

6162-53-6314

PIPE,OIL SUCTION

SN: 11813-UP

1шт.

|24

0

PIPE,OIL SUCTION

SN: 11808-11812

1шт.

|$$35

(6162-53-6314{6162-53-6344)}

-1шт.

|$$36

6110-23-6490)

-1шт.

|24

6162-53-6311

PIPE,OIL SUCTION

SN: 10332-11807

1шт.

25

6111-61-6810

GASKET (K2)

SN: 10332-UP

1шт.

26

01010-31035

BOLT

SN: 10332-UP

2шт.

27

01602-01030

WASHER,SPRING

SN: 10332-UP

2шт.

28

6162-53-6344

BRACKET

SN: 11813-UP

1шт.

|28

6162-53-6343

BRACKET

SN: 11808-11812

1шт.

|28

6162-53-6341

BRACKET

SN: 10332-11807

1шт.

29

01010-31025

BOLT

SN: 10332-UP

2шт.

30

01602-01030

WASHER,SPRING

SN: 10332-11812

2шт.

31

01643-31032

WASHER

SN: 11813-UP

2шт.

|31

01640-01016

WASHER

SN: 10332-11812

1шт.

31A

6110-23-6490

SPACER

SN: 11813-UP

1шт.

32

01580-01008

NUT

SN: 10332-UP

1шт.

33

6162-53-6410

PIPE

SN: 10332-UP

1шт.

34

07000-63042

O-RING (K2)

SN: 10332-UP

1шт.

35

6127-51-6821

GASKET (K2)

SN: 10332-UP

1шт.

36

01010-31070

BOLT

SN: 10332-UP

2шт.

37

01602-01030

WASHER,SPRING

SN: 10332-UP

2шт.

|1

6162-53-1012

OIL PUMP ASS'Y

SN: 11323-UP

1шт.

|1

0

OIL PUMP ASS'Y

SN: 10332-11322

1шт.

|1

6162-53-1210

BODY ASS'Y

SN: 10332-UP

1шт.

1

0

BODY

SN: 10332-UP

1шт.

2

6162-53-1180

BUSHING

SN: 10332-UP

1шт.

3

6162-53-1270

SHAFT,DRIVE

SN: 10332-UP

1шт.

|4

6162-53-1100

COVER ASS'Y

SN: 10332-UP

1шт.

4

0

COVER

SN: 10332-UP

1шт.

5

6162-53-1180

BUSHING

SN: 10332-UP

1шт.

6

6162-53-1240

SHAFT,DRIVE

SN: 10332-UP

1шт.

7

6162-53-1510

GEAR,DRIVE

SN: 10332-UP

1шт.

|8

6162-53-1250

GEAR ASS'Y,DRIVEN

SN: 10332-UP

1шт.

8

0

GEAR

SN: 10332-UP

1шт.

9

6162-53-1280

BUSHING

SN: 10332-UP

2шт.

10

6162-53-1290

BOLT

SN: 10332-UP

2шт.

11

01051-31250

BOLT

SN: 10332-UP

2шт.

12

01602-01236

WASHER,SPRING

SN: 10332-UP

4шт.

13

01582-01210

NUT

SN: 10332-UP

4шт.

14

6162-53-1651

PLUG

SN: 11323-UP

1шт.

|14

6162-53-1650

PLUG

SN: 10332-11322

1шт.

|15

6162-53-6852

PLUNGER ASS'Y

SN: 11323-UP

1шт.

|15

6162-53-6850

PLUNGER ASS'Y

SN: 10332-11322

1шт.

15

6162-53-6862

PLUNGER

SN: 11323-UP

1шт.

|15

6162-53-6860

PLUNGER

SN: 10332-11322

1шт.

16

6162-53-6870

BALL

SN: 10332-UP

1шт.

17

6162-53-6880

SPRING

SN: 10332-UP

1шт.

18

6162-53-1190

PIN

SN: 10332-UP

1шт.

19

6162-53-6890

SPRING

SN: 10332-UP

1шт.

20

04020-00820

PIN,DOWEL

SN: 10332-UP

2шт.

21

01010-31240

BOLT

SN: 10332-UP

4шт.

22

01602-01236

WASHER,SPRING

SN: 10332-UP

4шт.

23

07000-62015

O-RING (K2)

SN: 10332-UP

1шт.

24

6162-53-6314

PIPE,OIL SUCTION

SN: 11813-UP

1шт.

|24

0

PIPE,OIL SUCTION

SN: 11808-11812

1шт.

|$$35

(6162-53-6314{6162-53-6344)}

-1шт.

|$$36

6110-23-6490)

-1шт.

|24

6162-53-6311

PIPE,OIL SUCTION

SN: 10332-11807

1шт.

25

6111-61-6810

GASKET (K2)

SN: 10332-UP

1шт.

26

01010-31035

BOLT

SN: 10332-UP

2шт.

27

01602-01030

WASHER,SPRING

SN: 10332-UP

2шт.

28

6162-53-6344

BRACKET

SN: 11813-UP

1шт.

|28

6162-53-6343

BRACKET

SN: 11808-11812

1шт.

|28

6162-53-6341

BRACKET

SN: 10332-11807

1шт.

29

01010-31025

BOLT

SN: 10332-UP

2шт.

30

01602-01030

WASHER,SPRING

SN: 10332-11812

2шт.

31

01643-31032

WASHER

SN: 11813-UP

2шт.

|31

01640-01016

WASHER

SN: 10332-11812

1шт.

31A

6110-23-6490

SPACER

SN: 11813-UP

1шт.

32

01580-01008

NUT

SN: 10332-UP

1шт.

33

6162-53-6410

PIPE

SN: 10332-UP

1шт.

34

07000-63042

O-RING (K2)

SN: 10332-UP

1шт.

35

6127-51-6821

GASKET (K2)

SN: 10332-UP

1шт.

36

01010-31070

BOLT

SN: 10332-UP

2шт.

37

01602-01030

WASHER,SPRING

SN: 10332-UP

2шт.

Выбрано товаров: 108