Запчасти Komatsu D375A-2 КОНЦЕНТР. ТРУБЫ (ДЛЯ МАСЛ. PRESSURE КОНТРОЛЬ) СИСТЕМА УПРАВЛЕНИЯ

Схема запчастей Komatsu D375A-2 - КОНЦЕНТР. ТРУБЫ (ДЛЯ МАСЛ. PRESSURE КОНТРОЛЬ) СИСТЕМА УПРАВЛЕНИЯ
FIT
1:1
100%

Артикул

Название

Примечание

Количество

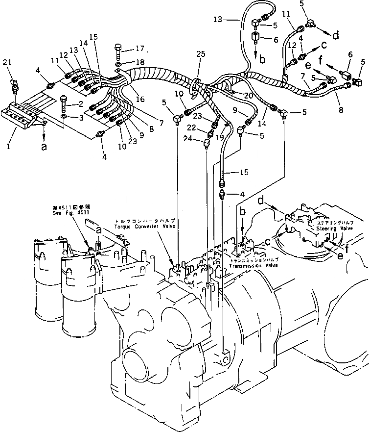
1

195-49-36110

BLOCK

SN: 16001-UP

1шт.

2

01010-51245

BOLT

SN: 16079-UP

2шт.

2

01010-51240

BOLT

SN: 16001-16078

2шт.

3

01643-31232

WASHER

SN: 16001-UP

2шт.

4

203-62-21740

NIPPLE

SN: 16001-UP

12шт.

5

202-62-21430

ELBOW

SN: 16001-UP

7шт.

6

207-68-11170

NIPPLE

SN: 16001-UP

2шт.

7

195-49-36140

HOSE (LB)

SN: 16001-UP

1шт.

8

195-49-36150

HOSE (LC)

SN: 16001-UP

1шт.

9

195-49-36160

HOSE (PL)

SN: 16001-UP

1шт.

10

195-49-36170

HOSE, 1100MM (IN)

SN: 16001-UP

1шт.

11

195-49-36180

HOSE (RB)

SN: 16001-UP

1шт.

12

195-49-36190

HOSE (RC)

SN: 16001-UP

1шт.

13

195-49-36210

HOSE (F1)

SN: 16001-UP

1шт.

14

195-49-36220

HOSE (MAIN)

SN: 16001-UP

1шт.

15

195-49-36230

HOSE, 1600MM (OUT)

SN: 16001-UP

1шт.

16

08036-03014

CLIP

SN: 16001-UP

1шт.

17

01010-51220

BOLT

SN: 16001-UP

1шт.

18

01643-31232

WASHER

SN: 16001-UP

1шт.

19

08036-10810

CLIP

SN: 16001-UP

1шт.

20

08036-02514

CLIP

SN: 16001-UP

1шт.

21

195-49-36120

NIPPLE

SN: 16001-UP

10шт.

22

203-62-21740

NIPPLE

SN: 16001-UP

1шт.

23

195-49-36240

HOSE

SN: 16001-UP

1шт.

24

205-62-53391

ELBOW

SN: 16001-UP

1шт.

25

08034-00876

BAND

SN: 16001-UP

1шт.

Выбрано товаров: 26