Запчасти Komatsu D375A-2 СИСТЕМА ROPS ЧАСТИ КОРПУСА

Схема запчастей Komatsu D375A-2 - СИСТЕМА ROPS ЧАСТИ КОРПУСА
FIT
1:1
100%

Артикул

Название

Примечание

Количество

G-1

0

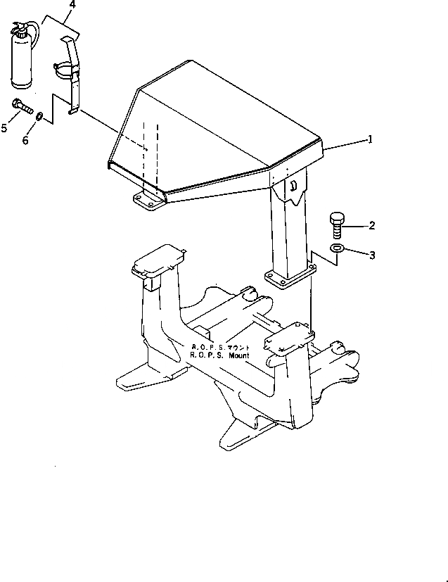
ROPS CANOPY GROUP

SN: 16001-UP

1шт.

|$$2

====================

-1шт.

1

195-978-4121

GUARD

SN: 16001-UP

1шт.

2

01011-83000

BOLT

SN: 16001-UP

12шт.

3

01643-33080

WASHER

SN: 16001-UP

12шт.

|$$6

====================

-1шт.

4

09495-30010

EXTINGUISHER,(RUSSIAN)

SN: 16001-UP

1шт.

5

01010-50620

BOLT

SN: 16001-UP

6шт.

6

01602-20619

WASHER

SN: 16001-UP

6шт.

Выбрано товаров: 0