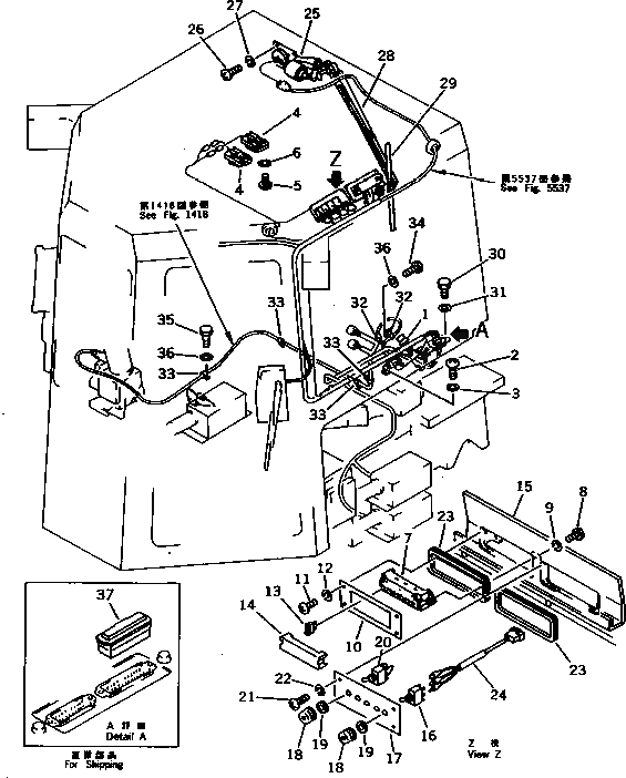
Запчасти Komatsu D375A-2 СТАЛЬНАЯ КАБИНА (8/9) (КАБИНА ЭЛЕКТРИКА¤ ЗАДН.) (МОРОЗОУСТОЙЧИВ. СПЕЦ-Я) ЧАСТИ КОРПУСА

Схема запчастей Komatsu D375A-2 - СТАЛЬНАЯ КАБИНА (8/9) (КАБИНА ЭЛЕКТРИКА¤ ЗАДН.)           (МОРОЗОУСТОЙЧИВ. СПЕЦ-Я) ЧАСТИ КОРПУСА
FIT
1:1
100%

Артикул

Название

Примечание

Количество

|$0

195-Z11-0033

STEEL CAB ASS'Y

SN: 16531-UP

1шт.

|$1

195-Z11-0032

STEEL CAB ASS'Y

SN: 16242-16530

1шт.

|$2

0

STEEL CAB ASS'Y

SN: 16001-16241

1шт.

|$$4

THESE ASSEMBLIES CONSIST OF ALL PARTS SHOWN IN FIGS.5531 TO 5539.

-1шт.

1

195-822-6151

LIGHTER

SN: 16001-UP

1шт.

2

195-979-7720

SCREW

SN: 16001-UP

2шт.

3

01601-20410

WASHER,SPRING

SN: 16001-UP

2шт.

4

195-Z11-2190

LAMP,ROOM

SN: 16001-UP

2шт.

4

08116-02410

BULB, 10W

SN: 16001-UP

1шт.

5

195-979-7710

SCREW

SN: 16001-UP

8шт.

6

01601-20513

WASHER,SPRING

SN: 16001-UP

8шт.

7

195-Z11-2280

BODY

SN: 16001-UP

1шт.

8

195-979-7710

SCREW

SN: 16001-UP

2шт.

9

01601-20513

WASHER,SPRING

SN: 16001-UP

2шт.

10

195-Z11-2250

PLATE

SN: 16001-UP

1шт.

11

195-979-7720

SCREW

SN: 16001-UP

4шт.

12

01601-20410

WASHER,SPRING

SN: 16001-UP

4шт.

13

283-06-16190

FUSE, 10A

SN: 16001-UP

13шт.

14

195-Z11-2290

COVER

SN: 16001-UP

1шт.

15

195-Z11-3130

SHEET

SN: 16001-UP

1шт.

16

195-06-25250

SWITCH,WIPER

SN: 16001-UP

4шт.

17

195-Z11-7610

PLATE

SN: 16001-UP

1шт.

18

175-06-27250

CAP

SN: 16001-UP

4шт.

19

7808-19-1920

NUT

SN: 16001-UP

4шт.

20

195-979-3290

SWITCH,VENTILATOR

SN: 16001-UP

1шт.

21

195-979-7720

SCREW

SN: 16001-UP

4шт.

22

01601-20410

WASHER,SPRING

SN: 16001-UP

4шт.

23

195-Z11-2980

SEAL

SN: 16001-UP

2шт.

24

195-Z11-3360

WIRING HARNESS

SN: 16001-UP

5шт.

25

195-Z11-2420

MOTOR ASS'Y

SN: 16001-UP

1шт.

26

01220-40616

SCREW

SN: 16001-UP

4шт.

27

01602-20619

WASHER,SPRING

SN: 16001-UP

4шт.

28

195-Z11-2460

ARM,WIPER

SN: 16001-UP

1шт.

29

195-Z11-2470

BLADE,WIPER

SN: 16001-UP

1шт.

30

01010-50620

BOLT

SN: 16001-UP

2шт.

31

01643-30623

WASHER

SN: 16001-UP

2шт.

32

08036-91214

CLIP

SN: 16001-UP

2шт.

33

08036-91214

CLIP

SN: 16001-UP

6шт.

34

01010-51220

BOLT

SN: 16001-UP

2шт.

35

01010-51220

BOLT

SN: 16001-UP

6шт.

36

01643-31232

WASHER

SN: 16001-UP

8шт.

37

195-Z11-7130

CONNECTOR,(FOR SHIPPING)

SN: 16001-UP

1шт.

Выбрано товаров: 42